Foram encontradas 30 questões.

A expressão de S que corresponde ao circuito acima representado, é:
Provas

O circuito da figura acima representa um transistor de junção bipolar, polarizado para tensões CC. O transistor opera com \( \beta \)=50 e VBE=0,6 V. A corrente de coletor (Ic) e a tensão coletor emissor (VCE), respectivamente, são:
Provas
Um determinado circuito é formado pelas impedâncias Z1 e Z2 conectadas em série e alimentado por uma fonte de corrente alternada. Após a realização de algumas medidas, descobriu-se que a tensão estava adiantada de 45° em relação à corrente em Z1 e que estava em fase na impedância Z2. Além disso, verificou-se que a amplitude da tensão em Z1 e Z2 eram, respectivamente, 20V e 40V.
Na fonte, a tensão, em relação a corrente, encontra-se:
Provas
Um determinado circuito é formado pelas impedâncias Z1 e Z2 conectadas em série e alimentado por uma fonte de corrente alternada. Após a realização de algumas medidas, descobriu-se que a tensão estava adiantada de 45° em relação à corrente em Z1 e que estava em fase na impedância Z2. Além disso, verificou-se que a amplitude da tensão em Z1 e Z2 eram, respectivamente, 20V e 40V.
A amplitude da tensão em Volts fornecida pela fonte é de aproximadamente:
Provas
Um programa em pseudocódigo foi elaborado na forma apresentada na caixa de texto a seguir.
j, k e n são variáveis inteiras.
V e X são vetores indexados assim definidos
inicialmente:
V=[0,0,0]
X=[1, 4, 5, 8, 10, 11]
para n variando de 1 a 3
para k variando de 1 a 6
Se: resto da divisão de X(k) por
2 for 0
Então: V(n) V(n)+X(k)^n;
Fim do Se
Fim para k
Fim para n
Comentário: x^n corresponde ao número x
elevado à potência n
Após a execução do programa, o vetor V apresenta o seguinte resultado:
Provas
Um programador necessita fazer um algoritmo para selecionar alguns dados disponíveis em uma matriz C e alocá-los num vetor D. Para isso, existem os vetores A e B de dimensão N cujos elementos numa mesma posição indicam, respectivamente, as posições de linha e de coluna do dado desejado na matriz C. As posições de linha e coluna somente são válidas quando forem maiores que zero. O programador escreveu em pseudo-código o seguinte algoritmo:

As linhas que estão faltando no programa para seu correto funcionamento são:
Provas
A representação na base 2 do número 4,26 na base 10 é:
Provas
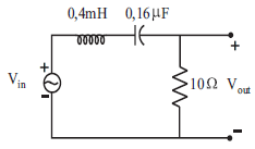
A figura abaixo ilustra um circuito RLC, alimentado por uma fonte de tensão senoidal com amplitude Vin constante.

A freqüência em rad/s da fonte que torna a amplitude de saída Vout máxima é:
Provas

O circuito ilustrado na figura acima representa um filtro passa-banda de segunda ordem. Considerando os amplificadores operacionais ideais, a função de transferência \( \dfrac{V_o(s)}{v_1(s)} \) do circuito é:
Provas
A palavra que FOGE à regra de acentuação que as demais seguem é:
Provas
Caderno Container