Foram encontradas 1.800 questões.
No circuito abaixo, o sinal aplicado é vi(t) = 100 cos1000t

O sinal de saída é
Provas
O diagrama de blocos mostra um sistema de controle típico realimentado.

O valor de K para que o sistema tenha raízes reais e iguais no plano s é
Provas
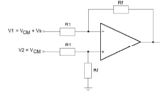
Amplificadores operacionais podem ser usados para rejeitar com sucesso interferências de modo comum VCM presentes na saída de sensores. Uma configuração típica para tal aplicação está mostrada no esquema abaixo, assim como os parâmetros aplicáveis.
R1 = 1 k\( \Omega \)
Rf = 1 M\( \Omega \)
VCM = 1 V
Vs = 1 mV
CMRR = 100 dB

O sinal de saída Vo é
Provas
O circuito abaixo usa transistores de silício ideais, sendo \( \beta \)Q1 = 50, \( \beta \)Q2 = 10 e VBE = 0,7 V.

A corrente na base de Q1 é
Provas
No circuito com diodo mostrado abaixo os componentes são ideais e o gráfico que representa a forma de onda do sinal de excitação vi está mostrado ao lado do esquema. Estão também mostradas quatro opções de gráficos para representar a saída vo.

O gráfico que representa a saída vo é
Provas
O sistema abaixo usa componentes ideais para processar o sinal de entrada Ve.

Para Ve = 1 V e Vsp = 2 V, os valores de R2 e R3 que podem ser usados para se obter uma saída Vo = 1 V são:
Provas
Um transdutor de temperatura trabalha na faixa de 0°C até 100°C fornecendo uma saída de 0 - 5 V. A saída do transdutor é aplicada na entrada de um conversor analógico-digital de 8 bits. Quando a temperatura medida pelo transdutor for de 24°C, o código digital correspondente disponibilizado na saída do conversor será
Provas
Um transformador apresenta resistências e reatâncias nos enrolamentos primário e secundário conforme mostrado na figura abaixo:

A impedância equivalente do transformador vista no lado da fonte é
Provas
Um motor de corrente contínua com excitação do tipo shunt gira sem carga com velocidade de 1200 RPM. Quando a carga nominal é aplicada no motor, sua velocidade cai para 1140 RPM. Nesse caso, marque a opção que apresenta a regulação de velocidade do motor.
Provas
Um fluxo de 25 mWb envolve uma bobina de 1500 espiras quando percorrida por uma corrente de 3 A. Se a corrente circulante cair para zero em 150 ms, a indutância da bobina e a força eletromotriz induzida serão, respectivamente:
Provas
Caderno Container