Foram encontradas 1.800 questões.
Disciplina: Engenharia de Telecomunicações
Banca: DIRENS Aeronáutica
Orgão: CIAAR
A figura abaixo mostra parte de um sistema ideal de micro-ondas operando na faixa de SHF.

Supondo que o sinal recebido do terminal remoto seja vrf = 5\( \mu \)V e que o atenuador intermediário esteja ajustado para 10 dB, o sinal de saída do sistema será de
Provas
Considere o circuito digital mostrado abaixo.

A expressão booleana que relaciona a saída X com as condições lógicas das entradas A, B e C é
Provas
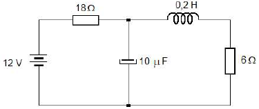
Considere o esquema elétrico mostrado abaixo.

Assumindo componentes ideais, a potência fornecida ao resistor de 6\( \Omega \) em estado estável é
Provas
O esquema elétrico abaixo mostra um retificador de CC isolado com transformador, usando componentes ideais.

A saída de Vcc da fonte é
Provas
Disciplina: Engenharia de Telecomunicações
Banca: DIRENS Aeronáutica
Orgão: CIAAR
Uma fonte de sinal de micro-ondas produz uma saída eficaz de 1 \( \mu \)V, sendo sua resistência interna de 1 k\( \Omega \) . A fonte é usada em um sistema com largura de faixa de 1 kHz e trabalha na temperatura de 290 K.
Sendo a constante de Boltzmann kB = 1,38 x 10-23 J/K, a razão sinal/ruído da fonte é
Provas
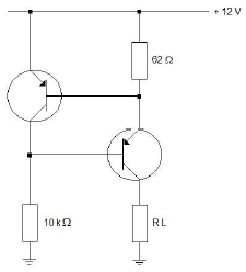
O circuito mostrado abaixo usa transistores de silício onde VBE = 0,7 V e o ganho de corrente é 100.

A corrente fornecida à carga RL é
Provas
Uma carga trifásica ligada em estrela usa impedâncias de fase iguais de 6 + j8 ohms, sendo alimentada por um sistema de 220 V / 60 Hz. A potência ativa consumida pela carga é
Provas
Um transformador ideal com relação de transformação de 25 está sendo usado para casar a impedância de uma carga de 4\( \Omega \) com a saída de um amplificador. A impedância do amplificador é
Provas
Um osciloscópio foi usado para medir o sinal presente em dado ponto de teste de um receptor de comunicações. O resultado está mostrado abaixo.

A amplitude eficaz e a frequência angular do sinal medido são, respectivamente,
Provas
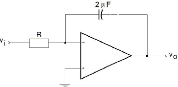
O esquema elétrico mostra componentes ideais sendo usados no processamento de sinais.

Considerando o capacitor inicialmente descarregado, para que a saída Vo atinja 15V em 1 s com uma entrada Vi = -10V, o resistor R deve ter o valor de
Provas
Caderno Container