Foram encontradas 1.800 questões.
Disciplina: TI - Organização e Arquitetura dos Computadores
Banca: DIRENS Aeronáutica
Orgão: CIAAR
A multiplicação de números binários é uma operação rotineira realizada por microprocessadores. A multiplicação do número 01001101 por 00000100 resulta em
Provas
Disciplina: TI - Desenvolvimento de Sistemas
Banca: DIRENS Aeronáutica
Orgão: CIAAR
A programação de microprocessadores e microcontroladores pode ser realizada usando várias linguagens. Sendo assim, analise as afirmativas abaixo e em seguida, assinale a opção que contém a afirmativa incorreta.
I. A linguagem assembly não é portátil de um microprocessador para outro.
II. A maioria dos programas de computador são escritos em linguagens de alto nível, como C++, JAVA e COBOL.
III. As linguagens de alto nível não precisa ser convertidas para linguagem de máquina para um microprocessador específico.
IV. As linguagens de alto nível são portáteis, podendo ser usadas em diferentes computadores.
Provas
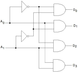
Marque a opção que apresenta a expressão lógica para a saída D2 no sistema digital mostrado na figura abaixo.

Provas
Filtros são elementos de circuitos elétricos que transmitem uma certa faixa (ou faixas) de frequências e rejeitam outras. Analise as afirmativas seguintes sobre filtros:
I. O processo de filtragem melhora a razão sinal/ruído desde que o espectro de potência do sinal ocupe uma faixa de frequências diferente da faixa do ruído.
II. Um filtro analógico é uma rede elétrica que pode ser sintonizável, consistindo usualmente de resistores, indutores e capacitores sem incluir amplificadores operacionais.
III. Um filtro digital é usualmente um computador programado para processar valores amostrados de um sinal.
IV. Indutores não são usados em filtros baseados em amplificadores operacionais para evitar a possibilidade da geração de força contra-eletromotriz que possa danificar os amplificadores.
Estão corretas apenas as afirmativas
Provas
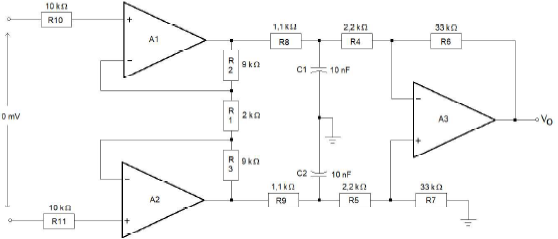
O sistema analógico mostrado no esquema elétrico é constituído por componentes ideais.

A amplitude do sinal de saída Vo é
Provas
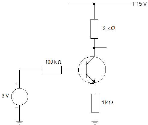
No circuito abaixo, o ganho de corrente do transistor é de 100 e seu VBE = 0,7 V.

A corrente de coletor é
Provas
A figura abaixo apresenta um circuito lógico combinacional com duas entradas e uma saída, incluindo quatro tabelas da verdade.

Para o circuito lógico apresentado, a tabela da verdade correta é
Provas
O diagrama de blocos para um contador digital do tipo up/down de 4 bits está mostrado abaixo.

A opção de projeto que pode ser usada para implementar o contador em um circuito integrado consiste em usar o dispositivo
Provas
O esquema abaixo mostra a arquitetura de um contador de 4 bits.

Fonte: Banca Examinadora, 2026. Após o décimo primeiro pulso de clock, o código digital presente nas saídas Q0 até Q4 será
Provas
Uma antena monopolo instalada no teto de uma viatura está ligada em um transceptor para comunicações móveis, operando na faixa de 150 MHz.
Assumindo condições ideais, o comprimento da antena deve ser de:
Provas
Caderno Container