Magna Concursos

Foram encontradas 1.350 questões.

2200747 Ano: 2022
Disciplina: Engenharia Eletrônica
Banca: DIRENS Aeronáutica
Orgão: CIAAR

Alguns amplificadores podem possuir realimentação negativa ou positiva.

Analise abaixo algumas propriedades da aplicação da realimentação negativa em um amplificador.

I. Reduz o ganho.

II. Torna o ganho mais sensível às variações dos valores dos parâmetros dos componentes.

III. Minimiza a distorção não linear.

IV. Permite aumentar ou diminuir as impedâncias de entrada e saída.

V. Reduz a faixa de passagem do amplificador.

Estão corretas apenas o que se afirma em:

 

Provas

Questão presente nas seguintes provas
2200746 Ano: 2022
Disciplina: Engenharia Elétrica
Banca: DIRENS Aeronáutica
Orgão: CIAAR

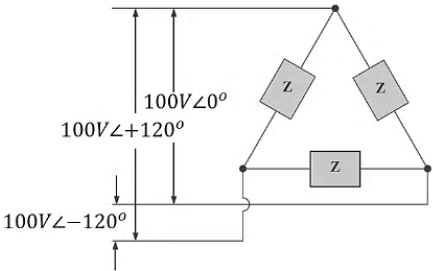
O sistema trifásico abaixo está conectado em !$ \Delta \, - \, \Delta !$ e a carga é equilibrada.

Considerar Z uma carga RC, onde R = 4 !$ \Omega !$ e XC = 3 !$ \Omega !$. Se necessário considerar !$ \sqrt{2} \, = \, 1,4 \,\, e \,\, \sqrt{3} \, = \, 1,7. !$

Enunciado 3327775-1

O valor total da potência aparente será igual a

 

Provas

Questão presente nas seguintes provas
2200745 Ano: 2022
Disciplina: Engenharia Elétrica
Banca: DIRENS Aeronáutica
Orgão: CIAAR

Em sistemas trifásicos, tanto os geradores (fonte) quanto as cargas podem ser conectadas em Y ou !$ \Delta !$.

Analise as afirmativas abaixo sobre sistemas trifásicos.

I. Em uma conexão em que tanto o gerador quanto a carga equilibrada estejam conectadas em Y, o módulo da tensão de linha é igual a !$ \sqrt{3} !$ vezes a tensão de fase.

II. Em um sistema Y-!$ \Delta !$ não existe conexão do neutro e, portanto, as tensões de fase da carga e do gerador serão diferentes se a carga não for equilibrada.

III. Em um sistema Y-Y equilibrado, se o módulo da corrente de linha vale 100 A, o módulo da corrente de fase também valerá 100 A.

IV. Em um sistema trifásico equilibrado, a impedância de carga na conexão Y é igual a 1/3 daquela referente à conexão !$ \Delta !$ e o defasamento entre elas é zero.

V. Quando o gerador tem seus enrolamentos conectados em !$ \Delta !$, o módulo da corrente de linha é diferente do módulo da corrente de fase e o ângulo entre a corrente de linha e a corrente de fase mais próxima é de 120º.

Estão corretas apenas as afirmativas:

 

Provas

Questão presente nas seguintes provas
2200744 Ano: 2022
Disciplina: Engenharia Eletrônica
Banca: DIRENS Aeronáutica
Orgão: CIAAR

Um Circuito Integrado (CI) pode ser classificado de acordo com o tipo do principal componente utilizado na sua confecção. Os circuitos integrados bipolares utilizam Transistores Bipolares de Junção (TBJ) e os circuitos integrados unipolares utilizam Transistores Unipolares de Efeito de Campo (MOSFET).

Analise as afirmativas a seguir relacionadas a estas duas classes de circuitos integrados.

I. Um circuito inversor TTL utiliza muito mais componentes que um inversor CMOS.

II. Os circuitos integrados CMOS da família 4000 foram projetados para serem compatíveis pino a pino com os dispositivos TTL, a fim de facilitar a troca de tecnologias em placas já montadas.

III. Se uma entrada de um CI digital TTL é deixada desconectada (flutuante), ela é considerada exatamente como se estivesse conectada a um nível lógico alto.

IV. A faixa de valores da alimentação de um CI CMOS padrão é mais ampla que a disponível para um CI TTL padrão.

V. Os níveis de tensão que são interpretados como zero lógico ou um lógico são os mesmos para circuitos integrados das diversas famílias TTL e CMOS.

Estão corretas apenas as afirmativas:

 

Provas

Questão presente nas seguintes provas
2200743 Ano: 2022
Disciplina: Engenharia Eletrônica
Banca: DIRENS Aeronáutica
Orgão: CIAAR

Em um sistema digital para se representar uma sequência de bits de forma “compacta” utilizam-se, muitas vezes, sistemas de numeração octal ou hexadecimal.

O número escrito no sistema octal 42328 será equivalente, em decimal, a:

 

Provas

Questão presente nas seguintes provas
2200742 Ano: 2022
Disciplina: Engenharia Eletrônica
Banca: DIRENS Aeronáutica
Orgão: CIAAR

Com base na expressão lógica abaixo, marque a opção que apresenta uma expressão lógica equivalente

!$ Z \, = \, \overline{(\bar{A} \, + \, C). \, ( (\bar{A}. \, \bar{B}) \, + \, C)} !$

 

Provas

Questão presente nas seguintes provas
2200741 Ano: 2022
Disciplina: Engenharia Eletrônica
Banca: DIRENS Aeronáutica
Orgão: CIAAR

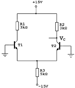
O amplificador diferencial é um circuito muito utilizado na construção de circuitos integrados. No circuito abaixo, considere os transistores T1 e T2 com características idênticas com uma queda VBE = 0,7V e também que as correntes de coletor são iguais às correntes de emissor.

Enunciado 3327765-1

O valor da tensão em VC (coletor de T2), em relação ao terra, será igual a

 

Provas

Questão presente nas seguintes provas
2200740 Ano: 2022
Disciplina: Engenharia Eletrônica
Banca: DIRENS Aeronáutica
Orgão: CIAAR

Um amplificador com estágio de saída de alta potência é chamado de amplificador de potência.

As afirmativas a seguir referem-se às características das classes dos estágios de saída de um amplificador de potência.

I. A operação em Classe A é a que apresenta o maior rendimento quando comparado com operações em outras classes.

II. A dissipação de potência quiescente de um estágio de saída em Classe B é igual a zero.

III. A utilização de um circuito ressonante para a carga é característica da operação em Classe C.

IV. A operação em Classe AB apresenta a maior distorção de cruzamento (crossover).

V. Um estágio de saída em Classe D opera na região não linear.

Estão corretas apenas as afirmativas:

 

Provas

Questão presente nas seguintes provas
2200739 Ano: 2022
Disciplina: Engenharia Eletrônica
Banca: DIRENS Aeronáutica
Orgão: CIAAR

A imagem abaixo representa um circuito retificador que pode retificar sinais com amplitudes menores que a queda de tensão nos diodos.

Ele é conhecido como retificador de precisão.

Enunciado 3327761-1

No circuito retificador de precisão acima, considere o amplificador operacional ideal e a queda de tensão nos diodos, quando diretamente polarizados igual a 0,7 V.

O valor da tensão de saída Vo quando Vi = 3 V, será igual a

 

Provas

Questão presente nas seguintes provas
2200738 Ano: 2022
Disciplina: Engenharia Elétrica
Banca: DIRENS Aeronáutica
Orgão: CIAAR

Um determinado circuito possui as seguintes expressões para a tensão e corrente em sua entrada:

v = 120V sen (!$ \oemga !$t +80º) e i = 4A sen (!$ \omega !$t +20º)

Com base nestes valores, o valor da potência média fornecida será igual a

 

Provas

Questão presente nas seguintes provas