Foram encontradas 1.350 questões.
O diagrama abaixo é de um circuito com três flip-flops tipo JK, onde a entrada CLK é um sinal digital periódico com frequência igual a 1kHz.

Sabendo-se que, em um determinado instante, o valor binário das saídas Q2Q1Q0, tomadas nessa ordem, é igual a 010, qual o valor binário das saídas após 5 ms?
Provas
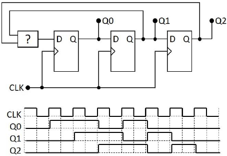
O circuito cujo diagrama esquemático abaixo apresenta um circuito composto por três flip-flops e uma porta lógica desconhecida.

Para que o circuito funcione conforme o diagrama temporal acima, o bloco marcado com uma interrogação deve ser substituído por uma porta:
Provas
Analise abaixo o diagrama esquemático de um circuito com portas lógicas e um diagrama temporal com as formas de onda das entradas A, B e C do circuito e outras quatro formas de onda, X1, X2, X3 e X4.

A forma de onda que corresponde corretamente à saída X do circuito mostrado é:
Provas
O projetista de uma empresa foi encarregado de projetar um circuito gerador de paridade par para uma palavra de sete bits. Um outro projetista foi encarregado de projetar um circuito verificador de paridade para trabalhar com dados com paridade ímpar e que deve gerar um sinal de erro com nível lógico alto se houver erro em um dos bits recebidos.
Analise abaixo os diagramas esquemáticos dos dois circuitos projetados.

Sobre os circuitos acima, e considerando-se as especificações de cada um, é correto afirmar que:
Provas
Analise abaixo os diagramas esquemáticos de dois circuitos, sendo o que primeiro emprega portas lógicas e o segundo, um multiplexador com oito entradas, onde I0 a I7 são as entradas de dados, S0 a S2 são as entradas de seleção, sendo S2 a mais significativa e E é uma entrada de habilitação ativa em nível lógico baixo.

As entradas do multiplexador podem ser ligadas ao nível lógico baixo (0) ou nível lógico alto (1). Para que o circuito com o multiplexador seja funcionalmente equivalente ao circuito com portas lógicas, ou seja, para que a cada uma das possíveis combinações das entradas ambos os circuitos tenham saídas iguais, as entradas do multiplexador I0 a I7 deverão ser ligadas, respectivamente, a:
Provas
Considere o sistema de controle representado pelo diagrama em blocos abaixo, sendo C(s) a saída do sistema, R(s) o valor do set-point e L(s) o distúrbio.

Pode-se afirmar que, para o sistema de controle regulatório, sendo R(s) = 0, a função de transferência do sistema será dada por:
Provas
Ao aplicar-se uma função de grau r(t) com amplitude 5 à entrada de um sistema de controle por realimentação negativa, representado pela função de transferência Gp(s), obtem-se a resposta temporal: c(t) = 3∙t.
Considere:
!$ G_P (S) \, = \, \dfrac {C(S)} {R(S)} !$
Em relação à estabilidade do sistema de controle, é correto afirmar que:
Provas
A estabilidade de um amplificador ou outro sistema é determinada diretamente por seus polos.
Analise abaixo os quatro planos s onde os X mostram as diferentes posições dos polos.

O plano s que mostra os polos localizados na posição em que uma excitação por um impulso unitário na entrada gera, como resposta, uma oscilação sustentável é indicado em:
Provas
Um trecho de uma linha de transmissão operando na faixa de frequências de micro-ondas é terminado em curto-circuito. Considere as perdas na linha desprezíveis e sua impedância característica igual a 50 Ohms. Sabe-se que, nesta situação, a impedância vista na entrada desse trecho de linha vai depender do seu comprimento físico.
Se o trecho tem exatos !$ ^1/_4 !$ do comprimento de onda, a impedância vista na entrada deve ser:
Provas
Uma medida útil para descrever o desempenho de uma antena é o seu ganho.
Sobre este tema, analise as afirmativas a seguir.
I. O ganho de uma antena é relacionado com sua diretividade e com sua eficiência de radiação.
II. O ganho pode ser referido como a razão entre a intensidade de radiação em uma dada direção e a intensidade de radiação que seria obtida se a mesma potência fosse radiada isotropicamente.
III. O ganho de uma antena não inclui as perdas por descasamento de impedâncias (perdas por reflexão) e de polarização. Já o ganho absoluto da antena, leva essas perdas em consideração.
Estão corretas apenas as afirmativas
Provas
Caderno Container