Foram encontradas 900 questões.
Provas
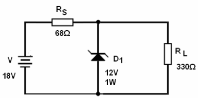
No circuito da figura, o diodo zener mantém uma tensão fixa sobre a carga RL de !$ 330 \Omega !$.

Em relação ao circuito é incorreto afirmar que
Provas
Disciplina: Engenharia Cartográfica
Banca: DIRENS Aeronáutica
Orgão: CIAAR
O sistema que possui fusos de 6º de amplitude, em longitude, coeficientes de deformação de escala no meridiano central, k0 = 0,9996, origem das coordenadas planorretangulares na interseção do Equador com o meridiano central do fuso, acrescidas das constantes 10.000.000 m (para o hemisfério Sul) e 500.000 m para as coordenadas Norte (N) e Este (E), respectivamente, é o sistema
Provas
Para medir a falta de resistência dos comprimidos à abrasão, quando submetidos à ação mecânica, utiliza-se o teste de
Provas
A classificação da densidade óssea pode ser avaliada na tomografia computadorizada pela correlação com as unidades de Hounsfield. Fazendo uma análise de uma tomografia computadorizada de um paciente, o implantodontista percebeu que a área onde ele planejava instalar um implante possuía 400 unidades Hounsfield. Qual é a densidade desse osso?
Provas
Um paciente está com suspeita de um quadro de distrofia muscular. Qual dessas enzimas normalmente terá uma elevação caso confirme essa suspeita?
Provas
A manutenção periodontal e a do implante estão ligadas porque a manutenção da microbiota do dente, compatível com a saúde periodontal, é necessária para manter a microbiota do implante compatível com a saúde peri-implantar. Em relação à manutenção dos implantes, marque a alternativa correta.
Provas
Disciplina: Direito Educacional e Tecnológico
Banca: DIRENS Aeronáutica
Orgão: CIAAR
Provas
Disciplina: Engenharia Cartográfica
Banca: DIRENS Aeronáutica
Orgão: CIAAR
Relacione as duas colunas e depois marque a sequência correta nas alternativas abaixo. Alguns números poderão ser utilizados mais de uma vez e outros poderão não ser usados.
(1) Ajustamento de observações
(2) Modelo matemático das observáveis
(3) Conjunto de equações livre de geometria
( ) método das equações de observação.
( ) modelos não lineares e interações.
( ) combinações lineares de dados GPS envolvidas em uma estação e entre diferentes estações.
( ) matriz variância e covariância das observáveis resultantes das combinações lineares.
( ) controle de qualidade.
Provas
Vários autores tratam da especificação do cabeamento aplicado ao backbone, quando se trata do padrão EIA/TIA- 568 para um projeto de cabeamento estruturado. Com base na padronização pela norma citada, assinale a alternativa que apresenta a configuração correta envolvendo conexões, distâncias máximas e tipo de cabeamento especificado na norma.
Provas
Caderno Container