Foram encontradas 749 questões.
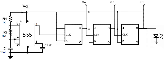
O circuito a seguir demonstra um contador e um gerador de clock, através de um 555.

Assinale a alternativa que melhor define a frequência de saída sobre o LED, em Hz.
Provas
Em conformidade com a ABNT, qual o formato de papel mais adequado para impressão de uma planta topográfica com uma área que mede 1100 m de comprimento por 840 m de largura. (Considera-se a escala de 1:2000, 17,5 cm como reserva para informações marginais na lateral direita da folha e 1,0 cm de margem.)
Provas
Em relação ao acabamento e polimento das restaurações de amálgama, assinale a alternativa correta.
Provas
Uma da s alternativas disponíveis atualmente para tratamento dos defeitos ósseos é a utilização de regeneração tecidual guiada. Sobre o tema, marque a alternativa correta.
Provas
Seja a estrutura apresentada na figura.

(Soriano e Lima)
O deslocamento vertical da seção A da estrutura anterior, com E = 3,0 . 107 kN/m2, I = 2,08 . 10–3 m4, k1 = 3,12 . 102 kN/m e k2 = 2,60 . 102 kN/m, considerando apenas deformação de momento fletor, é
Provas
Um dos métodos mais clássicos de medir a concentração de proteínas totais é o de Biureto, que consiste na reação em solução alcalina das ligações peptídicas com íons de
Provas
Marque a alternativa na qual, durante a interação dos raios- x com a matéria, o fóton de radiação x deposita toda sua energia por interação atômica.
Provas
Provas
Provas
Provas
Caderno Container