Foram encontradas 630 questões.
Analise as afirmativas abaixo sobre pulpectomia em dentes decíduos.
I. Caracteriza-se pela remoção total da polpa viva e está indicada para dentes decíduos anteriores e posteriores com pulpite aguda.
II. Está indicada para dentes que, após a tentativa de pulpotomia, continua com sangramento abundante.
III. Está contraindicada em casos que necessitam de utilização de pino intrarradicular.
IV. Está indicada nos casos de dúvida da vitalidade pulpar.
Estão corretas apenas as afirmativas
Provas
O s aspectos oclusais de um tratamento reabilitador com próteses implanto- suportadas são elementos fundamentais para aumentar a previsibilidade de sucesso do tratamento. Neste sentido, informe se é verdadeiro (V) ou falso (F) o que se afirma abaixo e, em seguida, assinale a alternativa que apresenta a sequência correta.
( ) Quanto maior o ângulo da força aplicada no sistema implante-prótese, maior será o componente de cisalhamento, o qual apresenta um efeito mais lesivo ao tecido ósseo, quando comparado com as forças de compressão e tração.
( ) Uma força de 100 N aplicada em um cantiléver resulta em uma força de, aproximadamente, 200 N sobre o implante mais perto do cantiléver (que age como fulcro).
( ) Usualmente, uma restauração posterior retida por parafuso exige contatos oclusais em cantiléver, pois o material de restauração sobre o parafuso se desgasta facilmente.
( ) Quanto menor for a mesa oclusal protética, maior será a força necessária para penetrar no bolo alimentar.
( ) As superfícies oclusais fabricadas em ouro estão associadas a uma maior precisão, maior resistência a fraturas e requerem menor quantidade de espaço intermaxilar, quando comparadas às superfícies oclusais fabricadas de porcelana ou resina.
Provas
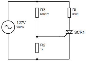
O circuito abaixo é uma aplicação de SCR em tensão alternada, com um ângulo de disparo de 15°. O valor da corrente média na carga é, aproximadamente, igual a

Provas
As fraturas têm aspectos dúcteis ou frágeis, com especificidades que podem ser constatadas numa avaliação microscópica ou até mesmo em um comportamento apresentado durante os ensaios mecânicos. São características do processo de ruptura por fratura dúctil em ensaio de tração, exceto:
Provas
Informe se é verdadeiro (V) ou falso (F) o que se afirma abaixo. A seguir, indique a alternativa que apresenta a sequência correta.
( ) No processo de reabsorção dentária, os cementoblastos são as células responsáveis pela reabsorção radicular.
( ) A reabsorção dentária relacionada à movimentação ortodôntica é classificada como reabsorção inflamatória.
( ) Se o paciente faz uso de aparelhos ortodônticos e apresenta necrosa pulpar, a causa mais comum é resgatar uma história de traumatismo dentário do que a movimentação ortodôntica.
( ) O traumatismo dentário prévio contraindica o tratamento ortodôntico.
Provas
Determinado paciente procurou atendimento na odontoclínica com as seguintes características: melanoderma, sexo feminino, 59 anos de idade, diabético compensado, usuário de prótese total removível inferior mal adaptada com o rebordo posterior bastante reabsorvido, dentes remanescentes condenados à exodontia, higiene bucal insatisfatória e mucosa da área chapeável superior inflamada com pequena área de hiperplasia gengival. Optouse por prótese total removível convencional dupla para reabilitação do paciente. Com base na descrição do quadro clínico, analise as afirmativas abaixo.
I. No momento da moldagem funcional deste trabalho, a zona de selado periférico deverá ser mantida a todo custo. Caso contrário, as próteses estarão em sobre ou subcontorno.
II. Segundo Telles, o material que deve ser utilizado para moldagem anatômica na confecção destas próteses é o silicone de condensação. Tal escolha se justifica por ser de fácil manipulação, produzir menores deformações nos tecidos de revestimento do rebordo e ter boa fidelidade de cópia.
III. Durante a moldagem inicial da arcada inferior, o maior objetivo do material usado é o afastamento dos tecidos moles que circundam a área chapeável. Desta forma, o material de escolha poderá ser anelástico e de alta compressibilidade.
Estão corretas as afirmativas
Provas
São substâncias químicas solventes utilizadas no retratamento endodôntico, exceto:
Provas

Para uma peça estrutural em perfil cantoneira, conforme figura, sujeita a uma força compressiva simples no valor de 630 kN, é correto afirmar que a tensão normal ao eixo da barra é de
Provas
Um evaporador de triplo efeito (3 etapas) e alimentação em paralelo é usado para evaporar uma solução salina de 15% para 50% de sólidos. Sabe-se que:
• a Elevação no Ponto de Ebulição (EPE) das soluções, independente da pressão, pode ser estimada pela expressão EPE°C = 0,5x + 9,22x2, onde x é a fração em peso do sal na solução;
• utiliza o vapor de água saturado a 225 kPa (124°C);
• a pressão do vapor que sai do terceiro efeito é de 10kPa (45,81°C); • a taxa de alimentação é 20.000 kg/h a 25°C;
• a capacidade calorífica da solução líquida é dada pela equação cpkJ/kg.K = 4,19 – 2,35x.
Considerando desprezível o calor de dissolução, a estimativa dos coeficientes de transferência de calor forneceu os seguintes valores: U1 = 3123 W/m2K, U2 = 1987 W/m2K e U3 = 1136 W/m2K. Admite-se que as evaporações são iguais nos três efeitos. Se cada efeito possui a mesma área de superfície, os valores corretos da EPE no efeito 2, a temperatura do vapor que sai do efeito 2 e a capacidade calorífica da solução líquida que sai do efeito 1 são, respectivamente,
Provas
Acerca dos transformadores para instrumentos, analise as afirmativas abaixo.
I. Os TP’s são utilizados em conjunto com os amperímetros.
II. Os TC’s são utilizados em conjunto com os voltímetros.
III. Já possuem instrumentos de medidas incorporados ao mesmo invólucro.
IV. Os TC’s não podem ser ligados à rede com o terminal do secundário em aberto.
V. Os TP’s não podem ser ligados à rede com o terminal do secundário em aberto.
Está(ão) correta(s) apenas a(s) afirmativa(s)
Provas
Caderno Container