Foram encontradas 630 questões.
Observe o desenho de um galpão abaixo. Nele será construído um depósito, conforme definido na figura, com porta de 3,00 m x 2,10 m, cujo teto será rebaixado com forro de PVC com lâminas de 0,10 m de largura útil, colocadas perpendicularmente à maior direção, deixando um pé-direito interno de 3,50 m.

Considerando uma perda de 10%, quantos metros de forro de PVC serão necessários para o rebaixamento total do depósito?
Provas
Anemias hemolíticas são resultantes do aumento do ritmo de destruição dos eritrócitos. Por outro lado, devido à hiperplasia eritropoiética e expansão da medula óssea, a anemia propriamente dita pode não ser observada até que a sobrevida eritrocitária seja inferior a 30 dias. Assinale a alternativa que apresenta um achado laboratorial que representa um sinal do aumento da produção eritroide.
Provas

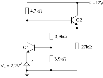
Sabe-se que o valor da tensão VBE de todos os transistores apresentados no circuito é igual a 0,6V. Sendo assim, o valor da tensão VCE do transistor Q1 é igual a
Provas
A usinabilidade pode ser entendida como o grau de dificuldade em se usinar um determinado material. São vários os elementos que podem afetar a usinabilidade de um material, desde suas propriedades até fatores metalúrgicos. Assinale a alternativa que relaciona, incorretamente, o fator metalúrgico com sua influência sobre a usinabilidade do aço.
Provas
O conhecimento dos parâmetros cristalinos é de fundamental importância para a ciência e engenharia de materiais. Assinale a alternativa que apresenta a definição de célula unitária.
Provas
Sobre os registros necessários para a montagem dos dentes artificiais em próteses totais imediatas, informe se é verdadeiro (V) ou falso (F) o que se afirma abaixo. A seguir, assinale a alternativa que apresenta a sequência correta.
( ) Existe a necessidade de montagem dos modelos em Articulador Semi- Ajustável (ASA).
( ) O modelo superior deve ser montado com o auxílio do arco facial e o modelo inferior através de registro que restabeleça a DVR.
( ) A vantagem desta técnica é a possibilidade de realizar as provas dos dentes artificiais montados antes da extração dos dentes naturais.
( ) Os dentes naturais anteriores do paciente, quando presentes, servem de parâmetro positivo ou negativo.
Provas
O circuito representado abaixo é muito comum em circuitos temporizadores, osciladores, entre outras aplicações, graças à versatilidade do integrado LM555 ou simplesmente 555.

Diante do exposto, é correto afirmar que o circuito é um
Provas
A função de transferência para o circuito representado é

Provas
As regiões posteriores da boca, muitas vezes, necessitam da reposição de apenas um dente. Segundo Misch, em quase 80% das vezes, os dentes adjacentes são hígidos ou possuem pequenas restaurações. A escolha mais comum de tratamento para restaurar esta perda unitária posterior é a confecção de uma Prótese Parcial Fixa (PPF) de três elementos. Outra opção de tratamento seria a reposição do elemento perdido por um implante unitário. Informe se é verdadeiro (V) ou falso (F) o que se afirma abaixo. A seguir, assinale a alternativa que apresenta a sequência correta.
( ) O tempo de vida médio estimado de uma PPF é de 90% de sobrevida em 10 anos.
( ) A cárie nos pilares é a causa mais comum de falha de uma PPF.
( ) 85% dos pilares de uma PPF precisam de tratamento endodôntico.
( ) A taxa de sucesso dos implantes unitários é maior do que 97% em 10 anos.
( ) A reposição com implantes leva a um menor risco de cárie, tratamentos endodônticos e problemas periodontais nos dentes adjacentes.
( ) Mesmo quando os dentes adjacentes à ausência dentária precisam de coroas totais, o implante é o tratamento escolhido, porque as coroas unitárias em dentes vizinhos a um implante têm complicações menores e maior longevidade, se comparadas a uma PPF de três elementos.
Provas
A mucosite perimplantar e a perimplantite são doenças inflamatórias que ocorrem nos tecidos ao redor de implantes. Sobre as doenças citadas, marque a afirmativa correta.
Provas
Caderno Container