Foram encontradas 630 questões.
" Este tumor constitui de 2 a 7% dos casos de tumores odontogênicos. Aproximadamente 2/3 são diagnosticados na 2a década de vida e é incomum em pacientes com mais de 30 anos, sendo as mulheres 2 vezes mais afetadas que os homens. Geralmente, as lesões são menores que 3 cm de diâmetro, associadas a um dente não irrompido (frequentemente o canino) e duas vezes mais encontradas na maxila. Radiograficamente apresenta imagem radiolúcida unilocular circunscrita, que envolve a coroa de um dente incluso e, frequentemente, apresenta calcificações delicadas (em flocos de neve).” A descrição anterior refere-se ao
Provas
A alteração caracterizada pela presença de esmalte normal, dentina extremamente atípica com obliteração pulpar, formação defeituosa de raízes e tendência inexplicável à doença periapical é conhecida como
Provas

Considerando a primeira aproximação aplicada aos diodos do circuito, conforme mostra a figura, a corrente total será igual a
Provas
Assinale a alternativa que apresenta o achado clínico- laboratorial presente em pacientes imunizados e/ou vacinados contra o vírus da rubéola.
Provas
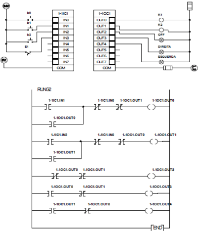
Analisando o diagrama Ladder e as conexões com os cartões do CLP, conclui-se que se refere à

Provas
Leia o trecho abaixo e, em seguida, assinale a alternativa que preenche correta e respectivamente as lacunas. Segundo Malamed et al (2005), a administração de e deve ser evitada em pacientes que tomam antidepressivos tricíclicos.
Provas
O tratamento de superfície dos implantes dentais representa um grande marco evolutivo da implantodontia, no que se refere ao aperfeiçoamento do processo de osseointegração. Com base no exposto anteriormente, analise as afirmativa abaixo.
I. As superfícies usinadas se caracterizam, principalmente, pela possibilidade de observação de uma osteogênese à distância.
II. O jateamento de uma superfície tem por objetivo o aumento das irregularidades da superfície do implante, utilizando, por exemplo, a alumina.
III. A Pulverização com Plasma de Titânio (PPT) tem sido associada a um aumento da área de superfície do implante na ordem de até 600%. IV. Dentre as vantagens do processo de oxidação, destacam-se a modificação da superfície do implante sem o depósito de grãos de partículas, ausência de citotoxicidade, além de adesão e proliferação celular aumentadas.
V. Em relação aos revestimentos com hidroxiapatita (HA), a resistência da interface HA-osso é maior do que a do titânio ao tecido ósseo.
Estão corretas as afirmativas
Provas
A prescrição de antibióticos é muito importante nos tratamentos endodônticos emergenciais, porém, deve ser realizada de maneira criteriosa. A prescrição antibiótica é indicada no(a)
Provas
Disciplina: Ética e Regulação Profissional
Banca: DIRENS Aeronáutica
Orgão: CIAAR
- FarmáciaCódigo de Ética da Profissão FarmacêuticaResolução CFF 711/2021: Código de Ética Farmacêutica
Certo farmacêutico assumiu a responsabilidade técnica de uma farmácia hospitalar na área de quimioterápicos. Chegando ao local da manipulação encontrou uma série de irregularidades, que foram relatadas e encaminhadas ao diretor administrativo para providências. Informou ainda que só entraria em atividade técnico- profissional após sanadas essas inconsistências. Sabe-se que o farmacêutico pode adotar essa conduta, pois o código de ética prevê que ele
Provas
A elaboração do plano de tratamento é essencial para a boa conduta clínica no tratamento da doença cárie, logo, em relação aos fatores ligados ao paciente, é correto afirmar que
Provas
Caderno Container