Foram encontradas 1.128 questões.
Preencha a lacuna e, em seguida, assinale a alternativa correta.
Para a realização de anastomose vascular, o fio cirúrgico com composição de _________________ é o mais utilizado em casos desse tipo.
Provas
Preencha a lacuna e, em seguida, assinale a alternativa correta.
A taxa de infusão de ____________ de Ringer-lactato sem dextrose está indicada para ressuscitação hídrica de um paciente com 80 kg, vítima de queimadura em 40% do total da superfície de seu corpo.
Provas
Uma imagem radiográfica de qualidade deve apresentar
Provas
Dentre os métodos práticos adotados para diminuir a taxa de corrosão de materiais metálicos, pode-se citar, exceto:
Provas
“Corrosão é a deteriorização de um material, geralmente metálico, por ação química ou eletroquímica do meio ambiente aliada ou não a esforços mecânicos.” (Gentil, 1994) Com base na afirmação, analise as figuras abaixo e, em seguida, assinale a alternativa que representa uma reação de oxi-redução eletroquímica.
Provas
São causas da alcalose respiratória, exceto:
Provas
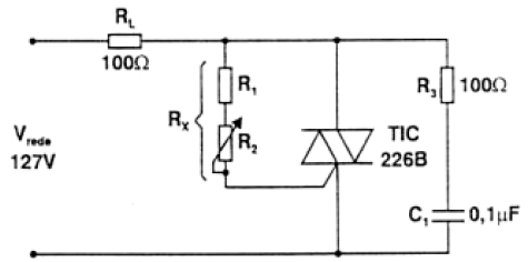
O circuito da figura representa um controle de fase com TRIAC, para se garantir um disparo qualquer em 90º, considerando IGT = 75 mA e VGT = 2,5 V.

O valor de RX deve ser, aproximadamente, igual a
Provas
Preencha a lacuna, e em seguida, assinale a alternativa correta.
Em relação à camada de maior resistência, a ________________ é a mais importante a ser incluída em uma anastomose intestinal.
Provas
Acerca da cultura de urina, informe se é verdadeiro (V) ou falso (F) o que se afirma abaixo e, em seguida, assinale a alternativa que apresenta a sequência correta.
( ) Representa o método mais preciso para definir a presença de infecção urinária, e o resultado do estudo deve ser considerado positivo quando são isolados mais de 100.000 germes por mL de urina colhida em jato médio.
( ) Como decorrência, toda mulher que apresenta sintomas de ITU e leucocitúria significativa deve ser considerada portadora de infecção urinária, se a urina do jato médio revelar mais de 1.000 colônias por mL de urina.
( ) Resultado falso-positivo pode ocorrer quando a urina é contaminada, no momento da colheita, por fluido vaginal ou secreção uretral.
( ) Resultados falso-positivos são observados quando o paciente faz uso recente de antimicrobianos e existem focos infecciosos renais fechados.
Provas
Sobre o algoritmo RSA, existem quatro abordagens possíveis, segundo Stallings. Relacione a coluna da direita com a da esquerda e, em seguida, assinale a alternativa correta.
(1) Força bruta ( ) existem várias técnicas, todas equivalentes em esforço a fatorar o produto de dois primos.
(2) Ataques matemáticos ( ) envolve tentar todas as chaves privadas possíveis.
(3) Ataques de temporização ( ) explora as propriedades do algoritmo RSA.
(4) Ataques de texto cifrado escolhido ( ) dependem do tempo de execução do algoritmo de descriptografia.
Provas
Caderno Container