Foram encontradas 1.128 questões.
O pé torto congênito consiste numa deformidade complexa que compromete as estruturas ósseas e partes moles do pé. Os principais movimentos executados pelo pé são: dorsoflexão, flexão plantar, inversão e eversão do pé. Sobre as deformidades do pé, analise as afirmativas abaixo.
I. Pé plano: redução/perda do arco (concavidade) do pé.
II. Pé cavo: aumento do arco (concavidade) do pé.
III. Pé equino: pé mantido em flexão plantar excessiva.
IV. Pé calcâneo: pé mantido em dorsoflexão excessiva.
Estão corretas as afirmativas
Provas
Preencha as lacunas e, em seguida, assinale a alternativa correta.
Considerando que atualmente a fibrilação ventricular é um estado pelo qual passa boa parte dos pacientes em parada cardíaca, recomenda-se a intensidade de um choque inicial, respectivamente de __________ e _________, quando da utilização dos disfibriladores bifásicos e os antigos monofásicos.
Provas
Sobre os mecanismos básicos da corrosão, é incorreto afirmar que
Provas
A anormalidade mais importante da uretra e bexiga relacionada à incontinência urinária de estresse é
Provas
- Gerenciamento de ProcessosCiclo de Vida de Processos
- Gerenciamento de ProcessosEstados dos Processos
Segundo Tanenbaum, são três os estados possíveis de um processo: pronto, em execução e bloqueado. Com relação a esses estados, assinale a alternativa incorreta.
Provas
Preencha a lacuna e, em seguida, assinale a alternativa correta.
A especificação de agente etiológico da gastroenterite _________________________ é o tipo de agente que apresenta associação mais frequente à Síndrome de Guillain Barré.
Provas
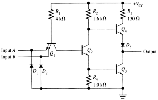
A figura representa um circuito lógico da família TTL (Transistor – Transistor – Logic).Observe.

Considerando a ligação entre os transistores, é correto afirmar que se trata de uma porta lógica
Provas
No que se refere ao Código de Ética Médica, informe se é verdadeiro (V) ou falso (F) o que se afirma abaixo e, em seguida, assinale a alternativa que apresenta a sequência correta.
( ) Em último caso, o médico plantonista poderá atestar óbito, quando não o tenha verificado pessoalmente ou quando não tenha prestado assistência ao paciente.
( ) É lícito ao médico, valendo-se de sua profissão, a participação de anúncios de empresas comerciais.
( ) O médico que cometer falta grave prevista no Código de Ética deverá ter exercício profissional suspenso mediante procedimento administrativo específico.
( ) O médico portador de doença incapacitante para o exercício profissional, apurada pelo Conselho Regional de Medicina em procedimento administrativo com perícia médica, terá seu registro suspenso enquanto perdurar sua incapacidade.
Provas
Analise as afirmativas abaixo.
I. Ao iniciar um tratamento odontológico deve-se fazer um levantamento radiográfico apenas quando ocorrer uma suspeita clínica.
II. A radiografia deve conter toda a região a ser interpretada, abrangendo não só os limites de uma região suspeita, mas também o tecido ósseo normal circunjacente.
III. Na falta de um negatoscópio para interpretação radiográfica, pode-se usar a luz natural de uma janela, desde que seja no horário entre 11:00 e 14:00 horas, em um dia sem nuvem.
IV. O profissional deve ter conhecimento das estruturas anatômicas e de suas variações, assim como o aparecimento de patologias nas imagens radiográficas.
Estão corretas somente as afirmativas
Provas
Em relação à forma de tratamento de lesão cervical não cariosa, baseada na profundidade da lesão, e associada ou não à hipersensibilidade dentinária, é correto afirmar que
Provas
Caderno Container