Foram encontradas 2.095 questões.
Em Geodésia são utilizados, com frequência, os conceitos de datum altimétrico e datum geodésico. Um datum geodésico serve de base para a determinação das coordenadas geodésicas e cartográficas dos pontos do terreno numa dada região. Considerando as características de datum geodésico, julgue as sentenças abaixo em (V), se verdadeiro ou (F), se falso. Em seguida, assinale a alternativa que apresenta a sequência correta.
( ) O datum geodésico global é constituído de um elipsóide de referência, posicionado numa só estação terrestre, cujas coordenadas naturais são determinadas com rigor.
( ) Os data locais e regionais são utilizados com finalidades práticas, tais como o apoio à elaboração de cartografia topográfica.
( ) Os data locais e alguns regionais são estabelecidos pelos organismos oficiais geodésico-cartográficos dos diversos países.
( ) O estabelecimento dos data globais está somente ao alcance das grandes potências (EUA, Rússia) ou das organizações científicas internacionais.
( ) A materialização de um datum geodésico, local, regional ou global, pode ser realizada por intermédio de um ponto do terreno e por um conjunto de parâmetros.
( ) O datum geodésico local é constituído por um elipsóide de referência, posicionado à custa de um grande número de estações astronômicas, distribuídas por todos os continentes da Terra.
Provas
Qual é a concentração da solução resultante da mistura de 20 mL de hidróxido de magnésio 0,1mol/L com 30 mL de hidróxido de magnésio 0,05mol/L?
Provas
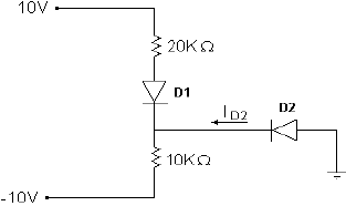
Considerando os diodos do circuito ideais, qual o valor da corrente ID2?

Provas
Sobre os cabos de fibra óptica pode-se dizer que
Provas
Sobre as propriedades farmacológicas das penicilinas, assinale a alternativa correta
Provas
Um motor de indução trifásico é submetido a uma ausência de uma das fases. Determine o acréscimo percentual de corrente em relação ao valor da corrente nominal.
Provas
Informe se é verdadeiro (V) ou falso (F) o que se afirma a seguir e depois assinale a alternativa que apresenta a sequência correta. TORÇÃO DE COULOMB – Quando se considera uma secção axissimétrica (ou seja com simetria radial ) sujeita a momento torsor, podemos dizer que por simetria:
( ) Todas as secções rodam em torno do seu centro.
( ) As secções permanecem circulares.
( ) Qualquer raio permanece reto.
( ) O ângulo entre dois raios é alterado.
Provas
Quanto aos mecanismos de transferência de calor, é correto afirmar que, exceto
Provas
Ao manipular materiais biológicos potencialmente patogênicos, é necessário fazer uma avaliação cuidadosa dos agentes infecciosos para classificá-los e manipulá-los de forma adequada e segura. Portanto, os locais de trabalho devem ser classificados de acordo com o nível de segurança. Deve-se utilizar um nível de segurança classe 3 (alto risco individual e de baixo risco para a comunidade), no trabalho com a bactéria
Provas
Assinale a alternativa que indica o tipo celular originário das células-tronco linfóides.
Provas
Caderno Container