Foram encontradas 569 questões.
Apesar de serem poucos os acidentes graves já registrados, um vazamento de radiação tem consequências extremamente sérias. Ainda assim, a energia nuclear é atualmente responsável por cerca de 6% de toda a energia produzida no planeta.
Constitui uma das razões do uso da energia nuclear:
Provas
Questão presente nas seguintes provas
- Teoria Geral da ConstituiçãoTeoria dos Direitos FundamentaisCaracterísticas dos Direitos Fundamentais
Dentre as garantias dos direitos humanos, são consideradas características dos Direitos e Garantias Fundamentais:
Provas
Questão presente nas seguintes provas
O método geofísico geoelétrico de eletrorresistividade tem aplicabilidade vasta, podendo atender a variados campos de pesquisa científica, como, por exemplo, na Mineração, em mapeamentos de depósitos minerais metálicos e acompanhamento dos impactos hidrogeológicos, causados pela exploração mineral. Sobre o método eletrorresistivo, é correto afirmar:
Provas
Questão presente nas seguintes provas
O ciclo Brayton ideal, que embasa o funcionamento das turbinas a gás, é caracterizado por:
Provas
Questão presente nas seguintes provas
A locação dos pilares P1 e P2 de uma determinada obra foi realizada pelo processo de coordenadas bipolares, através dos vértices A e B do polígono existente, com base nos dados a seguir:
| Ponto |
Coordenadas
(m)
|
|
| X | Y | |
| P1 | 140,00 | 490,00 |
| P2 | 140,00 | 480,00 |
| Alinhamento | Rumo |
Distância (m) |
| AB | 14°02’10”SE | 41,23 |
| AP1 | 75°57’50”SE | 41,23 |
| BP1 | 45°00’00”NE | 42,43 |
| AP2 | 63°26’06”SE | 44,72 |
| BP2 | 56°18’36”NE | 36,05 |
O afastamento em metros e o Rumo entre os pilares P1 e P2 são
Provas
Questão presente nas seguintes provas
Os biofilmes são colônias biológicas com elevado grau de organizações nas quais micro-organismos participam de forma estruturada, coordenada e funcional. Essas comunidades se encontram aderidas a superfícies sólidas, embebidas em matrizes poliméricas extracelulares, secretadas por eles próprios com objetivo de se desenvolverem e se multiplicarem. Podem-se observar biofilmes em tubulações de água, permutadores de calor, em casos de navios e em todos os ambientes naturais.
Levando-se em consideração essas informações sobre biofilmes, sua funcionalidade e características principais, é correto afirmar:
Provas
Questão presente nas seguintes provas

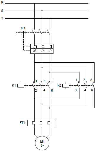
Segundo o circuito de potência apresentado na ilustração, a alternativa correta que descreve os elementos que compõem o circuito em forma ascendente é a
Provas
Questão presente nas seguintes provas

Dado o estado plano de tensões do elemento fundamental, as tensões principais e a máxima tensão de cisalhamento são, respectivamente:
Provas
Questão presente nas seguintes provas

Disponível em: <http://www.google.com.br/imgres?hl=pt-BR&sa=X&tbo=d&biw=790&bih=446&tbm=isch&tbnid=Iprc2yBvQsid5M:
&imgrefurl=http://sosriosdobrasil.blogspot.com/2012/06/as-novas-postagens-da-terca-feira>. Acesso em: 8 jan. 2013.
Analisando-se a imagem em destaque em sua totalidade, tem procedência o que se afirma em:
Provas
Questão presente nas seguintes provas

POR QUE a gente faz... Disponível em: <http://colunistas.ig.com.br/cip/tag/responsabilidade-social/>. Acesso em: 7 jan. 2013.
A palavra “só”, em todas as ocorrências no texto publicitário, explicita ideia de
Provas
Questão presente nas seguintes provas
Cadernos
Caderno Container