Foram encontradas 940 questões.
No que refere às distinções entre taxa e tarifa como modalidades de remuneração do serviço público pelo usuário, é CORRETO afirmar:
Provas
Questão presente nas seguintes provas
Considerando a disciplina do poder-dever de autotutela da Administração Pública, pode ser considerada integralmente correta a afirmativa:
Provas
Questão presente nas seguintes provas
- Agentes PúblicosCargos, Empregos e Funções PúblicasAcumulação de Cargos, Empregos e Funções Públicas
Um empregado de sociedade de economia mista pode cumular seu emprego com outro emprego, cargo ou função pública?
Provas
Questão presente nas seguintes provas
Sobre as empresas públicas e sociedades de economia mista, é CORRETO afirmar que
Provas
Questão presente nas seguintes provas
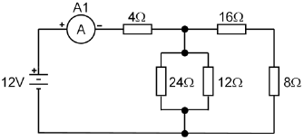
Considerando que a resistência do amperímetro A1 do circuito abaixo é nula, a corrente medida pelo mesmo é:

Provas
Questão presente nas seguintes provas
READ THE FOLLOWING TEXT AND CHOOSE THE OPTION WHICH BEST COMPLETES EACH QUESTION ACCORDING TO IT:
Saving Energy
Just a century ago, humans used very little energy because we had less of the things that consume it. There were no computers, phones, TV, cars, lights, washing machines and all that. After the industrial revolution, people started using a lot more manufactured items such as electronics, automobiles, and home appliances. These items use a lot of energy, but if we all cut its use by half, that would be huge savings, and make a great difference.
Saving energy can be achieved in different ways: 1. Energy conservation, 2. Energy Efficiency, and 3. Recycling. These first two are not the same, even though people often use them to mean the same thing.
1- Energy Conservation: This is the practice that results in less energy being used. For instance, turning the taps, computers, lights, and TV off when not in use. It also includes running in the park or outside instead of running on the treadmill in the gym. Energy conservation is great because we can all do this everywhere and anytime. It is a fundamental behavior we must acquire.
2- Energy Efficiency: This is the use of manufacturing techniques and technology to produce things that use less energy for the same result. For example, if a heater is designed to warm your home with less energy than regular heaters, that would be an energy efficient heater. If your washing machine uses less energy to do the same job as other washers, that is an energy efficient washer. An interesting fact is that homes built in the U.S. after 2000 are about 30% bigger, but they use less energy than older homes.
3- Recycling: This involves the use of waste or old materials to make new ones, like collecting all old newspapers from the town at the end of every day and turning the papers into fresh paper for printing again. We can collect all plastic bottles and send them to be used for new plastic bottles or used for children plastic toys. Recycling saves energy because less energy is used to recycle than to turn new raw materials into new products.
This means that to save energy, we should use all these great ways. If we all try to do this, together we can save some money and use less natural resources too.
(Adapted from: https://goo.gl/AyZdzW. Access: 01/30/2018)
The modal verb should in “we should use all these great ways” (paragraph 6) indicates that the author wants to
Provas
Questão presente nas seguintes provas
READ THE FOLLOWING TEXT AND CHOOSE THE OPTION WHICH BEST COMPLETES EACH QUESTION ACCORDING TO IT:
Saving Energy
Just a century ago, humans used very little energy because we had less of the things that consume it. There were no computers, phones, TV, cars, lights, washing machines and all that. After the industrial revolution, people started using a lot more manufactured items such as electronics, automobiles, and home appliances. These items use a lot of energy, but if we all cut its use by half, that would be huge savings, and make a great difference.
Saving energy can be achieved in different ways: 1. Energy conservation, 2. Energy Efficiency, and 3. Recycling. These first two are not the same, even though people often use them to mean the same thing.
1- Energy Conservation: This is the practice that results in less energy being used. For instance, turning the taps, computers, lights, and TV off when not in use. It also includes running in the park or outside instead of running on the treadmill in the gym. Energy conservation is great because we can all do this everywhere and anytime. It is a fundamental behavior we must acquire.
2- Energy Efficiency: This is the use of manufacturing techniques and technology to produce things that use less energy for the same result. For example, if a heater is designed to warm your home with less energy than regular heaters, that would be an energy efficient heater. If your washing machine uses less energy to do the same job as other washers, that is an energy efficient washer. An interesting fact is that homes built in the U.S. after 2000 are about 30% bigger, but they use less energy than older homes.
3- Recycling: This involves the use of waste or old materials to make new ones, like collecting all old newspapers from the town at the end of every day and turning the papers into fresh paper for printing again. We can collect all plastic bottles and send them to be used for new plastic bottles or used for children plastic toys. Recycling saves energy because less energy is used to recycle than to turn new raw materials into new products.
This means that to save energy, we should use all these great ways. If we all try to do this, together we can save some money and use less natural resources too.
(Adapted from: https://goo.gl/AyZdzW. Access: 01/30/2018)
The word ones in “to make new ones” (paragraph 5) refers to
Provas
Questão presente nas seguintes provas
READ THE FOLLOWING TEXT AND CHOOSE THE OPTION WHICH BEST COMPLETES EACH QUESTION ACCORDING TO IT:
Saving Energy
Just a century ago, humans used very little energy because we had less of the things that consume it. There were no computers, phones, TV, cars, lights, washing machines and all that. After the industrial revolution, people started using a lot more manufactured items such as electronics, automobiles, and home appliances. These items use a lot of energy, but if we all cut its use by half, that would be huge savings, and make a great difference.
Saving energy can be achieved in different ways: 1. Energy conservation, 2. Energy Efficiency, and 3. Recycling. These first two are not the same, even though people often use them to mean the same thing.
1- Energy Conservation: This is the practice that results in less energy being used. For instance, turning the taps, computers, lights, and TV off when not in use. It also includes running in the park or outside instead of running on the treadmill in the gym. Energy conservation is great because we can all do this everywhere and anytime. It is a fundamental behavior we must acquire.
2- Energy Efficiency: This is the use of manufacturing techniques and technology to produce things that use less energy for the same result. For example, if a heater is designed to warm your home with less energy than regular heaters, that would be an energy efficient heater. If your washing machine uses less energy to do the same job as other washers, that is an energy efficient washer. An interesting fact is that homes built in the U.S. after 2000 are about 30% bigger, but they use less energy than older homes.
3- Recycling: This involves the use of waste or old materials to make new ones, like collecting all old newspapers from the town at the end of every day and turning the papers into fresh paper for printing again. We can collect all plastic bottles and send them to be used for new plastic bottles or used for children plastic toys. Recycling saves energy because less energy is used to recycle than to turn new raw materials into new products.
This means that to save energy, we should use all these great ways. If we all try to do this, together we can save some money and use less natural resources too.
(Adapted from: https://goo.gl/AyZdzW. Access: 01/30/2018)
What is interesting about homes built in the U.S. after 2000?
Provas
Questão presente nas seguintes provas
READ THE FOLLOWING TEXT AND CHOOSE THE OPTION WHICH BEST COMPLETES EACH QUESTION ACCORDING TO IT:
Saving Energy
Just a century ago, humans used very little energy because we had less of the things that consume it. There were no computers, phones, TV, cars, lights, washing machines and all that. After the industrial revolution, people started using a lot more manufactured items such as electronics, automobiles, and home appliances. These items use a lot of energy, but if we all cut its use by half, that would be huge savings, and make a great difference.
Saving energy can be achieved in different ways: 1. Energy conservation, 2. Energy Efficiency, and 3. Recycling. These first two are not the same, even though people often use them to mean the same thing.
1- Energy Conservation: This is the practice that results in less energy being used. For instance, turning the taps, computers, lights, and TV off when not in use. It also includes running in the park or outside instead of running on the treadmill in the gym. Energy conservation is great because we can all do this everywhere and anytime. It is a fundamental behavior we must acquire.
2- Energy Efficiency: This is the use of manufacturing techniques and technology _______ produce things that use less energy for the same result. For example, if a heater is designed to warm your home with less energy than regular heaters, that would be an energy efficient heater. If your washing machine uses less energy to do the same job as other washers, that is an energy efficient washer. An interesting fact is that homes built in the U.S. after 2000 are about 30% bigger, but they use less energy than older homes.
3- Recycling: This involves the use of waste or old materials to make new ones, like collecting all old newspapers from the town at the end of every day and turning the papers into fresh paper for printing again. We can collect all plastic bottles and send them to be used for new plastic bottles or used for children plastic toys. Recycling saves energy because less energy is used to recycle than to turn new raw materials into new products.
This means that to save energy, we should use all these great ways. If we all try to do this, together we can save some money and use less natural resources too.
(Adapted from: https://goo.gl/AyZdzW. Access: 01/30/2018)
This is the use of manufacturing techniques and technology _______ produce things that use less energy for the same result.
What is the best word to complete this sentence? (paragraph 4)
Provas
Questão presente nas seguintes provas
READ THE FOLLOWING TEXT AND CHOOSE THE OPTION WHICH BEST COMPLETES EACH QUESTION ACCORDING TO IT:
Saving Energy
Just a century ago, humans used very little energy because we had less of the things that consume it. There were no computers, phones, TV, cars, lights, washing machines and all that. After the industrial revolution, people started using a lot more manufactured items such as electronics, automobiles, and home appliances. These items use a lot of energy, but if we all cut its use by half, that would be huge savings, and make a great difference.
Saving energy can be achieved in different ways: 1. Energy conservation, 2. Energy Efficiency, and 3. Recycling. These first two are not the same, even though people often use them to mean the same thing.
1- Energy Conservation: This is the practice that results in less energy being used. For instance, turning the taps, computers, lights, and TV off when not in use. It also includes running in the park or outside instead of running on the treadmill in the gym. Energy conservation is great because we can all do this everywhere and anytime. It is a fundamental behavior we must acquire.
2- Energy Efficiency: This is the use of manufacturing techniques and technology to produce things that use less energy for the same result. For example, if a heater is designed to warm your home with less energy than regular heaters, that would be an energy efficient heater. If your washing machine uses less energy to do the same job as other washers, that is an energy efficient washer. An interesting fact is that homes built in the U.S. after 2000 are about 30% bigger, but they use less energy than older homes.
3- Recycling: This involves the use of waste or old materials to make new ones, like collecting all old newspapers from the town at the end of every day and turning the papers into fresh paper for printing again. We can collect all plastic bottles and send them to be used for new plastic bottles or used for children plastic toys. Recycling saves energy because less energy is used to recycle than to turn new raw materials into new products.
This means that to save energy, we should use all these great ways. If we all try to do this, together we can save some money and use less natural resources too.
(Adapted from: https://goo.gl/AyZdzW. Access: 01/30/2018)
The reason why energy conservation is great is that
Provas
Questão presente nas seguintes provas
Cadernos
Caderno Container