Foram encontradas 1.000 questões.
O capacitor do circuito abaixo encontra-se descarregado com a chave inicialmente aberta.

Se o capacitor da figura fica plenamente carregado após um tempo correspondente a 5 constantes de tempo do fechamento da chave, pode-se afirmar que:
Provas
- Medidas ElétricasTransformadores para instrumentos, Transformador de potencial e Transformador de corrente
Sobre as diferenças entre TCs aplicados à medição e para a proteção, é correto afirmar que:
1. Admite-se uma precisão menor nos TCs de proteção, uma vez que importa mais o desempenho da detecção adequada de um curto- -circuito do que a medida a mais exata possível do nível deste curto, para esta aplicação.
2. TCs de medição devem manter sua precisão para correntes de carga usualmente esperadas, devendo assim seus núcleos magnéticos saturarem propositalmente durante curtos- -circuitos, assegurando assim a proteção dos equipamentos de medição nestas ocorrências.
3. O núcleo magnético de TCs de proteção possuem grande seção transversal, quando comparados aos núcleos dos TCs de medição, o que garante a não saturação deste durante um curto-circuito e consequente mascaramento desta falta para os dispositivos de proteção instalados no secundário, responsáveis pela detecção e comando da atuação.
4. Por conta das diferenças apontadas nos itens anteriores, não é possível a construção de um TC que possa atender a ambas funcionalidades (medição e proteção), devendo assim ser sempre segregados, conforme a funcionalidade desejada.
Assinale a alternativa que indica todas as afirmativas corretas.
Provas
O Sistema de Bandeiras Tarifárias, instituído desde 2015 a fim de adicionar ou não acréscimo na conta de energia em função das condições de geração, possui as seguintes características:
1. Para facilitar o entendimento do consumidor quanto à inclusão ou não do acréscimo, as bandeiras tarifárias são identificadas por cores iguais aos de um semáforo, sendo faturados todos os consumidores cativos das distribuidoras que operam em território nacional.
2. Se um banho de 5 minutos por dia em um chuveiro elétrico de 7,5 kW vai impactar em um aumento de R$ 0,1875 na conta mensal de energia em um período sob bandeira amarela (considerando um mês com 30 dias de consumo), pode-se afirmar que o acréscimo nesta bandeira é de R$ 0,01 por kWh.
3. Se o perfil de uso do chuveiro for igual ao do item anterior, mas em período de bandeira vermelha, a adição na conta mensal será de 200 % em patamar 1, correspondendo a um acréscimo de R$ 0,05 por kWh.
Assinale a alternativa que indica todas as afirmativas corretas.
Provas
Uma instalação elétrica consiste em possibilitar que o ponto de iluminação P1 possa ser ligado ou desligado de qualquer dos três interruptores abaixo, sendo 2 do tipo paralelo (three-way) e 1 do tipo four-way.
A partir das letras que identificam os terminais dos componentes envolvidos abaixo:

Assinale a alternativa que indica a opção abaixo que não viabiliza a possibilidade requerida.
Provas
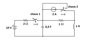
O circuito abaixo se encontrava em regime estacionário por um bom tempo, antes do fechamento da chave 1 e da retirada da fonte de corrente pela ação da chave 2 (Obs: a transição da chave 2 é tal que a fonte de corrente não fica aberta).

O valor de dvC/dt no instante imediatamente após o fechamento da chave 1 e retirada da fonte de corrente pela chave 2 (t = 0+) é:
Provas
- Transformadores e Máquinas ElétricasPrincípios BásicosPerdas, rendimento, torque, potência, ângulo de potência e funcionamento geral
A reversão da rotação de um motor de indução trifásico alimentado pela sequência de fases ABC será possível para a(s) seguinte(s) sequência(s):
1. ACB e BAC.
2. CBA e CAB.
3. BCA e BAC.
Assinale a alternativa que indica todas as afirmativas corretas.
Provas
Sobre os efeitos de harmônicas nos componentes do sistema elétrico, analise as afirmativas abaixo:
1. A presença de harmônicas no fluxo magnético de motores pode implicar a existência de componentes de torque em oposição ao torque produzido pela componente fundamental, afetando assim o torque disponível.
2. Em transformadores, tem-se a ampliação dos efeitos de reatância de dispersão, uma vez que seu valor aumenta com a frequência, embora não se identifique um aumento nas perdas no ferro e no cobre devido à presença de harmônicas.
3. Pode haver níveis excessivos de tensão ou corrente em capacitores, devido à ocorrência de ressonâncias induzidas pelas harmônicas.
4. Os equipamentos voltados para aquecimento (carga resistiva) estão entre os mais sensíveis às distorções da forma de onda que alimentam tais equipamentos devido às harmônicas.
Assinale a alternativa que indica todas as afirmativas corretas.
Provas
Uma bateria de 12 V e 48 Ah deverá ser capaz de suprir as necessidades de uma carga por 3 horas ininterruptas.
Assinale a opção de carga na qual não é possível garantir tal autonomia:
Provas
O efeito de disruptura que ocorre em linhas de transmissão de energia quando são atingidos campos elétricos suficientemente elevados de forma a ionizar o meio isolante em volta, conhecido por Corona, constitui fonte de:
1. Rádio interferência nas faixas de transmissão em amplitude modulada (AM), intensificada pela presença de umidade e precipitações.
2. Ruído audível em frequências abaixo de 20 kHz, ocasionando poluição sonora.
3. Geração de ozônio e óxido de nitrogênio, gases que em altas concentrações afetam a biosfera.
Assinale a alternativa que indica todas as afirmativas corretas.
Provas
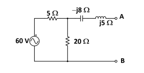
Analise o circuito abaixo:

Com a fonte de tensão do circuito com módulo igual a 60 Volts eficazes, o módulo da tensão eficaz de Thévenin e a impedância de Thévenin visto dos terminais A e B do circuito abaixo corresponde a:
Provas
Caderno Container