Foram encontradas 1.000 questões.
Um projetista de uma subestação conta com diferentes arranjos ou topologias para que se possam atender certos requisitos de disponibilidade, manutenção sem comprometer o fornecimento, flexibilidade operacional e custo. Considere que um determinado arranjo possui as seguintes características:
1. Possui duas barras, sendo uma usada em situações de manutenção ou emergência.
2. Requer um disjuntor extra para conexão com a outra barra, que pode receber o trip de um relé de entrada de linha com a função 43.
3. As manobras são relativamente complicadas quando se deseja colocar um disjuntor em manutenção.
4. Possui uma chave de by-pass, normalmente aberta, associada ao disjuntor de entrada de linha.
A topologia que é descrita pelas características acima é a de:
Provas
A respeito da partida de motores síncronos, analise as afirmativas abaixo:
1. Motores síncronos não partem devido à rápida variação posicional do campo girante da armadura em relação ao campo do rotor, inicialmente estático, não havendo assim a produção de torque de partida efetivo.
2. Uma forma de dar partida é a presença de enrolamentos amortecedores no rotor que funcionam como uma gaiola de esquilo em um motor de indução. Desta forma, motores síncronos partem como um motor de indução e, chegando próximo da velocidade síncrona, com o estabelecimento do campo no rotor, alcançam o sincronismo, não havendo mais correntes induzidas nos enrolamentos amortecedores.
3. Uma outra forma de se impor o posicionamento relativo do campo do rotor sincronizado com o campo girante da armadura e consequentemente dar partida neste motor, é pelo uso de uma máquina motriz externa acoplada ao eixo do motor síncrono, eliminando assim a velocidade relativa do campo do rotor com o campo girante da armadura. Alcançado o sincronismo, a máquina externa pode ser desacoplada.
4. Pode-se acionar um motor síncrono para fins de partida através da alimentação da armadura do mesmo por um inversor de frequência.
Assinale a alternativa que indica todas as afirmativas corretas.
Provas
Sobre a configuração do mercado, comercialização e regulação da energia elétrica, analise as peculiaridades apontadas abaixo:
1. Todos os consumidores com demandas maiores ou iguais a 3 MW devem ser supridos diretamente e exclusivamente por Produtores Independentes de Energia (PIEs) através do Ambiente de Contratação Livre (ACL), sendo o preço de liquidação das diferenças (PLD) a base geral da comercialização da energia, determinado somente pela oferta e demanda.
2. A venda de energia no Ambiente de Contratação Regulado (ACR), do qual participam as distribuidoras, ocorre através de leilões, com baixo nível de regulação, fazendo com que o modelo setorial brasileiro dê ampla liberdade de compra aos distribuidores de energia, garantindo a modicidade tarifária ao consumidor cativo.
3. Os agentes vendedores podem construir sua estratégia de venda em qualquer um dos ambientes de contratação, promovendo a ampla competição no processo de geração de energia elétrica, ao contrário do lado consumidor, cuja competição é restrita aos consumidores que podem negociar livremente no ACL.
4. A aquisição de energia através de leilões específicos para o ACR se dá na modalidade dos leilões de energia de empreendimentos existentes e de leilões de novos empreendimentos de geração, estes últimos voltados à contratação de energia para atendimento das demandas futuras das empresas de distribuição.
Assinale a alternativa que indica todas as afirmativas corretas.
Provas
Dentre as funções de proteção do relé necessárias ao acesso à rede da distribuidora, por autoprodutor de energia, a função que é dispensada, quando a venda de energia excedente é autorizada pela ANEEL, corresponde a:
Provas
- Transformadores e Máquinas ElétricasMáquinas EstáticasTransformadores Trifásicos e Autotransformadores
Um de três transformadores de 50 kVA cada, ligados na configuração triângulo – triângulo, teve que ser removido para manutenção, ficando os dois remanescentes conectados em V ou delta aberto.
Nessa condição:
1. Os dois transformadores remanescentes exigirão uma redução de 66,6 % na carga nominal instalada (150 kVA) para operarem adequadamente.
2. A máxima capacidade de carga dos dois transformadores será de 86,6 kVA.
3. Após reestabelecimento do transformador removido e da conexão delta – delta, haverá um incremento de 73 % na capacidade em relação à condição anterior, na conexão delta aberto.
Assinale a alternativa que indica todas as afirmativas corretas.
Provas
A chegada da energia elétrica aos consumidores é providenciada pelo sistema de distribuição, o qual se pode caracterizar na forma como descrita abaixo:
1. As redes convencionais aéreas se caracterizam por possuírem condutores nus sob isoladores, fixados em cruzetas de concreto e madeira em postes distribuídos pelos logradouros das cidades, sendo as mais utilizadas por terem menores taxas de falhas e assim requisitarem menos intervenções para manutenção.
2. As redes convencionais compactas possuem condutores isolados e separados por espaçadores, sendo o conjunto sustentado por um cabo mensageiro de aço, o que colabora para a redução na taxa de falhas e de intervenções, com redução nas taxas de DEC e FEC, dentre outros benefícios.
3. As redes subterrâneas são aquelas que apresentam os melhores resultados em termos de falhas, segurança, continuidade de serviço e custos de implantação e manutenção, a despeito dos efeitos estéticos obtidos.
4. Redes com topologia em anel são mais confiáveis que as de topologia radial, uma vez que a remoção de qualquer disjuntor para a manutenção não implica interrupção na carga. Contudo, nessa situação, o anel estará aberto, devendo o restante do barramento e os disjuntores ativos remanescentes suportarem toda a carga.
Assinale a alternativa que indica todas as afirmativas corretas.
Provas
- Sistemas Elétricos de PotênciaDistribuição de Energia ElétricaManutenção, Construção e Equipamentos de distribuição
Relacione abaixo os equipamentos componentes de uma rede de distribuição de energia elétrica com suas respectivas caraceterísticas.
Coluna 1 Equipamentos
1. Seccionador automático.
2. Regulador de tensão.
3. Banco de capacitores.
4. Religador automático.
Coluna 2 Características
( ) Elevam o nível de tensão na carga, liberando os geradores para fornecimento de mais potência ativa ao sistema.
( ) Segrega determinado trecho de um ramal alimentador, sendo um equipamento de proteção automático, utilizado sempre em conjunto com outro equipamento de proteção, uma vez que não é capaz de interromper correntes de curto-circuito.
( ) Equipamento de interrupção da corrente elétrica dotado de determinada capacidade de repetição em operações de abertura e fechamento de um circuito, durante a ocorrência de uma falta.
( ) Preserva a qualidade do fornecimento de energia, mantendo a tensão sob condição de carga, quando o sistema elétrico é submetido a variações de tensão fora dos limites especificados.
Assinale a alternativa que indica a sequência correta, de cima para baixo.
Provas
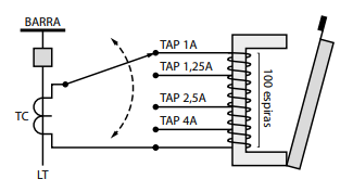
O circuito magnético de um relé eletromecânico do tipo alavanca é constituído de uma bobina com alguns taps, o que permite o ajuste de corrente do dispositivo, como mostrado abaixo.

Fonte: Adaptado de KINDERMAN, G. Proteção de Sistemas Elétricos de Potência. 3 ed. Florianópolis: 2012.
Se ao variar o tap o fluxo magnético no circuito produzir a mesma força de atração na alavanca do relé, a quantidade de espiras para os taps de 1,25/ 2,5/ 4 A deve ser:
Provas
Os preceitos da NBR 5410/2004 não se aplicam a instalações elétricas destinadas a:
Provas
A potência do vento incidente na área circular do rotor de um gerador eólico é dada por:
Pvento = 2 ρSv 3
onde:
ρ = densidade do ar [kg/m3];
S = área varrida pelo rotor [m2];
v = velocidade do vento [m/s].
Se para uma dada velocidade de vento, um gerador de três pás tem coeficiente de conversão de 48 %, enquanto um gerador de duas pás converte apenas um terço do vento incidente, o tamanho das pás do aerogerador de duas pás para que este produza uma potência 20 % maior que o aerogerador de três pás deve ser:
Provas
Caderno Container