Foram encontradas 1.000 questões.
A um engenheiro foi atribuída a tarefa de avaliar as vantagens econômicas na aquisição de isoladores para a rede de subtransmissão e distribuição de energia elétrica. Os fornecedores deste componente só aceitam encomendas por cadeia de isoladores.
Na realização da tarefa, o engenheiro levantou as seguintes informações:
Tipo de Isolador | Diâmetro (mm) | Função custo (R$) por número de isoladores (N) | No de isoladores por cadeia em função da tensão Vff , em kV |
A | 152 | N2 | 0,1 × Vff |
B | 254 | 100∙N + 20000 | 0,0666 × Vff |
Processando estas informações, o engenheiro concluiu em seu relatório que:
1. Na parte da rede operando a 13,8 kV, não há vantagem na aquisição do isolador do tipo A para aquisições de até 200 cadeias deste tipo que envolvam uma obrigação de acréscimo de até 12,5% a mais de cadeias de isoladores sobressalentes.
2. Na parte da rede operando a 34,5 kV, não há vantagem no uso do isolador tipo B se o número de cadeias a serem adquiridas forem menores ou iguais a 112.
3. Na parte da rede operando a 69 kV, só é vantagem para uso do isolador tipo B se a rede requisitar mais de 64 cadeias do tipo A e o pedido incluir ao menos 25 ou mais cadeias do isolador tipo B a título de sobressalentes.
Assinale a alternativa que indica todas as afirmativas corretas.
Provas
Assinale a alternativa que descreve corretamente uma característica do modelo estrutural do setor elétrico a partir de 1995.
Provas
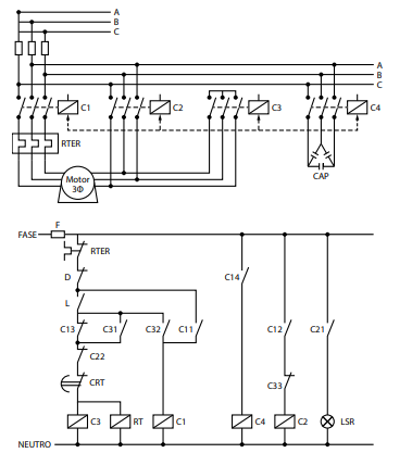
São apresentados abaixo os diagramas de força e comando para o acionamento de motor de indução trifásico através de uma chave estrela-triângulo.

Fonte: Adaptado de MAMEDE FILHO, J. Manual de Equipamentos Elétricos. 3 ed. Rio de Janeiro: LTC, 2005.
LEGENDA
C1, C2, C3, C4 – Contatores; C11, C21, … – Contatos auxiliares dos contatores C1, C2, …; RT – Relé de tempo; L – Botoeira liga; D – Botoeira desliga; CRT – Contato do relé de tempo; LSR – Lâmpada de sinalização; RTER – Relé térmico; F – Fusível; CAP - Capacitor.
Assinale a alternativa correta em relação a esses diagramas:
Provas
Uma carga importante conectada à barra 2 é alimentada pela barra 1 através de uma linha de transmissão (LT 12). A fim de aumentar a confiabilidade do fornecimento a esta carga, cogita-se a ligação da barra 2 à barra 3 através de uma nova linha de transmissão (LT23), com extensão de 28 km, representada de forma tracejada no desenho esquemático abaixo.

Se a disponibilidade oferecida por cada linha de transmissão for de 99%, e desconsiderando-se a disponibilidade dos demais componentes e equipamentos envolvidos, é correto afirmar que:
1. Após a implantação da nova linha de transmissão (LT 23), a quantidade de horas prevista de interrupção do fornecimento à carga não ultrapassará 4 horas.
2. Se o custo da linha de transmissão é de R$ 62.000,00/ km e o prejuízo por uma interrupção de fornecimento à carga por 8 horas é de R$ 5 milhões, ainda assim o investimento na nova linha de transmissão superará os custos da interrupção na nova configuração, inviabilizando o projeto.
3. Mesmo que o custo da linha fosse maior que o custo da indisponibilidade na nova configuração, é possível que este investimento se pague pelo grande saldo positivo entre o custo da indisponibilidade na configuração atual e o custo da interrupção devido a nova configuração, tendo por base o custo do prejuízo por uma interrupção de fornecimento à carga apontado em II.
4. Para a configuração atual (sem a LT 23), a indisponibilidade total pode ser mais bem estimada em meses do que em horas ou dias de interrupção.
Assinale a alternativa que indica todas as afirmativas corretas.
Provas
- Transformadores e Máquinas ElétricasPrincípios BásicosPerdas, rendimento, torque, potência, ângulo de potência e funcionamento geral
Uma subestação dotada de um transformador de 500 kVA necessita ser ampliada para satisfazer um aumento de carga para 700 kVA, através da colocação de um segundo transformador em paralelo ao transformador original.
O transformador que se encontra disponível para esta ampliação possui uma potência nominal de 300 kVA:
1. Se os transformadores cumprirem os requisitos de mesmas tensões primárias, relações de transformação, impedâncias, defasagens angulares e grupos de ligação, o transformador original trabalhará com 100 % de sua capacidade nominal, enquanto o novo transformador operará com 66,6 % de sua capacidade, para atender o novo perfil de carga.
2. Se os transformadores tiverem impedâncias diferentes, o transformador de 500 kVA proverá mais de 62,5 % da nova carga, caso sua impedância percentual seja maior que a impedância percentual do transformador de 300 kVA.
3. Se os transformadores tiverem impedâncias diferentes, o transformador de 300 kVA proverá mais de 37,5 % da nova carga, caso sua impedância percentual seja menor que a impedância percentual do transformador de 500 kVA.
4. Se os transformadores cumprirem os requisitos de mesmas tensões primárias, relações de transformação, impedâncias, defasagens angulares e grupos de ligação, os transformadores terão a mesma sobrecarga de 6,25 %, para o caso de um acréscimo momentâneo de 50 kVA acima da capacidade total suprida pelos dois transformadores.
Assinale a alternativa que indica todas as afirmativas corretas.
Provas
No último dia 21 de dezembro de 2017 foi inaugurada a primeira linha de transmissão de 800 kV UHVDC (Ultrahigh Voltage Direct Current) da América Latina. Trata-se do sistema de transmissão Xingu-Rio, com mais de 2.500 quilômetros de extensão, entregando a energia produzida pela Usina Hidrelétrica de Belo Monte ao sudeste do país. Sobre este sistema, é correto afirmar que:
1. A transmissão UHVDC é mais vantajosa economicamente para a extensão da linha, uma vez que se tem a redução na quantidade de elementos (isoladores, cabos, ancoragens, etc.) que seriam utilizados se a transmissão fosse UHVAC, a despeito da necessidade de uma estação conversora em cada ponta.
2. Pelo comprimento da linha de transmissão, faz-se necessário considerar as reatâncias indutivas série e capacitivas shunt da linha, além da condutância shunt, na modelagem elétrica desta, para efeito dos estudos de fluxo de potência.
3. Além de oferecer menores perdas, a adoção desta nova tecnologia de transmissão em UAT (Ultra Alta Tensão) foi motivada pela necessidade de compatibilizar a frequência das unidades geradoras de Belo Monte com a frequência padronizada do SIN, a exemplo do que motivou a implantação da linha DC em 500 kV que entrega ao sudeste energia produzida pela Usina de Itaipu.
Assinale a alternativa que indica todas as afirmativas corretas.
Provas
Uma sala com 7 × 5 metros, voltada para uma atividade laboral requisitando 500 lux, deverá ser iluminada com lâmpadas de LED de 10 W e 800 lúmens.
Se o fator de utilização do recinto for 0,5 e o fator de depreciação da luminária for 0,5, qual característica adequada o sistema de iluminação deve possuir para atender aos requisitos do projeto luminotécnico da referida sala?
1. 22 luminárias com 4 lâmpadas do tipo por luminária, demandando uma potência não superior a 800 W, se o fator de potência de cada lâmpada for unitário.
2. A corrente de projeto não será superior a 5 A, caso o circuito de iluminação compartilhe duto com mais outro circuito (fator de correção de agrupamento de 0,8) e o fator de potência da lâmpada for unitário.
3. Um circuito de iluminação monofásico empregando condutor de PVC instalado em eletroduto de seção circular embutido em alvenaria e com seção transversal mínima para circuitos de iluminação, conforme exigência da NBR 5410/2004, desde que não incidam os fatores de correção de temperatura e agrupamento.
4. A corrente de projeto será superior a 5 A e inferior a 10 A, para lâmpadas com fator de potência igual a 0,5, acarretando na adoção de seção acima da minimamente exigida pela NBR 5410/2004 para circuitos de iluminação, considerando o uso de condutores de PVC em eletroduto de seção circular embutido em alvenaria, sem incidência dos fatores de correção de temperatura e agrupamento.
Assinale a alternativa que indica todas as afirmativas corretas.
Provas
Um sistema de aterramento será baseado em três hastes cravadas em triângulo com lado de 2 metros, o qual adota o índice de redução dado pelas curvas do gráfico abaixo.

Fonte: Adaptado de KINDERMAN, G. CAMPAGNOLO, J. M.
Aterramento Elétrico. 6 ed. Florianópolis: 2011.
Sobre este sistema, é correto afirmar que:
1. A contribuição da resistência individual da haste poderá ser até 25% maior para o caso de se empregarem hastes de 1,2 m de comprimento e diâmetro de ½” no lugar de hastes de 3 m de comprimento e 1” de diâmetro, para uma dada resistência do sistema de aterramento requerida, segundo gráfico acima.
2. A resistência do sistema de aterramento será inferior à metade da resistência individual da haste, para espaçamentos maiores que 2 metros, independentemente da haste adotada, segundo gráfico acima.
3. Sendo a resistência individual da haste de 1,2 m de comprimento e diâmetro de ½” aproximadamente 2,4 vezes maior que a da haste de 3 m de comprimento e 1” de diâmetro, para um mesmo solo, a resistência do sistema de aterramento será 3 vezes maior, caso seja adotado o primeiro tipo de haste em detrimento do segundo tipo de haste.
4. Sendo a resistência individual da haste de 1,2 m de comprimento e diâmetro de ½” aproximadamente 2,4 vezes maior que a da haste de 3 m de comprimento e 1” de diâmetro, pode-se empregar este último tipo em um solo 92 % mais resistivo que um solo no qual foi adotada a haste de 1,2 m e ½”, para que ambas hastes resultem na mesma resistência do sistema de aterramento requerida, pois a resistência de uma haste é diretamente proporcional à resistividade do solo.
Assinale a alternativa que indica todas as afirmativas corretas.
Provas
Com relação às possibilidades de partida estrela- -triângulo de motores de indução trifásicos, de acordo com suas respectivas tensões nominais de placa, analise as situações descritas abaixo:
1. Para um motor cujas tensões de placa são 220/380 V, a partida estrela-triângulo será possível se a tensão da rede for 220 V.
2. Para um motor cujas tensões de placa são 220/380/440 V, a partida estrela-triângulo será possível se a tensão da rede for 380 V.
3. Para um motor cujas tensões de placa são 380/660 V, a partida estrela-triângulo será possível se a tensão da rede for 380 V.
4. Para um motor cujas tensões de placa são 220/380/440/760 V, a partida estrela-triângulo será possível se a tensão da rede for 380 V.
Assinale a alternativa que indica todas as afirmativas corretas.
Provas
Analise a forma de onda da tensão abaixo:

Essa forma de onda possui nível DC médio e frequência, respectivamente, igual a:
Provas
Caderno Container