Foram encontradas 485 questões.
Suponha que um circuito utilizará dois capacitores de mesmo valor, 400mF. Sua capacitância equivalente, em série e em paralelo, respectivamente, é:
Provas
Em um circuito, uma carga resistiva de 500Ω é ligada a um equipamento, utilizando dois terminais identificados como A e B. Ao retirar a carga, foi medida uma tensão de 7V, usando um voltímetro ideal, entre os terminais A e B. Em seguida, ainda sem a carga, foi ligado um amperímetro ideal entre os terminais A e B e medida uma corrente de 3,5mA. A resistência equivalente do equipamento é:
Provas
Na operação de um único amplificador de potência, a corrente de coletor circula durante 180° do sinal de entrada naqueles de classe:
Provas
Ao aumentar o ângulo de disparo de um retificador monofásico de onda completa, a tensão eficaz:
Provas
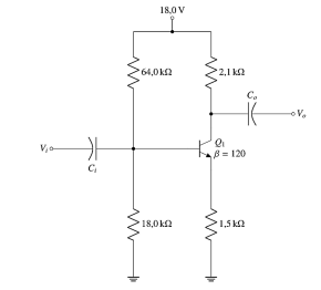
Considere o circuito de polarização do transistor da figura 2: Figura 2

A reta de carga cruza o eixo IC da curva de saída desse circuito no ponto:
Provas
Um retificador de meia onda alimenta uma carga resistiva com uma tensão senoidal eficaz de 15V. A fonte de tensão alternada ligada nesse retificador tem tensão de pico de:
Provas
Considere a ponte de Wheatstone da figura 1: Figura 1

Sabendo que o amperímetro ideal mede uma corrente de 0A, o valor do resistor R é:
Provas
Disciplina: Direito da Criança e do Adolescente
Banca: SELECON
Orgão: CEFET-RJ
Ao adolescente empregado, aprendiz, em regime familiar de trabalho, aluno de escola técnica, assistido em entidade governamental ou não governamental, é vedado trabalho:
Provas
Disciplina: Direito da Criança e do Adolescente
Banca: SELECON
Orgão: CEFET-RJ
De acordo com o Estatuto da Criança e do Adolescente, é proibida a venda à criança ou ao adolescente de:
Provas
O aumento da violência e da indisciplina, sobretudo nas escolas das grandes cidades, tem dificultado sobremaneira a aprendizagem dos alunos e o trabalho dos professores, gerando uma atitude de desânimo diante do magistério, revelada pelo alto índice de absenteísmo dos docentes e pelas reiteradas licenças para tratamento de saúde. Esse aumento reflete não só a violência das sociedades contemporâneas, mas também a violência simbólica da cultura da escola que:
Provas
Caderno Container