Foram encontradas 600 questões.
Analise as afirmativas, marque V para as verdadeiras e F para as falsas.
( ) O ângulo lombossacral é determinado traçando-se uma linha paralela ao solo e outra ao longo da base do sacro e seu valor de referência é de 45°.
( ) A análise da lordose é dada pela relação do ângulo lombossacral, sendo inversamente proporcional a ele para que seja determinado o grau de lordose.
( ) Quando de pé, na posição ereta, a pelve deve estar nivelada; no plano sagital a EIAS e a sínfise púbica devem estar no mesmo plano vertical.
( ) Os movimentos da pelve ocorrem em todos os três planos, mas quando uma pessoa tem uma contratura na flexão da articulação do quadril ficar de pé na posição ereta, a pelve se inclinará anteriormente enquanto a região lombar se tornará hiperestendida.
( ) A inclinação lateral ocorre quando as EIAS estão niveladas no plano horizontal; mas, durante a análise, o ponto de referência será no lado que está apoiado.
A sequência está correta em
Provas
Questão presente nas seguintes provas
As doenças sexualmente transmissíveis estão entre os problemas de saúde pública mais comuns em todo o mundo. Entre suas consequências estão a infertilidade feminina e masculina, a transmissão de mãe para filho, determinando perdas gestacionais ou doença congênita, e o aumento do risco para a infecção pelo HIV. Sobre a sífilis adquirida, assinale a afirmativa INCORRETA.
Provas
Questão presente nas seguintes provas
Segundo o IBGE, a principal causa de morte em jovens é o traumatismo externo, sendo também a terceira principal causa de morte na população brasileira em geral. Aproximadamente, 3 a 10% dos indivíduos vítimas de trauma terão lesão no trato geniturinário, com mais acometimento do rim, seguido da bexiga, uretra e ureter, respectivamente. Assinale a alternativa INCORRETA em relação ao trauma renal.
Provas
Questão presente nas seguintes provas
O efeito da radiação ionizante em nossos corpos difere de acordo com seu tipo e energia. Os cientistas sabem, há mais de 80 anos, que grandes doses de radiação ionizante podem danificar os tecidos humanos. Os especialistas se tornaram cada vez mais preocupados com os efeitos potencialmente nocivos que a exposição a grandes doses de radiação podem causar. “Da capacidade de absorção da radiação ionizante, podemos afirmar que os radiopacos possuem a capacidade de absorver __________ radiação do que as estruturas adjacentes. Também são conhecidos como agentes ____________.” Assinale a alternativa que completa correta e sequencialmente a afirmativa anterior.
Provas
Questão presente nas seguintes provas
Acerca da questão social, segundo a perspectiva histórico-crítica, analise as afirmativas a seguir.
I. A expressão começa a ser utilizada no século XX para explicar o fenômeno do pauperismo.
II. A intervenção estatal confronta-se com a questão social, fragmentando-a e recortando-a como problemáticas particulares.
III. A partir da concretização de possibilidades econômico-sociais e políticas segregadas na ordem do capital
concorrencial, a questão social se põe como algo de “políticas sociais”.
concorrencial, a questão social se põe como algo de “políticas sociais”.
IV. Para os pensadores laicos, as manifestações imediatas da questão social são vistas como o desdobramento da sociedade moderna, de características inelimináveis de toda e qualquer ordem social.
Estão corretas apenas as afirmativas
Provas
Questão presente nas seguintes provas
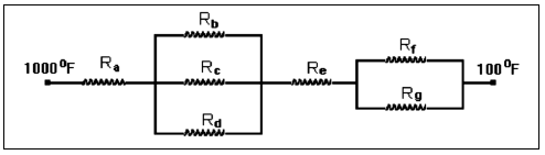
Observe o circuito térmico apresentado.
(Esboçar uma configuração física para o circuito. Considere fluxo unidirecional.)

Assinale a alternativa correta.
Provas
Questão presente nas seguintes provas
A terapia periodontal de suporte tem como um de seus principais objetivos a prevenção da recorrência da doença periodontal. São considerados sinais de recorrência, EXCETO:
Provas
Questão presente nas seguintes provas
O paciente pediátrico que se apresenta ao pronto-socorro com história de trauma na região do joelho deve ser cuidadosamente avaliado para deformidades traumáticas ou constitucionais, história de lesões ou alterações prévias, lesões de partes moles e neurovasculares, presença de hemartrose e incapacidade funcional. Diante do exposto, marque V para as afirmativas verdadeiras e F para as falsas.
( ) Na presença de hemartrose pós-traumática no joelho diante de radiografias normais, há grande suspeição de lesões ligamentares ou fraturas subcondrais.
( ) O lado do joelho que recebe a carga causadora da fratura é o que normalmente apresenta a linha de fratura metafisária. O lado oposto é submetido à tração, o que leva à abertura da fise com avulsão do periósteo que pode se interpor na abertura pelo efeito de vácuo no momento do trauma.
( ) Fraturas sem desvio devem ser tratadas conservadoramente com imobilização por gesso inguino-podálico ou pelvipodálico por 12 a 16 semanas com o joelho em 30 a 45 graus de flexão.
A sequência está correta em
Provas
Questão presente nas seguintes provas
Sobre o método de ELISA, assinale a afirmativa INCORRETA.
Provas
Questão presente nas seguintes provas
O desenvolvimento da biologia molecular, da genética, da farmacogenômica, observado nas últimas décadas, permitiu a elucidação e melhor compreensão do mecanismo molecular de transmissão do estímulo nociceptivo. Importante passo foi estabelecer as bases moleculares da termosensação com a identificação dos canais iônicos ativados por temperatura, pertencentes à família dos Receptores de Potencial Transitório (TRP). Relacione adequadamente os principais canais com suas devidas características.
1. TRPV I.
2. TRPA I.
3. TRPM8.
4. ASIC 3.
2. TRPA I.
3. TRPM8.
4. ASIC 3.
( ) Receptor térmico, ativado em temperaturas < 28°C, tem como ativador adicional o mentol e responde a estímulosdo frio. Associado fortemente ao câncer de próstata, mama e cólon.
( ) Receptor térmico e mecânico, ativado em temperaturas < 18°C, tem como ativador adicional o cálcio e responde a estímulos do frio. Tem como expressão neuronal fibras-C.
( ) Receptor térmico e osmótico tem sido observado em condições de dor crônica e hiperalgesia. Detecta estímulo de calor; é ativado adicionalmente pela capsaicina.
( ) Receptor mecânico, ativado pela presença de prótons. Os canais que o contêm se abrem em resposta à redução no pH, o que corre na isquemia cardíaca.
A sequência está correta em
Provas
Questão presente nas seguintes provas
Cadernos
Caderno Container