Foram encontradas 1.125 questões.
A figura a seguir ilustra dois componentes optoeletrônicos utilizados para obter isolamento elétrico entre circuitos, identificados como U1 e U2.

Assinale a alternativa correta sobre as características destes optoacopladores.
Provas
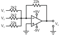
A figura a seguir apresenta um circuito com amplificador operacional.

As tensões V1, V2 e V3 são 100 mV, 200 mV e 1 V, respectivamente.
Considerando que o amplificador operacional é ideal, o valor em módulo da tensão de saída Vo é:
Provas
O circuito a seguir é uma configuração de polarização por divisor de tensão que tem o intuito de tornar o funcionamento do circuito menos dependente das variações do ganho de corrente do transistor.

Considerando que a tensão Vbe do transistor é 0,7 V e assumindo uma análise aproximada, a tensão Vce no transistor é:
Provas
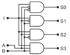
O circuito combinacional a seguir é formado por um conjunto de portas lógicas destinado para uma função específica.

Assinale a alternativa que indica a função do circuito apresentado.
Provas
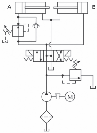
Dispositivos hidráulicos são requeridos em aplicações que exigem forças elevadas com controle preciso, como por exemplo, a abertura de comportas em grandes reservatórios.
A figura a seguir exemplifica um circuito eletro-hidráulico, composto por dois atuadores, válvulas e elementos básicos.

Assinale a alternativa correta em relação à simbologia aplicada no circuito eletro- hidráulico apresentado.
Provas
Circuitos pneumáticos apresentam uma série de vantagens e podem ser integrados com controladores lógicos programáveis (CLP) devido às válvulas comandadas eletricamente, permitindo a obtenção de circuitos eletropneumáticos como os da figura a seguir.

Assinale a alternativa correta sobre os circuitos eletropneumáticos apresentados e sua forma de integração com CLPs.
Provas
Assinale a alternativa correta sobre o acionamento de motores trifásicos de indução utilizando a técnica de partida estrela-triângulo.
Provas
Sobre os transistores aplicados em eletrônica de potência, analise as figuras abaixo:

Assinale a alternativa que apresenta a identificação correta dos símbolos exibidos na figura:
Provas
Um reservatório de água possui um transdutor de nível com saída analógica de 0 a 10 V.
Se a saída do transdutor indicar 6 V, o número binário fornecido após um conversor A/D (analógico/digital) com resolução de 8 bits conectado à saida do transdutor será:
Provas
Segundo a Portaria no 2914/2011 do Ministério da Saúde, é correto afirmar:
Provas
Caderno Container