Foram encontradas 1.125 questões.
Um engenheiro de controle e automação industrial deseja realizar o monitoramento de uma adutora. Preocupado com as características do sensor de pressão, realiza ensaios em uma bomba de calibração com manômetro padrão. Os resultados das medições mostraram que o sensor apresenta repetitividade ao indicar valores muito próximos; no entanto, todos acima do valor verdadeiro convencional do mensurando.
Assinale a alternativa correta sobre as características estáticas e dinâmicas do sensor de pressão.
Provas

A figura acima ilustra um multímetro digital, instrumento de medição importante no dia a dia de um engenheiro de controle e automação industrial devido à versatilidade conferida pelas multifunções do instrumento.
Assinale a alternativa correta sobre a utilização desse instrumento de medição.
Provas
Em determinadas situações, as abordagens de controle clássico não são suficientes para atender requisitos exigentes de projeto. Sistemas com múltiplas entradas e múltiplas saídas podem apresentar uma complexidade matemática elevada. Uma alternativa é descrever um sistema de equações em termos de n equações diferenciais de primeira ordem para serem combinadas em uma equação diferencial vetorial-matricial de primeira ordem.
Esta é uma abordagem de controle moderno baseada em:
Provas
Um sistema em uma estação de tratamento de água foi modelado pelo diagrama de blocos a seguir, onde U(s) e Y(s) são sinais de entrada e de saída, respectivamente.

Assinale a alternativa correta sobre a resposta do sistema em malha fechada com o ganho constante Kp = 4 e um sinal do tipo degrau unitário aplicado na entrada U(s).
Provas
Para atender normas cada vezes mais exigentes foram desenvolvidas soluções de segurança especiais para serem integradas em equipamentos e máquinas automatizadas.
Assinale a alternativa correta sobre estes dispositivos de segurança.
Provas
A ilustração abaixo mostra um medidor de vazão de líquidos comumente aplicado na entrada da instalação hidráulica de residências.
Neste instrumento, o líquido entra na câmara de medição causando o acionamento do mecanismo interno que registra e indica o consumo.

Senai, 1999
Este tipo de medidor de vazão é conhecido como:
Provas
A partida em motores de indução trifásicos assíncronos pode ser realizada por meio de chaves estáticas.
Assinale a alternativa correta em relação ao assunto.
Provas
Motores elétricos estão presentes em diversos atuadores utilizados no controle e automação de plantas industriais.
Assinale a alternativa correta sobre os motores elétricos.
Provas
O circuito a seguir mostra um retificador de onda completa alimentado por uma tensão alternada.

Dados: !$ \sqrt{2} = 1,4\,\,\,\sqrt{3} =1,7\,\,\pi = 3,1 !$
Considerando que são empregados diodos retificadores de silício, o valor médio da tensão sobre o resistor de carga RL é aproximadamente:
Provas
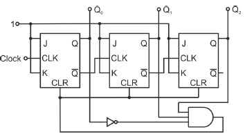
A figura a seguir mostra um circuito eletrônico composto por três flip-flops JK tipo T com as entradas ligadas a um sinal lógico alto (1) e alimentado por um trem de pulsos representado pelo sinal “Clock”.

Assinale a alternativa correta com base no circuito apresentado.
Provas
Caderno Container