Foram encontradas 605 questões.
A amplitude, a fase, o período e a frequência da senoide v(t) = 12 cos(50r + 10°) são respectivamente:
Provas
Considerando o circuito da figura abaixo, no qual o capacitor encontra-se carregado para t = 0, com a tensão sobre o resistor de 5 kΩ, determine a tensão no capacitor após um tempo de 4 s do movimento da chave para a posição B.

Formulário
\( V_{ (t)} = V ( e^{ ^{-t}/_{\tau}}) \)
Onde,
e= 2,718 constante de Euler \( \rightarrow \) considere e = 3
Provas
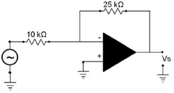
Referindo-se ao amplificador operacional da figura abaixo, se Vi= 0,5 V, os valores da tensão de saída Vs e a corrente no resistor 10 k , respectivamente, serão:

Provas
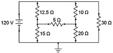
Obtenha a resistência equivalente para o circuito da figura representada abaixo.

Provas
A figura abaixo ilustra um conjunto de cinco símbolos usados nas instalações elétricas, de acordo com a NBR5444:1989.

Esses símbolos representam, respectivamente:
Provas
Na figura abaixo, que contém parte de um projeto elétrico, estão representados alguns símbolos gráficos usadoseminstalações elétricas prediais.

Para os símbolos indicados pelas setas pontilhadas, identificados pelas letras A e B, é correto afirmar que representam,em sequência:
Provas
Diagrama funcional detalhado típico de uma malha de controle.

O elemento responsável pela setpoint da malha de controle é indicado por:
Provas
Tomando como base a planta baixa a seguir, determine o somatório das potências atribuídas às cargas de iluminação e tomadas de uso geral para a cozinha.

Considere:
Cos \( \varphi \) = 1 para cargas de ilumina
Cos \( \varphi \)= 0,8 para cargas de tomadas
Provas
O diagrama unifilar a seguir representa um sistema de partida estrela -triângulo. O contator responsável por conectar em estrela os terminais do motor deve ser capaz de conduzir uma corrente igual a:

Provas
Considere o circuito abaixo, onde foram lidos os seguintes valores nos instrumentos.

V1 = voltímetro de ferro móvel > 120 V
A1 = amperímetro de ferro móvel > 1A
A2 = amperímetro de ferro móvel > 1,5A
W= wattímetro dinamométrico > 100W
O valor da potência elétrica transformada em trabalho e o fator de potência do circuito são, respectivamente:
Provas
Caderno Container