Foram encontradas 40 questões.
Afigura a seguir ilustra um computador controlando a velocidade de um motor. A corrente analógica de 0 a 2 mA do conversor (D/A) é amplificada para produzir velocidades no motor de 0 a 1000 rpm (rotações por minuto). Qual o menor número de bits que deve ser usado para que o computador seja capaz de produzir uma velocidade no motor que esteja, no máximo, a 2 rpm da velocidade desejada?

Provas
Determine a frequência de saída do Flip-flop (Q ) quando a frequência de entrada é de 1 kHz

Provas
Na figura abaixo, o circuito representa um Flip-flop J-K síncrono. A tabela verdade correspondente à saída é:

Provas
A figura a seguir representa os agrupamentos das variáveis para simplificação de um determinado circuito digital. A expressão simplificada para o circuito será:

Provas
Calcule a tensão de saída do circuito da figura abaixo, para uma tensão de entrada de 120 μV.

Provas
Determine VGSQ e IDQ para o FET no circuito abaixo.

Provas
Dada a curva característica do transistor abaixo, determine RB e Rc para VCE = 0.

Provas
Determine a tensão V e a corrente I de polarização DC para o circuito representado a seguir.

Provas
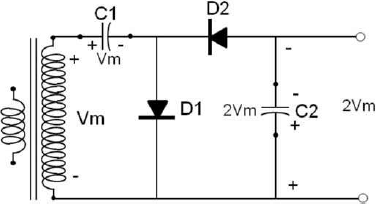
Determine a tensão disponível do dobrador de tensão no esquema abaixo, sabendo que a tensão no secundário do transformador é 120 V(rms).

Provas
Para o circuito com diodo Zener abaixo, determine VI, Vr, Iz e Pz .

Provas
Caderno Container