Magna Concursos

Foram encontradas 31 questões.

1632857 Ano: 2014
Disciplina: Serviços Gerais
Banca: IBEG
Orgão: CAEMA
Provas:
A função da manutenção é garantir a disponibilidade da função dos equipamentos e instalações de modo a atender um serviço com confiabilidade, segurança, preservação do meio ambiente e custos adequados. Quanto à teoria relacionada à manutenção de equipamentos mecânicos, assinale a alternativa correta.
 

Provas

Questão presente nas seguintes provas
1632856 Ano: 2014
Disciplina: Serviços Gerais
Banca: IBEG
Orgão: CAEMA
Provas:
Diante da necessidade de soldagem de materiais, é necessário considerar qual o processo, procedimento e sua aplicação. Assim, é importante conhecer bem o material a ser soldado, o projeto da solda, da estrutura e os requerimentos de serviço (cargas, ambiente, etc). Em relação aos processos de soldagem, marque abaixo a opção correta.
 

Provas

Questão presente nas seguintes provas
1632855 Ano: 2014
Disciplina: Eletroeletrônica
Banca: IBEG
Orgão: CAEMA
Provas:
A corrosão é considerada um processo físico-químico que implica na modificação das propriedades mecânicas e elétrica dos materiais, que pode ocorrer com ou sem perda de massa. A existência da corrosão nos materiais demanda dos engenheiros as seguintes precauções: utilização de maiores coeficientes de segurança, necessidade de manutenção preventiva e corretiva, utilização de materiais mais “nobres” e caros, parada temporária da utilização do equipamento ou da estrutura, avaliação constante da eficiência de equipamento, etc. Em relação à teoria de corrosão, marque abaixo a opção correta.
 

Provas

Questão presente nas seguintes provas
1632854 Ano: 2014
Disciplina: Física
Banca: IBEG
Orgão: CAEMA
Provas:
enunciado 1632854-1
 

Provas

Questão presente nas seguintes provas
1632853 Ano: 2014
Disciplina: Física
Banca: IBEG
Orgão: CAEMA
Provas:

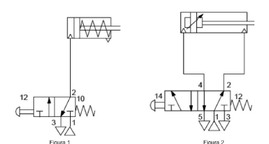
Os sistemas hidráulicos e pneumáticos possuem aplicação prática em diversos tipos de indústrias. Um elemento importante nesses sistemas é a válvula de controle direcional que consiste em um corpo com passagens internas nas quais são conectadas e desconectadas por uma parte móvel. A figura abaixo mostra exemplos de circuitos com válvulas de controle direcional de aplicação prática na indústria.

enunciado 1632853-1

Tomando como referência as figuras acima, assinale a alternativa correta.

 

Provas

Questão presente nas seguintes provas
1632852 Ano: 2014
Disciplina: Física
Banca: IBEG
Orgão: CAEMA
Provas:

Os sistemas compostos por grupos moto-bombas constituem uma aplicação prática dos sistemas de saneamento por contribuir para a movimentação de fluidos entre pontos da planta. A figura abaixo mostra um exemplo de uma curva que identifica os principais parâmetros de bombas hidráulicas em função da vazão volumétrica.

enunciado 1632852-1

Tomando como referência a figura acima, assinale a alternativa correta que elenca os números que representam, respectivamente, curva característica da bomba, curva de rendimento, curva do sistema, curva de potência consumida.

 

Provas

Questão presente nas seguintes provas
A elaboração e a revisão dos planos de saneamento básico deverão efetivar-se, de forma a garantir a ampla participação das comunidades, dos movimentos e das entidades da sociedade civil, por meio de procedimento que deverá prever fases de divulgação, em conjunto com os estudos que os fundamentarem. Com base no enunciado acima, assinale a alternativa CORRETA.
 

Provas

Questão presente nas seguintes provas

Segundo o Decreto de nº 7.217/2010, a prestação de serviços públicos de saneamento básico, observará o plano editado pelo titular, que atenderá os planos de saneamento básico, devendo ser compatíveis com os planos de recursos das bacias hidrográficas em que os Municípios estiverem inseridos. Com base no texto acima, assinale a alternativa CORRETA.

I - O plano de saneamento básico deverá abranger os serviços de abastecimento de água, de esgotamento sanitário, de manejo de resíduos sólidos, de limpeza urbana e de manejo de águas pluviais, podendo o titular, a seu critério, elaborar planos específicos para um ou mais desses serviços.

II - O plano de saneamento básico, ou o eventual plano específico, poderá ser elaborado mediante apoio técnico ou financeiro prestado por outros entes da Federação, pelo prestador dos serviços ou por instituições universitárias ou de pesquisa científica, garantida a participação das comunidades, movimentos e entidades da sociedade civil.

III - O plano de saneamento básico será revisto periodicamente, em prazo não superior a quatro anos, anteriormente à elaboração do plano plurianual.

 

Provas

Questão presente nas seguintes provas
O Decreto 7.217/2010, dispõe que o planejamento são as atividades atinentes à identificação, qualificação, quantificação, organização e orientação de todas as ações, públicas e privadas, por meio das quais o serviço público deve ser prestado ou colocado à disposição de forma adequada. Com base no enunciado acima assinale a alternativa ERRADA.
 

Provas

Questão presente nas seguintes provas
O aplicativo BR Office Writer faz parte da família de aplicativos BR Office. Ele permite a utilização de determinadas teclas de atalho para navegar em seus documentos. Identifique entre as alternativas apresentadas, a que é uma afirmação INCORRETA.
 

Provas

Questão presente nas seguintes provas