Foram encontradas 746 questões.
- Instalações ElétricasSubestaçõesCustos, diagramas unifilares básicos, tipos de barramentos, sistemas auxiliares
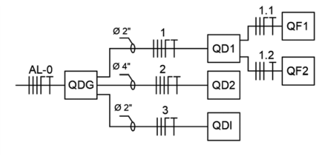
Uma instalação elétrica predial de baixa tensão apresentou defeitos em alguns de seus circuitos terminais. Após a medição de tensão em alguns pontos dessa instalação, foram anotados os seguintes valores:

O diagrama unifilar da instalação é mostrado na figura a seguir:

O defeito apresentado na instalação é:
Provas
- Manual de Redação da Presidência da RepúblicaAs Comunicações OficiaisPadrão OfícioPartes do documento no Padrão Ofício
Leia o texto para responder às questões de números 46 a 48.

(Disponível em: https://legis.senado.leg.br/comissoes/ arquivos?ap=7466&codcol=2584)
Assinale a alternativa que apresenta informação correta a respeito do local e da data a serem inseridos no referido texto.
Provas
- Documentos OficiaisAviso
- Documentos OficiaisCircular
- Documentos OficiaisMemorando
- Documentos OficiaisMensagem
- Documentos OficiaisOfício
Leia o texto para responder às questões de números 46 a 48.

(Disponível em: https://legis.senado.leg.br/comissoes/ arquivos?ap=7466&codcol=2584)
É correto afirmar que o documento em questão deve seguir um padrão chamado
Provas
- Manual de Redação da Presidência da RepúblicaAs Comunicações OficiaisPadrão OfícioPartes do documento no Padrão Ofício
- Manual de Redação da Presidência da RepúblicaAs Comunicações OficiaisPronomes de Tratamento
Leia o texto para responder às questões de números 46 a 48.

(Disponível em: https://legis.senado.leg.br/comissoes/ arquivos?ap=7466&codcol=2584)
Considerando que o texto é parte de um documento enviado por um Senador da República ao Presidente do Senado Federal, assinale a alternativa que preenche, correta e respectivamente, as lacunas.
Provas
Analise a figura a seguir para responder às questões de números 45 e 46.

(www.researchgate.net)
Considere que os indivíduos regenerantes são plantas jovens, de pequeno porte, com crescimento bastante lento em função de estarem localizados no sub-bosque florestal, cuja luminosidade é indireta.
A taxa média diária da fotossíntese desses indivíduos está
Provas
No contexto do patrimônio arqueológico passível de identificação, considera-se qual(quais) procedimento(s) exigido(s) pelo IPHAN para portos com classificação do empreendimento de nível III para a execução pela primeira vez de dragagem e derrocamento e implantação de instalação portuária fora da área do porto organizado?
Provas
De acordo com a legislação, águas salinas classe 1 são aquelas que podem ser destinadas à recreação de contato primário. São variáveis relevantes para o monitoramento da balneabilidade de águas salinas classe 1:
Provas
O efeito de Coriolis está associado à rotação da Terra em torno do seu eixo. No Hemisfério Sul, fluidos geofísicos em movimento tendem a ser defletidos para a esquerda de sua trajetória. Qual equação representa a relação entre o chamado parâmetro de Coriolis (f) e a velocidade angular da Terra (Ω)?
Provas
- EscritórioMicrosoft OfficeExcelVersões do ExcelExcel 365
- EscritórioMicrosoft OfficeExcelFórmulas e Funções do Excel
Analise a seguinte planilha, feita no MS-Excel 365, em sua configuração-padrão.

Para que na célula C8 conste, como mostra a imagem, a média dos gastos de custeio ao longo dos três meses, a fórmula que deve ser usada é:
Provas
Leia o texto a seguir para responder às questões de números 10 a 16.
O papel mais difícil na família
O amor de madrasta e de padrasto é um amor elevado, um amor puramente desinteressado. Eles não têm o benefício da relação automática, do laço do sangue, precisam construir com o enteado uma amizade do zero, em que o conselho depende da doçura e da pontualidade para não agredir e não soar como censura.
São corajosos, pois alimentam uma relação desprovida de garantia e estabilidade. Enfrentam os rótulos e o preconceito por ocupar, no imaginário da infância, o lugar natural da mãe ou do pai. Provam o seu valor e adquirem credibilidade pouco a pouco. Só a constância da lealdade é que consolidará a influência.
Demonstram, na prática, que não vieram substituir ninguém, mas somar amizades e pontos de vista. Surpreendem com uma ternura desobrigada, uma atenção gratuita, uma dedicação sem a recompensa de abraços e beijos fáceis.
Talvez não recebam cartãozinho no Dia das Mães e dos Pais, talvez não sejam chamados para as festas da escola, talvez não estejam representados nos desenhos infantis, talvez tenham que superar a carência e entender que as vitórias são secretas e parciais. Andam no trapézio das emoções, evitando sofrer a desqualificação em qualquer embate: “Você não é meu pai”, “Você não é minha mãe”.
Não podem despertar a inveja e a concorrência sendo bons demais, nem a preocupação sendo indiferentes. Não podem dar bronca no momento de raiva nem devem ser tolerantes em excesso na alegria. Armados na paciência, amando a paciência, jamais invadem a privacidade, ficam na porta esperando um convite para entrar na sensibilidade dos pequenos.
Não há papel mais difícil dentro de casa. Encarnam o equilíbrio. Medirão as palavras e o tamanho do silêncio. Vão se apaixonar por uma pessoa que possivelmente não será para sempre. Mas o amor é para sempre quando o coração se mostra um duradouro ventre.
(Fabrício Carpinejar. Jornal Zero Hora. 24.07.2018. Adaptado)
Em – Surpreendem com uma ternura desobrigada, uma atenção gratuita... – (3ºparágrafo), a palavra destacada pertence à mesma classe gramatical daquela destacada em:
Provas
Caderno Container