Foram encontradas 1.406 questões.

A expressão simplificada do mapa de Veitch Karnaugh, mostrado acima, é
Provas
Questão presente nas seguintes provas
A figura a seguir apresenta a tabela verdade de duas portas lógicas.

Provas
Questão presente nas seguintes provas
O controle do volume de um fluído industrial em um reservatório
utiliza um amplificador operacional com a seguinte topologia:

Considere que:
• VVA aciona a válvula de entrada de fluído, que permite a entrada de fluído no reservatório quando a tensão em seus terminais é +12V, e permanece fechada caso contrário; • VSE é o sinal de um sensor de pressão no fundo do reservatório, que produz um sinal de 2V para cada metro de coluna de água (mca) do reservatório; • O reservatório é cilíndrico, com área de seção transversal de 10m2 .
Este controle faz o reservatório ter um volume de fluído entre

Considere que:
• VVA aciona a válvula de entrada de fluído, que permite a entrada de fluído no reservatório quando a tensão em seus terminais é +12V, e permanece fechada caso contrário; • VSE é o sinal de um sensor de pressão no fundo do reservatório, que produz um sinal de 2V para cada metro de coluna de água (mca) do reservatório; • O reservatório é cilíndrico, com área de seção transversal de 10m2 .
Este controle faz o reservatório ter um volume de fluído entre
Provas
Questão presente nas seguintes provas
Ao avaliar o conhecimento da equipe que está sob sua
responsabilidade, você presencia dois estagiários estudando
sistemas de controle lineares invariantes no tempo.
Analise as citações que um deles fez para o outro.
I. Se um sistema linear é próprio, mas não é estritamente próprio, então sua representação em Espaço de Estados tem a matriz de transmissão direta (D) nula. II. A representação em Espaço de Estados na forma canônica controlável de um sistema de segunda ordem cuja função de transferência tem o numerador igual ao real k, tem a matriz de saída dada por C = [k 0]. III. Um sistema discreto representado em Espaço de Estados é assintoticamente estável se a norma da matriz de estado (A) é menor que 1.
Sobre essas citações, está correto o que se afirma em
Analise as citações que um deles fez para o outro.
I. Se um sistema linear é próprio, mas não é estritamente próprio, então sua representação em Espaço de Estados tem a matriz de transmissão direta (D) nula. II. A representação em Espaço de Estados na forma canônica controlável de um sistema de segunda ordem cuja função de transferência tem o numerador igual ao real k, tem a matriz de saída dada por C = [k 0]. III. Um sistema discreto representado em Espaço de Estados é assintoticamente estável se a norma da matriz de estado (A) é menor que 1.
Sobre essas citações, está correto o que se afirma em
Provas
Questão presente nas seguintes provas
Um engenheiro recebeu a tarefa de projetar um circuito de fade-out
da iluminação interna de um carro. O fade-out consiste em
um circuito RC série projetado de tal forma que, quando se liga
ou desliga a iluminação, ocorre a variação gradual da tensão e,
por conseguinte, da luminosidade.
Para ter um funcionamento adequado este circuito deve permitir a variação total da tensão nos terminais da lâmpada, quando ligado ou desligado, em cerca de 1s, caso contrário o efeito na luminosidade não é perceptível ou se torna longo demais.
A figura a seguir mostra o circuito projetado, em que a lâmpada é modelada como um resistor e está conectada em paralelo com um capacitor.

Considere os valores de componentes mostrados na figura e que a chave ch permanece na posição 2 por um longo tempo.
Quando a chave ch é colocada na posição 1, pode-se concluir que a resposta da tensão nos terminais da lâmpada é
Para ter um funcionamento adequado este circuito deve permitir a variação total da tensão nos terminais da lâmpada, quando ligado ou desligado, em cerca de 1s, caso contrário o efeito na luminosidade não é perceptível ou se torna longo demais.
A figura a seguir mostra o circuito projetado, em que a lâmpada é modelada como um resistor e está conectada em paralelo com um capacitor.

Considere os valores de componentes mostrados na figura e que a chave ch permanece na posição 2 por um longo tempo.
Quando a chave ch é colocada na posição 1, pode-se concluir que a resposta da tensão nos terminais da lâmpada é
Provas
Questão presente nas seguintes provas
Sobre sistemas de proteção contra descargas atmosféricas
(SPDA), assinale a afirmativa correta.
Provas
Questão presente nas seguintes provas
De acordo com a norma NBR 5444, que estabelece simbologia
padrão para instalações elétricas prediais, assinale a opção que
indica o significado do símbolo a seguir.


Provas
Questão presente nas seguintes provas
- Instalações ElétricasEquipamentos em Média Tensão
- Sistemas Elétricos de PotênciaDistribuição de Energia Elétrica
Na análise de sistemas de potência, a representação de
grandezas por unidade permite simplificações consideráveis nos
cálculos e na visualização de suas faixas de variação.
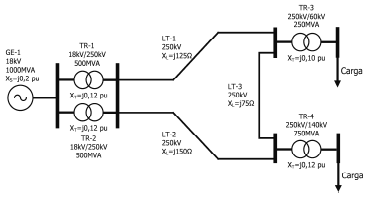
A figura a seguir apresenta o diagrama unifilar de um sistema de potência, em que as respectivas impedâncias estão especificadas na base própria de cada equipamento.

Caso essas impedâncias fossem representadas em p.u., em uma única base de potência de 100MVA, os valores das impedâncias do GE-1, TR-4 e LT-3 seriam, respectivamente,
A figura a seguir apresenta o diagrama unifilar de um sistema de potência, em que as respectivas impedâncias estão especificadas na base própria de cada equipamento.

Caso essas impedâncias fossem representadas em p.u., em uma única base de potência de 100MVA, os valores das impedâncias do GE-1, TR-4 e LT-3 seriam, respectivamente,
Provas
Questão presente nas seguintes provas
- Instalações ElétricasAterramentos
- Instalações ElétricasSubestações
- Sistemas Elétricos de PotênciaDistribuição de Energia Elétrica
Você é o engenheiro responsável pela elaboração do projeto da
malha de aterramento de uma subestação.
Medidas realizadas em campo chegaram a um modelo de solo estratificado, conforme mostra a figura 1.

Sabendo-se que a haste a ser empregada no aterramento tem 2 m de comprimento, a resistividade aparente do solo, em Ω.m, é
Medidas realizadas em campo chegaram a um modelo de solo estratificado, conforme mostra a figura 1.

Sabendo-se que a haste a ser empregada no aterramento tem 2 m de comprimento, a resistividade aparente do solo, em Ω.m, é
Provas
Questão presente nas seguintes provas
Os relés são dispositivos de proteção utilizados em sistemas
elétricos capazes de implementar diversas lógicas e princípios de
proteção.
Considere o relé com o seguinte esquema de proteção

em que:
DA e DB representam disjuntores; TCA e TCB são transformadores de corrente; IA e IB são correntes de linha; iA e iB são correntes no secundário dos TCA e TCB, respectivamente; BR e BO são bobinas de restrição e operação, respectivamente; e A1, A2, B1 e B2 são terminais do relé.
Esse relé implementa uma proteção do tipo
Considere o relé com o seguinte esquema de proteção

em que:
DA e DB representam disjuntores; TCA e TCB são transformadores de corrente; IA e IB são correntes de linha; iA e iB são correntes no secundário dos TCA e TCB, respectivamente; BR e BO são bobinas de restrição e operação, respectivamente; e A1, A2, B1 e B2 são terminais do relé.
Esse relé implementa uma proteção do tipo
Provas
Questão presente nas seguintes provas
Cadernos
Caderno Container