Foram encontradas 1.406 questões.
Em um motor de indução trifásico de dois polos com frequência
de 60 Hz e escorregamento de 5 %, a velocidade de rotação do
rotor é de
Provas
Questão presente nas seguintes provas
Assinale a opção que indica a hachura utilizada na representação
de vistas de peças de concreto em projetos de arquitetura.
Provas
Questão presente nas seguintes provas
A figura a seguir ilustra um diagrama muito utilizado no projeto
de instalações elétricas.

Esse tipo de diagrama é conhecido com

Esse tipo de diagrama é conhecido com
Provas
Questão presente nas seguintes provas
Atenção: com base na figura a seguir, responda à questão.
A instalação elétrica da sala de uma casa é apresentada na figura
a seguir.

Provas
Questão presente nas seguintes provas
Atenção: com base na figura a seguir, responda à questão.
A instalação elétrica da sala de uma casa é apresentada na figura
a seguir.

Provas
Questão presente nas seguintes provas
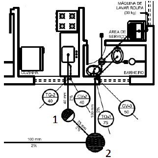
Uma parte da instalação de esgoto de uma pequena edificação
residencial é apresentada na figura a seguir.

Nessa figura, os elementos indicados pelos números 1 e 2 são denominados, respectivamente,

Nessa figura, os elementos indicados pelos números 1 e 2 são denominados, respectivamente,
Provas
Questão presente nas seguintes provas
Atenção: com base na figura a seguir, responda à questão.
A figura apresenta uma plataforma retangular construída em
terreno levemente inclinado, representado por suas curvas de
nível, cujas cotas são dadas em metros.

Provas
Questão presente nas seguintes provas
Atenção: com base na figura a seguir, responda à questão.
A figura apresenta uma plataforma retangular construída em
terreno levemente inclinado, representado por suas curvas de
nível, cujas cotas são dadas em metros.

Provas
Questão presente nas seguintes provas
Nas figuras a seguir, são apresentados acidentes topográficos
indicados por meio de curvas de nível.

Os acidentes 1 e 2 são conhecidos, respectivamente, como

Os acidentes 1 e 2 são conhecidos, respectivamente, como
Provas
Questão presente nas seguintes provas
O desenho a seguir apresenta a ligação de um pilar metálico de
seção retangular com sua fundação. Uma chapa metálica é
utilizada para auxiliar nessa ligação.

Sobre essa figura, analise as afirmativas a seguir.
I. O pilar é ligado à chapa por meio de uma solda de filete. II. A chapa é ligada à fundação por meio de dois parafusos. III. A ligação entre o pilar e a chapa é permanente.
Está correto o que se afirma em

Sobre essa figura, analise as afirmativas a seguir.
I. O pilar é ligado à chapa por meio de uma solda de filete. II. A chapa é ligada à fundação por meio de dois parafusos. III. A ligação entre o pilar e a chapa é permanente.
Está correto o que se afirma em
Provas
Questão presente nas seguintes provas
Cadernos
Caderno Container