Foram encontradas 70 questões.
Analise o mapa a seguir.

RESENDE Maria Efigênia Lago: MORAES Ana Maria Atlas Historico do Brasil Belo Horizonte \\ 1987. p.35. (Adaptado)
Assinale a alternativa que descreve corretamente a consolidação do território português na América, de acordo com os tratados assinalados no mapa acima.
Provas
Questão presente nas seguintes provas
2643670
Ano: 2013
Disciplina: TI - Organização e Arquitetura dos Computadores
Banca: FGV
Orgão: AL-MT
Disciplina: TI - Organização e Arquitetura dos Computadores
Banca: FGV
Orgão: AL-MT
Provas:
Considere as afirmativas a respeito das arquiteturas dos processadores RISC (Reduced Instruction Set Computer) e CISC (Complex Instruction Set Computer). Assinale 1 para as afirmativas referentes ao processador RISC e 2 para as referentes ao processador CISC:
( ) Execução sem micro-código.
( ) Facilidade na detecção e na correção de erros.
( ) Poucos modos de endereçamento.
( ) Redução das dificuldades de escrita de compiladores.
( ) Facilidade na detecção e na correção de erros.
( ) Poucos modos de endereçamento.
( ) Redução das dificuldades de escrita de compiladores.
Assinale a alternativa que indica a sequência correta, de cima para baixo.
Provas
Questão presente nas seguintes provas
A figura a seguir apresenta o esquema de uma linha de distribuição de energia elétrica.

A matriz transformação inversa em que relaciona os componentes simétricos com os seus respectivos fasores é dada por:
!$ { \begin{vmatrix} \vec{I}_1\\ \vec{I}_2\\ \vec{I}_0 \end{vmatrix}} = { \large 1 \over 3} { \begin{vmatrix} 1\,\,\ltimes \ltimes^2\\1\,\,\ltimes^2\,\,\ltimes\\1\,\,\,1\,\,\,1\,\,\, \end{vmatrix}} x { \begin{vmatrix} 0\\ \vec{I}_B \\ - \vec{I}_B \end{vmatrix}} !$
Essa matriz apresenta condições de contorno para a análise de uma falta (curto-circuito) entre
Provas
Questão presente nas seguintes provas
Numa perspectiva antropológica, a cultura é um todo que abarca conhecimentos, crenças, artes, moral, leis, costumes e outras capacidades e hábitos que os homens produzem em sua interação social.
Partindo desta definição mais abrangente de cultura, podemos afirmar que as manifestações abaixo são exemplos da "cultura matogrossense", à exceção de uma. Assinale-a
Provas
Questão presente nas seguintes provas
O processo de modulação digital em que ocorre a alteração da fase da portadora, de acordo com o sinal digital a ser modulado, é a modulação
Provas
Questão presente nas seguintes provas
Fora de foco
Deve-se ao desenvolvimento de remédios e terapias, a partir de experimentos científicos em laboratórios com o uso de animais, parcela considerável do exponencial aumento da expectativa e da qualidade de vida em todo o mundo. É extensa a lista de doenças que, tidas como incuráveis até o início do século passado e que levavam à morte prematura ou provocavam sequelas irreversíveis, hoje podem ser combatidas com quase absoluta perspectiva de cura.
Embora, por óbvio, o homem ainda seja vítima de diversos tipos de moléstias para as quais a medicina ainda não encontrou lenitivos, a descoberta em alta escala de novos medicamentos, particularmente no último século, legou à Humanidade doses substanciais de fármacos, de tal forma que se tornou impensável viver sem eles à disposição em hospitais, clínicas e farmácias.
A legítima busca do homem por descobertas que o desassombrem do fantasma de doenças que podem ser combatidas com remédios e, em última instância, pelo aumento da expectativa de vida está na base da discussão sobre o emprego de animais em experimentos científicos. Usá-los ou não é um falso dilema, a começar pelo fato de que, se não todos, mas grande parte daqueles que combatem o emprego de cobaias em laboratórios em algum momento já se beneficiou da prescrição de medicamentos que não teriam sido desenvolvidos sem os experimentos nas salas de pesquisa.
É inegável que a opção pelo emprego de animais no desenvolvimento de fármacos implica uma discussão ética. Mas a questão não é se o homem deve ou não recorrer a cobaias; cientistas de todo o mundo, inclusive de países com pesquisas e indústria farmacêutica mais avançadas que o Brasil, são unânimes em considerar que a ciência ainda não pode prescindir totalmente dos testes com organismos vivos, em razão da impossibilidade de se reproduzir em laboratório toda a complexidade das cadeias de células. A discussão que cabe é em relação à escala do uso de animais, ou seja, até que ponto eles podem ser substituídos por meios de pesquisas artificiais, e que protocolo seguir para que, a eles recorrendo, lhes seja garantido o pressuposto da redução (ou mesmo eliminação) do sofrimento físico.
(O Globo, 21/11/2013)
“ É inegável que a opção pelo emprego de animais no desenvolvimento de fármacos implica uma discussão ética. Mas a questão não é se o homem deve ou não recorrer a cobaias; cientistas de todo o mundo, inclusive de países com pesquisas e indústria farmacêutica mais avançadas que o Brasil, são unânimes em considerar que a ciência ainda não pode prescindir totalmente dos testes com organismos vivos, em razão da impossibilidade de se reproduzir em laboratório toda a complexidade das cadeias de células”.
Sobre a concordância nominal e verbal desse segmento do texto, é correto afirmar que
Provas
Questão presente nas seguintes provas
Dado um sistema elétrico trifásico a três fios, equilibrado com a fonte em estrela e a carga em estrela. A sequência de fases é ABC e a tensão da fase A em relação à fase B é igual a 200 V com um ângulo de fase igual a 40º. Sabendo-se que a impedância de cada carga monofásica que compõe a carga trifásica é igual a 5 ohms, com ângulo de 20º, a corrente elétrica na fase A é igual a
Provas
Questão presente nas seguintes provas
O fator de potência de uma instalação elétrica é igual a 0,707 indutivo. A potência demandada dessa instalação é de 15 kW. Para elevar esse fator de potência para no mínimo 0,866, deve-se instalar um banco de capacitores entre o seguinte intervalo:
Provas
Questão presente nas seguintes provas
A figura a seguir apresenta um circuito composto pelos resistores R1, R2 e R3 e pela fonte E. A fonte E é de 100 V e os resistores são, respectivamente, iguais a 10 !$ \Omega !$, 15 !$ \Omega !$ e 4 !$ \Omega !$.

Entre os terminais A e B será ligada uma carga resistiva. O valor dessa carga e a potência a ser dissipada por ela, de modo que essa potência seja máxima são, respectivamente iguais a
Provas
Questão presente nas seguintes provas
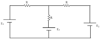
A figura a seguir apresenta um circuito composto por três resistores iguais a R e três fontes contínuas E1, E2, e E3. Os valores de E1 e E2 são iguais a E.

Para que a corrente elétrica no ramo central do circuito seja igual a zero, a fonte E3 deve ser igual a
Provas
Questão presente nas seguintes provas
Cadernos
Caderno Container