Foram encontradas 1.172 questões.
Uma bomba succiona água de um reservatório situado 5 metros abaixo de si. As perdas na tubulação totalizam 1,5 mca para a sucção e 8 mca para o recalque. Considerando que a pressão atmosférica local é de 98 kPa, que a água possui massa específica de 1000 kg/m³ e pressão de vaporização de 4,9 kPa, assinale a alternativa que MELHOR indica o valor da altura manométrica disponível na instalação para evitar a cavitação.
Provas
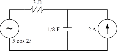
No circuito a seguir, o módulo da fonte de tensão CA (5 V) equivale ao valor eficaz.
CALCULE a potência (W) absorvida pelo resistor.

A resposta CORRETA é:
Provas
Alguns distúrbios na rede elétrica influenciam a qualidade da energia, e resultam em falha ou má operação de equipamentos dos consumidores.
São algumas definições de distúrbios importantes, EXCETO:
Provas
Um circuito LC ressonante em 2.000 kHz tem grau de seletividade igual a 100. CALCULE a largura de banda total (kHz) desse circuito.
A resposta CORRETA é:
Provas
Um motor de indução de rotor em gaiola, 8 polos, 60 Hz, aciona uma carga mecânica de 100 kW a uma velocidade de 855 rpm. CALCULE o escorregamento de funcionamento (%) do motor.
A resposta CORRETA é:
Provas
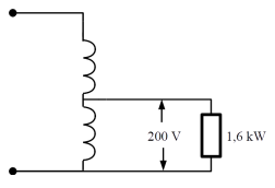
Um transformador ideal de 5 kVA, 600/200 V, é ligado como autotransformador e alimenta uma carga de 1,6 kW com fator de potência unitário no enrolamento da baixa, como mostra a figura a seguir. As tensões aplicadas na alta e na baixa do autotransformador são nominais.
CALCULE a corrente (A) no enrolamento da baixa.

A resposta CORRETA é:
Provas
Provas
Um transformador monofásico tem os dados apresentados na tabela a seguir. Em um ensaio de curto-circuito (lado da baixa curto-circuitado), os seguintes dados foram obtidos na alta: Valta = 200 V, Ialta = 4 A e Palta = 128 W.
CALCULE o módulo da impedância e a resistência do circuito equivalente do transformador do ponto de vista da alta.
Potência (kVA) Tensão (V) Frequência (Hz)
20 120/2.400 60
A resposta CORRETA é:
Provas
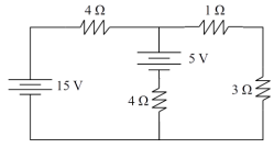
No circuito a seguir, CALCULE a queda de tensão (V) no resistor de 3 Ω.

A resposta CORRETA é:
Provas
Provas
Caderno Container