Magna Concursos

Foram encontradas 1.172 questões.

2624524 Ano: 2023
Disciplina: Engenharia Elétrica
Banca: FUMARC
Orgão: AL-MG

Uma indústria consome, no horário de pico, 100 kW e fator de potência igual a 0,85 atrasado. CALCULE a potência (kVAr) de um banco de capacitores, tal que o fator de potência dessa indústria suba para 0,92 atrasado nesse mesmo horário.

Considere:

Enunciado 3168674-1

O resultado CORRETO é:

 

Provas

Questão presente nas seguintes provas
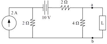
2624523 Ano: 2023
Disciplina: Engenharia Elétrica
Banca: FUMARC
Orgão: AL-MG

No circuito a seguir, encontre a resistência (Ω) equivalente de Thévenin entre os pontos a-b do ponto de vista da carga L.

Enunciado 3168673-1

A resistência equivalente é de:

 

Provas

Questão presente nas seguintes provas
2624522 Ano: 2023
Disciplina: Engenharia Elétrica
Banca: FUMARC
Orgão: AL-MG

Segundo a Norma Brasileira ABNT NBR 5419, as características e classes de um Sistema de Proteção Contra Descargas Atmosféricas (SPDA) são determinadas pelas características da estrutura a ser protegida e pelo nível de proteção considerado para descargas atmosféricas.

São fatores que dependem da classe de SPDA, EXCETO:

 

Provas

Questão presente nas seguintes provas
2624521 Ano: 2023
Disciplina: Engenharia Elétrica
Banca: FUMARC
Orgão: AL-MG
São medidas de proteção coletiva recomendadas pela Norma Regulamentadora 10 (NR 10), EXCETO:
 

Provas

Questão presente nas seguintes provas
2624520 Ano: 2023
Disciplina: Engenharia Elétrica
Banca: FUMARC
Orgão: AL-MG
Sobre as classes de consumo definidas na Resolução Normativa ANEEL nº 414, de 2010, NÃO está correto afirmar:
 

Provas

Questão presente nas seguintes provas
2624519 Ano: 2023
Disciplina: Engenharia Elétrica
Banca: FUMARC
Orgão: AL-MG

O diagrama ladder, mostrado na figura, é utilizado para programação de controladores programáveis. No diagrama, onde I0 representa uma entrada e Q0 uma saída, qual a tarefa realizada quando I0 for acionada pela primeira vez?

Enunciado 3168669-1

 

Provas

Questão presente nas seguintes provas
2624518 Ano: 2023
Disciplina: Engenharia Elétrica
Banca: FUMARC
Orgão: AL-MG
Conforme a ABNT NBR 5410, são considerados condutores de equipotencialização os seguintes elementos, EXCETO
 

Provas

Questão presente nas seguintes provas
2624517 Ano: 2023
Disciplina: Engenharia Elétrica
Banca: FUMARC
Orgão: AL-MG
Método indicado para projeto de Sistemas de Proteção contra Descargas Atmosféricas (SPDAs), em construções com grande área horizontal (telhados horizontais e inclinados sem curvatura) e proteção de superfícies laterais planas contra descargas atmosféricas laterais, é denominado:
 

Provas

Questão presente nas seguintes provas
2624516 Ano: 2023
Disciplina: Engenharia Elétrica
Banca: FUMARC
Orgão: AL-MG
Nos sistemas de Geração Distribuída utilizando painéis fotovoltaicos, o que significa anti-ilhamento?
 

Provas

Questão presente nas seguintes provas
2624515 Ano: 2023
Disciplina: Engenharia Elétrica
Banca: FUMARC
Orgão: AL-MG

Os religadores vêm substituindo os disjuntores instalados nas subestações, para proteção dos alimentadores de distribuição. Dentre as diversas características dos religadores, podemos citar:

I. Possuem unidades de proteção digitais para a proteção de fase e de terra.

II. São disponibilizados, quanto ao meio extintor do arco, em religadores a óleo, a vácuo e a SF6.

III. Reduzem consideravelmente o tempo de falta de energia, nas ocorrências em redes de distribuição, quando comparados aos disjuntores.

É CORRETO o que se afirma e

 

Provas

Questão presente nas seguintes provas