Foram encontradas 64 questões.
No gráfico, !$ \overline {MN} = 2 !$ e a curva representa a função !$ f(x) = -2log_{{ \large1 \over 3}}x !$

No polígono ABCD, a soma !$ \overline {AB} + \overline {BC} + \overline {CD} + \overline {DA} !$, em unidade de medida, é igual a
Provas
Considere a figura a seguir.

Nela está representada a inscrição de uma esfera num cubo que, por sua vez, está inscrito num cone equilátero, de tal forma que uma de suas faces está apoiada na base do cone e os vértices da face oposta estão na lateral do cone.
A projeção ortogonal do vértice do cone à sua base contém dois pontos de tangência da esfera com o cubo.
Se R e r são, respectivamente, as medidas do raio da base do cone e do raio da esfera, em cm, então
Provas
Uma partícula de massa M é lançada obliquamente com sua velocidade inicial !$ \vec v_0 !$ fazendo um ângulo de 30º com a direção horizontal, conforme indica figura a seguir.

Ao atingir a altura máxima de sua trajetória parabólica, essa partícula colide inelasticamente com um bloco de massa 5M. Esse bloco, de dimensões desprezíveis, está preso ao teto por um fio ideal, de comprimento 1,2 m, formando um pêndulo balístico. Inicialmente o fio do pêndulo está na vertical. Após a colisão, o pêndulo atinge uma altura máxima, na qual o fio tem uma inclinação de 30º em relação à direção horizontal.
Desprezando a resistência do ar, o módulo da velocidade inicial da partícula, v0, em m/s, é igual a
Provas
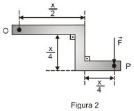
Considere uma barra homogênea, retilínea e horizontal fixa em uma de suas extremidades pelo ponto O, e submetida à ação de uma força !$ \vec F !$ na outra extremidade, no ponto P, conforme mostra a Figura 1.

A distância entre os pontos O e P vale x, e a ação da força !$ \vec F !$ gera um torque M1 na barra, em relação ao ponto de fixação.
Dobrando-se a barra, de acordo com a Figura 2, e aplicando-se novamente a mesma força !$ \vec F !$ no ponto P, um novo torque M2 é gerado em relação ao ponto O.

Considere que a barra não possa ser deformada por ação da força !$ \vec F !$.
Nestas condições, a razão !$ { \large M_1 \over M _2} !$ entre os torques gerados pela força !$ \vec F !$, nas duas configurações apresentadas, é
Provas
Uma partícula eletrizada positivamente com uma carga igual a !$ 5 μC !$ é lançada com energia cinética de 3 J, no vácuo, de um ponto muito distante e em direção a uma outra partícula fixa com a mesma carga elétrica.
Considerando apenas interações elétricas entre estas duas partículas, o módulo máximo da força elétrica de interação entre elas é, em N, igual a
Provas
Para construir um viaduto, a prefeitura de uma cidade precisará desapropriar alguns locais de uma determinada quadra da cidade.
Para identificar o que precisará ser desapropriado, fez-se um esboço da planta dessa quadra no qual os locais foram representados em um plano cartesiano e nomeados de A1 até A10, conforme figura a seguir.

O viaduto estará representado pela região compreendida entre as retas de equações !$ r: - { \large1 \over 2} x - y + 8 = 0 !$ e !$ s: - x - 2y + 10 =0 !$.
Um local será inteiramente desapropriado se o viaduto passar por qualquer trecho de seu território.
Se cada unidade do plano no esboço da planta equivale a 10 m na situação real, então a área total dos locais dessa quadra que precisará ser desapropriada, em m2, é igual a
Provas
TEXTO I
As mulheres são vítimas de violência porque são mulheres
Wânia Pasinato
Nos últimos anos, a violência contra as mulheres no Brasil vem se tornando assunto público e reconhecido como problema ao qual qualquer mulher, independentemente de raça, cor, etnia, idade ou classe social pode estar sujeita. Trata-se de reconhecer que a violência não é um infortúnio pessoal, mas tem origem na constituição desigual dos lugares de homens e mulheres nas sociedades – a desigualdade de gênero -, que tem implicações não apenas nos papéis sociais do masculino e feminino e nos comportamentos sexuais, mas também em uma relação de poder. Em outras palavras, significa dizer que a desigualdade é estrutural. Ou seja, social, histórica e culturalmente a sociedade designa às mulheres um lugar de submissão e menor poder em relação aos homens. Qualquer outro fator – o desemprego, o alcoolismo, o ciúme, o comportamento da mulher, seu jeito de vestir ou exercer sua sexualidade – não são causas, mas justificativas socialmente aceitas para que as mulheres continuem a sofrer violência.
(...) Em anos recentes, esse reconhecimento foi acompanhado por mudanças na forma como devemos responder a essa violência, atacando não as justificativas, mas as causas. O país tornou-se referência internacional com a Lei 11.340/2006 – a Lei Maria da Penha, cujo diferencial é a forma de abordar o problema, propondo a criminalização e a aplicação de penas para os agressores, mas também medidas que são dirigidas às mulheres para a proteção de sua integridade física e de seus direitos, além de medidas de prevenção destinadas a modificar as relações entre homens e mulheres na sociedade, campo no qual a educação desempenha papel estratégico. Apesar de tudo, o Brasil segue sendo um país violento para as mulheres. Anualmente são registradas centenas de ocorrências de violência doméstica, de violência sexual, além das elevadas taxas de homicídios de mulheres que, quando motivadas pelas razões de gênero, são tipificadas como feminicídios. Esses números expressam uma parte do problema e comumente dizemos que a subnotificação é uma característica dessas situações.
O medo, a dúvida, a vergonha são algumas explicações para esse silêncio, mas novamente nos contentamos em olhar para as justificativas e não para as causas. (...)
De modo geral, mudamos as leis, mas não a forma como as instituições funcionam. O Sistema de Justiça segue atuando de forma seletiva e distribuindo de forma desigual o acesso à Justiça. Existem poucos serviços especializados para atender as mulheres em situação de violência. Faltam protocolos que orientem o atendimento. Falta capacitação para os profissionais cuja atuação é muitas vezes balizada por convicções pessoais e julgamentos de valor que nada têm a ver com os direitos humanos. (...)
Disponível em: https://revistagalileu.globo.com/Sociedade/notícia/2018/02/
violencia-contra-mulher-wania-pasinato.html - Acesso em 30/06/2020
No primeiro parágrafo do texto I, ao utilizar o vocábulo “infortúnio”, para se referir ao comportamento violento imposto à mulher, a autora expressa, principalmente, que
Provas
TEXTO I
As mulheres são vítimas de violência porque são mulheres
Wânia Pasinato
Nos últimos anos, a violência contra as mulheres no Brasil vem se tornando assunto público e reconhecido como problema ao qual qualquer mulher, independentemente de raça, cor, etnia, idade ou classe social pode estar sujeita. Trata-se de reconhecer que a violência não é um infortúnio pessoal, mas tem origem na constituição desigual dos lugares de homens e mulheres nas sociedades – a desigualdade de gênero -, que tem implicações não apenas nos papéis sociais do masculino e feminino e nos comportamentos sexuais, mas também em uma relação de poder. Em outras palavras, significa dizer que a desigualdade é estrutural. Ou seja, social, histórica e culturalmente a sociedade designa às mulheres um lugar de submissão e menor poder em relação aos homens!$ ^{A)} !$. Qualquer outro fator – o desemprego, o alcoolismo, o ciúme, o comportamento da mulher, seu jeito de vestir ou exercer sua sexualidade – não são causas, mas justificativas socialmente aceitas para que as mulheres continuem a sofrer violência.
(...) Em anos recentes, esse reconhecimento foi acompanhado por mudanças na forma como devemos responder a essa violência, atacando não as justificativas, mas as causas. O país tornou-se referência internacional com a Lei 11.340/2006 – a Lei Maria da Penha, cujo diferencial é a forma de abordar o problema, propondo a criminalização e a aplicação de penas para os agressores, mas também medidas que são dirigidas às mulheres para a proteção de sua integridade física e de seus direitos, além de medidas de prevenção destinadas a modificar as relações entre homens e mulheres na sociedade, campo no qual a educação desempenha papel estratégico. Apesar de tudo, o Brasil segue sendo um país violento para as mulheres. Anualmente são registradas centenas de ocorrências de violência doméstica, de violência sexual, além das elevadas taxas de homicídios de mulheres que, quando motivadas pelas razões de gênero, são tipificadas como feminicídios. Esses números expressam uma parte do problema e comumente dizemos que a subnotificação é uma característica dessas situações.
O medo, a dúvida, a vergonha são algumas explicações para esse silêncio!$ ^{B)} !$, mas novamente nos contentamos em olhar para as justificativas e não para as causas. (...)
De modo geral, mudamos as leis, mas não a forma como as instituições funcionam. O Sistema de Justiça segue atuando de forma seletiva e distribuindo de forma desigual o acesso à Justiça. Existem poucos serviços especializados para atender as mulheres em situação de violência. Faltam protocolos que orientem o atendimento. Falta capacitação para os profissionais cuja atuação é muitas vezes balizada por convicções pessoais e julgamentos de valor que nada têm a ver com os direitos humanos. (...)
Disponível em: https://revistagalileu.globo.com/Sociedade/notícia/2018/02/
violencia-contra-mulher-wania-pasinato.html - Acesso em 30/06/2020
TEXTO II
Porém igualmente
É uma santa. Diziam os vizinhos. E D. Eulália
apanhando!$ ^{C)} !$. É um anjo. Diziam os parentes. E D. Eulália
sangrando. Porém igualmente se surpreenderam na
noite em que, mais bêbado que de costume, o marido,
depois de surrá-la, jogou-a pela janela, e D. Eulália
rompeu em asas o voo de sua trajetória.
(COLASANTI, Marina. Um espinho de marfim e outras histórias.
Porto Alegre: L & PM, 1999.)

A atitude do indivíduo observador no texto V evidencia seu comportamento diante da violência contra a mulher. A referência a esse mesmo tipo de comportamento pode ser verificada nos seguintes trechos de outros textos desta prova, EXCETO:
Provas
Duas partículas idênticas, A e B, se movimentam ao longo de uma mesma trajetória x, sendo suas posições, em função do tempo, dadas por xA = 2t e xB = 4 + t, respectivamente, com x em metros e t em segundos. Em determinado instante, as partículas, que formam um sistema isolado, sofrem uma colisão parcialmente elástica, com coeficiente de restituição e = 0,5.
Nessas condições e desprezando o deslocamento dessas partículas durante a colisão, quando a partícula A estiver na posição 28 m, a partícula B estará na posição, em m,
Provas
TEXT
The end of life on Earth?
It weighted about 10,000 tons, entered the atmosphere at a speed of 64,000 km/h and exploded over a city with a blast of 500 kilotons. But on 15 February 2013, we were lucky. The metereorite that showered pieces of rock over Chelyabinsk, Russia, was relatively small, at only about 17 metres wide. Although many people were injured by falling glass, the damage was nothing compared to what had happened in Siberia nearly one hundred years ago, when a relatively small object (approximately 50 metres in diameter) exploded in mid-air over a forest region, flattening about 80 million trees. If it had exploded over a city such as Moscow or London, millions of people would have been killed.
By a strange coincidence, the same day that the meteorite terrified the people of Chelyabinsk, another 50m-wide asteroid passed relatively close to Earth. Scientists were expecting that visit and know that the asteroid will return to fly close by us in 2046, but the Russian meteorite earlier in the day had been too small for anyone to spot.
Most scientists agree that comets and asteroids pose the biggest natural threat to human existence. It was probably a large asteroid or comet colliding with Earth which wiped out the dinosaurs about 65 million years ago. An enormous object, 10 to 16 km in diameter, struck the Yucatan region in Mexico with the force of 100 megatons. That is the equivalent of one Hiroshima bomb for every person alive on Earth today.
Many scientists, including the late Stephen Hawking, say that any comet or asteroid greater than 20km in diameter that hits Earth will result in the complete destruction of complex life, including all animals and most plants. As we have seen even a much smaller asteroid can cause great damage.
The Earth has been kept fairly safe for the last 65 million years by good fortune and the massive gravitational field of the planet Jupiter. Our cosmic guardian, with its stable circular orbit far from the sun, sweeps up and scatters away most of the dangerous comets and asteroids which might cross Earth’s orbit.
After the Chelyabinsk meteorite, scientists are now monitoring potential hazards even more carefully but, as far as they know, there is no danger in the foreseeable future.
Types of space rocks
• Comet – a ball of rock and ice that sends out a tail of gas and dust behind it. Bright comets only appear in our visible night sky about once every ten years.
• Asteroid – a rock a few feet to several kms in diameter. Unlike comets, asteroids have no tail. Most are to small to cause any damage and burn up in the atmosphere.
• Meteoroid – part of an asteroid or comet.
• Meteorite – what a meteoroid is called when it hits Earth.
Taken from: http://learningenglishteens.britishcouncil.org
- Access on 29/06/2020
“Which” refers to
Provas
Caderno Container