Foram encontradas 358 questões.
Ao analisar um trecho de uma planta industrial onde circulava gás, um técnico observou que ali não havia troca de calor.
Esse fato significa que ali estava ocorrendo um processo
Esse fato significa que ali estava ocorrendo um processo
Provas
Questão presente nas seguintes provas
Segundo a norma ISA S 5.1, a representação correspondente a um transmissor de densidade do tipo pressão diferencial conectado externamente ao reservatório é
Provas
Questão presente nas seguintes provas
O trecho de uma tubulação em uma planta de processo deve ser mantido sob a pressão de 150 kPa ou, aproximadamente,
Provas
Questão presente nas seguintes provas
A vazão em uma planta deve ser mantida a 5 kg/s, o que corresponde a, aproximadamente,
Provas
Questão presente nas seguintes provas

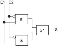
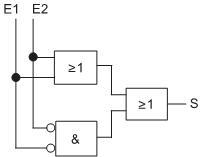
O diagrama lógico correspondente à tabela verdade representada acima é
Provas
Questão presente nas seguintes provas
Os parâmetros de tolerância geométrica - circularidade, concentricidade e paralelismo - correspondem, respectivamente, às características de
Provas
Questão presente nas seguintes provas

Segundo a norma ISA 5.1, a Figura acima deve ser utilizada para representar uma válvula
Provas
Questão presente nas seguintes provas
Em instalações industriais, as tubulações para ar comprimido devem ser pintadas na cor
Provas
Questão presente nas seguintes provas
Considere as etapas presentes no processo de purificação de água para uso em caldeiras apresentado na Figura abaixo.

Após passar por um sedimentador contínuo e um filtro de areia, a água pode ser direcionada ou a um sistema contendo um filtro de carvão seguido de troca iônica, ou a um sistema de tratamento por membranas.
No processo representado,

Após passar por um sedimentador contínuo e um filtro de areia, a água pode ser direcionada ou a um sistema contendo um filtro de carvão seguido de troca iônica, ou a um sistema de tratamento por membranas.
No processo representado,
Provas
Questão presente nas seguintes provas

Um sistema de controle de vazão em malha fechada apresenta a resposta dinâmica ilustrada na Figura acima.
O valor do tempo de assentamento da curva de resposta do sistema é
Provas
Questão presente nas seguintes provas
Cadernos
Caderno Container