Foram encontradas 3.321 questões.
Um problema encontrado no projeto de um navio é a estimativa do seu peso leve, cujo valor é fundamental para o desenvolvimento do projeto. Para que o peso leve não seja subestimado durante o projeto, analise as medidas a serem tomadas.
I – Inclusão de margem de peso para a solda.
II – Inclusão de margem de peso para espessura de chapas usadas na construção.
III – Inclusão de margem para o volume dos porões de carga.
É(São) válida(s) APENAS a(s) medida(s)
Provas

A treliça da figura acima é carregada nas articulações C e D por forças de mesma intensidade, P, e na mesma direção do elemento AB. A intensidade do esforço normal no elemento AB e a natureza do esforço normal em AC são de, respectivamente,
Provas
A seção mestra de um navio possui área de seção transversal igual a 2,7 x 105 mm². O momento de inércia em relação à linha neutra é 4,1 x 1011 mm4. O módulo de seção no convés é de 3,3 x 108 mm³, enquanto que no fundo é de 2,3 x 108 mm³. Durante sua operação, o navio fica submetido a um momento fletor máximo de 1.500 kN.mm. Ao se fazer um reparo, foi substituído um trecho de chapeamento de 1.000 mm de largura ao longo de todo convés, usando-se uma chapa 2 mm mais espessa que a chapa original.

Após o reparo os valores de tensão
Provas

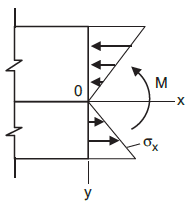
Uma viga de material elástico sob flexão, representada acima, com módulo de inércia I em relação à linha neutra, tem a tensão normal em um ponto da viga dada por:
!$ sigma_x !$ = k . E . y
Onde : k é a curvatura da linha neutra da viga;
E é o módulo de elasticidade do material; e
y é a distância do ponto considerado à linha neutra.
O momento fletor atuante na viga é
Provas
Um navio de 200m de comprimento e pontal de 14 m está submetido a um momento fletor máximo de 5.000 t x m. O eixo neutro, na seção mestra, está localizado a 6 m acima da quilha. Se a tensão de escoamento do aço e o momento de inércia da seção mestra em relação ao eixo neutro são iguais, respectivamente, a 250 MPa e 3,2 x 1012 mm4, o fator de segurança a ser considerado é igual a (Considere a aceleração da gravidade igual a 10 m/s2)
Provas
O limite de fadiga usado nos critérios mais comuns de modos de falha, em uma determinada aplicação, é obtido pela redução do valor resultante do ensaio de fadiga, dependendo das particulares condições de aplicação do componente estrutural e da sua manufatura. Dentre os fatores abaixo, qual NÃO contém um fator diretamente responsável pela alteração do valor do limite de fadiga resultante do respectivo ensaio?
Provas
O mastro de um navio, fabricado em aço comum, apresenta vibração com excessiva amplitude, causando danos à sua estrutura e aos equipamentos suportados. Ao se desenvolver um estudo para serem identificadas as causas do problema, constatou-se que o navio possuía em sua operação forças de excitação atuando fortemente entre as frequências de 2 e 20 Hz. Foram calculados os 3 primeiros modos de vibração do mastro, obtendo-se como resultado as frequências naturais de 15, 25 e 45 Hz, respectivamente. As medidas abaixo foram tomadas para se reduzir a amplitude de vibração, através do aumento do valor das frequências naturais de vibração do mastro, evitando-se a faixa das frequências de excitação.
I – Uso de aço especial no mastro com tensão de escoamento 50% superior à do aço comum.
II – Aumento da rigidez da estrutura através de reforços e alteração de sua geometria.
III – Redução do peso dos equipamentos e da estrutura do mastro.
Dentre as medidas tomadas, é(são) efetiva(s) a(s)
Provas
Considere a barra da figura, de seção transversal contínua, momento de inércia da seção transversal I, comprimento L, altura da seção transversal igual a y, apoiada nas extremidades e carregada com força P no centro.

Sabendo que a distância da linha neutra à sua extremidade inferior é 1/3 da altura da seção transversal, a tensão normal máxima na seção central da viga é
Provas
Um pilar biarticulado em suas extremidades apresenta uma carga crítica de flambagem de 100 kN. Para aumentar a capacidade de carga do pilar, foram engastadas suas extremidades, sendo mantidas as demais características geométricas. O valor da carga crítica de flambagem do pilar passou a ser de
Provas
Um navio tem deslocamento igual !$ Delta !$ possui um tanque de carga de seções retangulares parcialmente carregado com líquido de peso específico !$ gamma !$. Se o momento de inércia da superfície livre do tanque em relação ao eixo longitudinal do navio é igual a I, a correção da altura metacêntrica necessária para se considerar o efeito de superfície livre é dada pela expressão
Provas
Caderno Container