Magna Concursos

Foram encontradas 39.585 questões.

2668366 Ano: 2022
Disciplina: Engenharia Mecânica
Banca: Marinha
Orgão: Marinha

Observe a figura abaixo.

Enunciado 3305364-1

A figura acima representa uma chapa quadrada (lado de 10 metros) com um furo (com raio de 2 metros), posicionado conforme mostrado. É correto afirmar que o centro de gravidade da chapa está posicionado na coordenada:

Dado: !$ \pi !$ = 3

 

Provas

Questão presente nas seguintes provas
2668365 Ano: 2022
Disciplina: Engenharia Mecânica
Banca: Marinha
Orgão: Marinha

Quanto às engrenagens, é correto afirmar que:

 

Provas

Questão presente nas seguintes provas
2668364 Ano: 2022
Disciplina: Engenharia Mecânica
Banca: Marinha
Orgão: Marinha

O Sistema Internacional (SI) é o fundamento da metrologia moderna. Uma série de Unidades são formadas mediante combinações adequadas de unidades SI. Considere as unidades abaixo:

UNIDADES

1 - J / (kg.K)

2 - Pa.s

3 - kg/m3

4 - N.m

5 - W / (m.K)

Assinale a opção que apresenta a correspondência correta entre as unidades e suas respectivas grandezas.

 

Provas

Questão presente nas seguintes provas
2668363 Ano: 2022
Disciplina: Engenharia Mecânica
Banca: Marinha
Orgão: Marinha

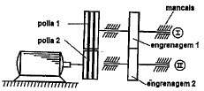
Observe a figura abaixo.

Enunciado 3305361-1

Considerando a transmissão da figura acima, a qual é acionada por um motor elétrico de potência P, é correto afirmar que:

Dados: !$ \eta_c: !$ rendimento da transmissão por correias;

!$ \eta_E: !$ rendimento da transmissão por engrenagens; e

!$ \eta_m: !$ rendimento do par de mancais.

 

Provas

Questão presente nas seguintes provas
2668362 Ano: 2022
Disciplina: Engenharia Mecânica
Banca: Marinha
Orgão: Marinha

Sabendo que em uma tubulação escoa óleo (viscosidade cinemática igual a 0,0002 m2/s) a 2 m/s e possui um diâmetro de 100 mm, calcule a perda de carga em 10 metros dessa tubulação e assinale a opção correta.

Dado: g= 10 m/s2.

 

Provas

Questão presente nas seguintes provas
2668361 Ano: 2022
Disciplina: Engenharia Mecânica
Banca: Marinha
Orgão: Marinha

Com relação às construções geométricas em desenho técnico mecânico, assinale a opção INCORRETA.

 

Provas

Questão presente nas seguintes provas
2668360 Ano: 2022
Disciplina: Engenharia Mecânica
Banca: Marinha
Orgão: Marinha

Com base no símbolo de rugosidade apresentado abaixo, assinale a opção que completa corretamente as lacunas da sentença.

Enunciado 3305358-1

O valor da rugosidade Ra é de . A direção predominante das estrias é . O comprimento da amostra para avaliação da rugosidade é de . O sobremetal para usinagem é de . O método de fabricação, tratamento ou revestimento da superfície é a .

 

Provas

Questão presente nas seguintes provas
2668359 Ano: 2022
Disciplina: Engenharia Mecânica
Banca: Marinha
Orgão: Marinha

Um vaso de pressão cilíndrico possui raio interno de 1 metro e altura de 5 metros. Esse vaso possui espessura de parede de 50 mm e está sujeito a uma pressão interna de 1,5 MPa.

Qual a máxima tensão nas paredes desse vaso de pressão?

 

Provas

Questão presente nas seguintes provas
2668358 Ano: 2022
Disciplina: Engenharia Mecânica
Banca: Marinha
Orgão: Marinha

Durante um ensaio de tração, quando se chega ao ponto de tensão limite de escoamento, o material entra em uma região que é caracterizada pela presença de deformações permanentes no corpo de prova, e, para materiais de alta capacidade de deformação, o diagrama tensão de formação apresenta variações relativamente pequenas na tensão, acompanhadas de grandes variações na deformação.

A necessidade de aumentar a tensão para dar continuidade à deformação plástica do material decorre de um fenômeno denominado:

 

Provas

Questão presente nas seguintes provas
2668357 Ano: 2022
Disciplina: Engenharia Mecânica
Banca: Marinha
Orgão: Marinha

Considere um ensaio de tração de uma barra cilíndrica dos seguintes materiais listados na tabela abaixo.

Material

Módulo de Elasticidade (GPa) Limite de Escoamento (MPa)

Limite de Resistência à tração (MPa)

Liga de Alumínio

70 255 420
Latão 100 345 420
Cobre 110 250 290
Aço 207 450 550
Liga de Magnésio 45 152 276

Para uma carga de 24500 N, qual dos materiais descritos na tabela acima permanecerá na região elástica com um alongamento menor que 1 mm após a aplicação da carga?

Dados: !$ \pi !$ = 3

Comprimento da barra cilíndrica= 400 mm; e

Diâmetro da barra cilíndrica= 10 mm.

 

Provas

Questão presente nas seguintes provas