Foram encontradas 20.456 questões.

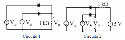
Nos circuitos 1 e 2 mostrados acima, os diodos são ideais. Com base nesses circuitos, julgue os itens subsequentes.
Provas

Considerando os elementos de circuito mostrados nas figuras I, II e III acima, julgue os itens a seguir, com base na física dos semicondutores.
Provas

Considerando os elementos de circuito mostrados nas figuras I, II e III acima, julgue os itens a seguir, com base na física dos semicondutores.
Provas

Considerando os elementos de circuito mostrados nas figuras I, II e III acima, julgue os itens a seguir, com base na física dos semicondutores.
Provas

Considerando os elementos de circuito mostrados nas figuras I, II e III acima, julgue os itens a seguir, com base na física dos semicondutores.
Provas
Provas
Provas
Provas
Provas
Provas
Caderno Container