Foram encontradas 20.456 questões.
Sobre controladores lógico-programáveis (CLPs), considere as seguintes afirmativas:
I - O princípio de funcionamento do CLP é dividido em varredura das entradas, execução do programa e atualização das saídas, nessa ordem.
II - As entradas digitais reconhecem somente dois estados: ligado ou desligado.
III - As saídas a relé são recomendadas para acionamentos em elevadas frequências, ao contrário das saídas a transistor.
Está(ão) correta(s)
Provas
O número 78 está expresso no sistema decimal. Qual das alternativas mostra a representação do mesmo número no sistema binário?
Provas

Provas
Assinale a assertiva verdadeira:
Provas
Provas
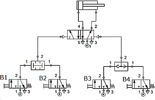
Analise o circuito digital abaixo.

A partir das informações do circuito, é correto afirmar que o sinal (SIN) estará disponível continuamente na saída (S)
Provas

Provas

Provas
Considerando um circuito RLC formado por um resistor, um indutor e um capacitor associados em série, sendo a associação submetida a uma fonte de tensão alternada V (volts), fazem-se as afirmativas:
I - Na frequência de ressonância do circuito RLC em série, ele é puramente resistivo, e a oposição à passagem da corrente é máxima.
II - Para o circuito RLC em série, abaixo da frequência de ressonância, a impedância é capacitiva (XC > XL ), e a corrente está adiantada em relação à tensão aplicada.
III - Pode-se determinar a frequência fo de ressonância do circuito a partir da igualdade XL = XC , obtendo-se, assim, a equação !$ f_o = { \large 1 \over 2\pi \sqrt {X_L ⋅ X_C}} !$.
Está(ão) correta(s)
Provas
Provas
Caderno Container