Magna Concursos

Foram encontradas 20.461 questões.

1111746 Ano: 2014
Disciplina: Engenharia Eletrônica
Banca: UFPR
Orgão: Itaipu
Provas:

A potência ativa trifásica em um circuito a três fios pode ser medida utilizando-se dois wattímetros (método de Aron), conforme ilustra a figura ao lado.

O wattímetro W1 indica 50 W, e o wattímetro W2 indica 150 W. Para essa configuração, indique a alternativa que apresenta a potência reativa total do circuito.

Dado: √3 = 1,73.

enunciado 1111746-1

 

Provas

Questão presente nas seguintes provas
1111745 Ano: 2014
Disciplina: Engenharia Eletrônica
Banca: UFPR
Orgão: Itaipu
Provas:

A figura ao lado ilustra uma fonte de tensão senoidal monofásica, cuja frequência é 60 Hz, que alimenta uma carga RL. A tensão senoidal medida por um osciloscópio nos terminais de saída da fonte revela um valor de pico de 154 V. Na figura, está presente, também, um voltímetro, identificado pela letra V.

Assinale a alternativa que indica qual o valor eficaz de tensão na carga medido pelo voltímetro V.

Dado: √2 = 1,4.

enunciado 1111745-1

 

Provas

Questão presente nas seguintes provas
1111744 Ano: 2014
Disciplina: Engenharia Eletrônica
Banca: UFPR
Orgão: Itaipu
Provas:

A figura ao lado apresenta uma carga RL série sendo alimentada por uma fonte CA de 100 V eficaz e 60 Hz. A carga RL é composta por um resistor de 40 Ω e uma reatância indutiva de 30 Ω.

Com base na figura e nas informações apresentadas, considere as afirmativas abaixo:

1. Somente o circuito RL série está sendo alimentado pela fonte; nesse caso, a corrente no amperímetro será de 2 A eficaz.

2. Somente o circuito RL série está sendo alimentado pela fonte; nesse caso, a potência no wattímetro será de 160 W.

3. Ao colocar em paralelo com a carga RL um capacitor com reatância capacitiva de 100 Ω, tem-se o aumento da corrente medida pelo amperímetro.

4. Ao colocar em paralelo com a carga RL um capacitor com reatância capacitiva de 100 Ω, tem-se a redução da potência medida pelo wattímetro.

Assinale a alternativa correta.

enunciado 1111744-1

 

Provas

Questão presente nas seguintes provas
1111743 Ano: 2014
Disciplina: Engenharia Eletrônica
Banca: UFPR
Orgão: Itaipu
Provas:

As cargas resistivas foram organizadas para formarem cargas trifásicas e estão sendo alimentadas por uma fonte trifásica com tensões equilibradas, conforme a figura ao lado.

Considerando que as tensões de linha são de 100 V eficaz, assinale a alternativa que apresenta a potência total consumida pelas cargas.

enunciado 1111743-1

 

Provas

Questão presente nas seguintes provas
1111742 Ano: 2014
Disciplina: Engenharia Eletrônica
Banca: UFPR
Orgão: Itaipu
Provas:

Considere o circuito elétrico ao lado, no qual uma fonte de tensão senoidal (CA) de valor eficaz de tensão igual a 50 V é aplicada a um circuito LC série composto por um indutor de reatância indutiva XL = 50 Ω e um capacitor de reatância capacitiva XC = 25 Ω.

Assinale a alternativa que indica o valor da potência reativa na fonte de tensão.

enunciado 1111742-1

 

Provas

Questão presente nas seguintes provas
1111741 Ano: 2014
Disciplina: Engenharia Eletrônica
Banca: UFPR
Orgão: Itaipu
Provas:
Considere o circuito elétrico ao lado, no qual uma fonte de tensão senoidal (CA) de valor eficaz de tensão igual a 100 V é aplicada a um circuito composto por dois resistores de resistências iguais a R1 = 30 Ω e R2 = 20 Ω, um indutor de reatância indutiva XL = 20 Ω e um capacitor de reatância capacitiva XC = 40 Ω.

Assinale a alternativa que apresenta o valor da potência ativa fornecida pela fonte de tensão.

enunciado 1111741-1

 

Provas

Questão presente nas seguintes provas
1111740 Ano: 2014
Disciplina: Engenharia Eletrônica
Banca: UFPR
Orgão: Itaipu
Provas:

Assinale a alternativa que apresenta a frequência de corte do circuito ao lado, assumindo que o AMPOP seja ideal.

enunciado 1111740-1

 

Provas

Questão presente nas seguintes provas
1111739 Ano: 2014
Disciplina: Engenharia Eletrônica
Banca: UFPR
Orgão: Itaipu
Provas:

Considere o circuito elétrico mostrado ao lado.

Assinale a alternativa que indica a aplicação do circuito apresentado.

enunciado 1111739-1

 

Provas

Questão presente nas seguintes provas
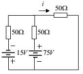
1111738 Ano: 2014
Disciplina: Engenharia Eletrônica
Banca: UFPR
Orgão: Itaipu
Provas:

Considere o circuito elétrico mostrado ao lado.

Assinale a alternativa que apresenta o valor da corrente i, indicada no circuito.

enunciado 1111738-1

 

Provas

Questão presente nas seguintes provas
1111737 Ano: 2014
Disciplina: Engenharia Eletrônica
Banca: UFPR
Orgão: Itaipu
Provas:

Considere o circuito elétrico mostrado ao lado.

Assinale a alternativa que apresenta a resistência equivalente vista entre os terminais A e B:

enunciado 1111737-1

 

Provas

Questão presente nas seguintes provas