Magna Concursos

Foram encontradas 20.461 questões.

3834246 Ano: 2024
Disciplina: Engenharia Eletrônica
Banca: HL
Orgão: Pref. Iturama-MG
Provas:
A eletrônica analógica usa sinais elétricos para representar grandezas físicas como calor ou pressão, refletindo mudanças proporcionais nesses fenômenos. Em contraste, o sinal digital é simples, representado por zeros e uns. Assim, qual é a representação binária para o número 76?
 

Provas

Questão presente nas seguintes provas
3820068 Ano: 2024
Disciplina: Engenharia Eletrônica
Banca: FUNDATEC
Orgão: SEMAE São Leopoldo-RS
Provas:

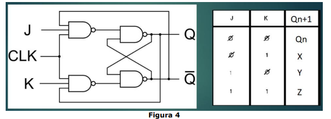
A Figura 4 apresenta um circuito digital conhecido como flip-flop JK, amplamente aplicado em projetos e circuitos digitais sequenciais, tais como contadores e registradores. Assinale a alternativa que substitui adequadamente as letras X, Y e Z presentes na tabela-verdade do flip-flop JK abaixo, na coluna Qn+1, que representa o próximo estado lógico na saída Qn após o pulso de clock.

Enunciado 4738545-1

 

Provas

Questão presente nas seguintes provas
3812166 Ano: 2024
Disciplina: Engenharia Eletrônica
Banca: FURB
Orgão: SED-SC
De acordo com a norma IEC 61131-3, que estabelece padrões para linguagens de programação de CLPs (Controladores Lógicos Programáveis), analise as afirmações a seguir:

I.A linguagem Ladder Diagram (LD) é baseada em diagramas de relés e é amplamente utilizada na programação de CLPs para aplicações que envolvem lógica de controle sequencial.
lI.A linguagem Structured Text (ST) é uma linguagem gráfica que utiliza blocos funcionais interconectados para programação de CLPs.
IlI.A linguagem lnstruction List (IL) é uma linguagem semelhante às linguagens de instruções textuais, que é útil para programação detalhada de operações lógicas e aritméticas.
IV.O Sequential Function Chart (SFC) é utilizado principalmente para programar em linguagem textual estruturada em CLPs.
V.O Function Block Diagram (FBD) permite modelar sistemas por meio de diagramas de blocos funcionais interconectados, facilitando a visualização e depuração de sistemas complexos.
VI.A norma IEC 61131-3 especifica exclusivamente as linguagens de programação a serem usadas em CLPs, não abordando outros aspectos como comunicação e interfaceamento com sistemas externos.

É correto o que se afirma em:
 

Provas

Questão presente nas seguintes provas
3812162 Ano: 2024
Disciplina: Engenharia Eletrônica
Banca: FURB
Orgão: SED-SC
Sistemas de Controle são utilizados para gerenciar e regular o comportamento de outros sistemas por meio de retroalimentação. Eles são essenciais em diversas indústrias, garantindo que processos operem de forma eficiente e segura. Exemplos incluem controle de temperatura, estabilidade de aeronaves e automação industrial. Esses sistemas podem ser de malha aberta ou fechada, dependendo do uso de retroalimentação. A modelagem matemática e análise de desempenho são cruciais para seu desenvolvimento. Dado esse cenário, em relação a um Sistema de Controle, o que representa o erro?
 

Provas

Questão presente nas seguintes provas
3812161 Ano: 2024
Disciplina: Engenharia Eletrônica
Banca: FURB
Orgão: SED-SC
Segundo  a  IEC (Internatíonal Electrotechnical Commission), um CLP (Controladores Lógicos Programáveis) é definido como sendo um sistema eletrônico operado digitalmente. Ele é projetado para ser utilizado em um ambiente industrial, possui uma memória programável para a armazenagem interna de instruções, que são orientadas pelo usuário, que implementa funções específicas, como: lógica combinacional, temporização, contagem e aritmética para controlar por meio de saídas digitais ou analógicas vários tipos de máquinas ou processos. O controlador programável e seus periféricos associados são projetados para serem facilmente usados em todas as funções previstas. Acerca dos CLPs, assinale a alternativa verdadeira:
 

Provas

Questão presente nas seguintes provas
3812160 Ano: 2024
Disciplina: Engenharia Eletrônica
Banca: FURB
Orgão: SED-SC
Em um processo de manufatura, é comum o emprego de Controladores Lógicos Programáveis (CLPs) bem como de dispositivos de suporte, tais como supervisórios. Nesse contexto, marque a alternativa correta:
 

Provas

Questão presente nas seguintes provas
3812158 Ano: 2024
Disciplina: Engenharia Eletrônica
Banca: FURB
Orgão: SED-SC
Em uma planta petroquímica de última geração, foi implementado um sistema de controle avançado para otimizar a produção de polímeros. O sistema integra um Controlador Lógico Programável (CLP} de alta performance com um sistema de controle distribuído (DCS) e utiliza técnicas de controle preditivo baseado em modelo (MPC) para gerenciar múltiplas variáveis do processo. O sistema inclui as seguintes características:

-Rede de comunicação industrial baseada em EtherCAT, para controle em tempo real.
-Implementação de um Digital Twin, para simulação e otimização em tempo real.
-Algoritmos de machine learning, para detecção precoce de falhas e manutenção preditiva.
-Interface homem-máquina (IHM) baseada em realidade aumentada.
-Integração com sistemas MES (Manufacturing Execution System) e ERP (Enterprise Resource Planning).

Durante a operação, o sistema deve lidar com perturbações estocásticas na composição da matéria-prima e variações na demanda de produção, mantendo a qualidade do produto final dentro de especificações rigorosas. Considerando esse cenário, é correto o que se afirma em:
 

Provas

Questão presente nas seguintes provas
3812157 Ano: 2024
Disciplina: Engenharia Eletrônica
Banca: FURB
Orgão: SED-SC
Um controlador de temperatura com uma saída de 4 a 20 mA está medindo um sistema de refrigeração em que a temperatura varia de -20Cº a 0Cº. Qual o valor da temperatura marcada no indicador desse controlador de temperatura quando uma corrente de 10 mA estivar sendo fornecida pelo transdutor?
 

Provas

Questão presente nas seguintes provas
3812156 Ano: 2024
Disciplina: Engenharia Eletrônica
Banca: FURB
Orgão: SED-SC
Os sistemas de controle desempenham um papel crucial em uma variedade de aplicações industriais e tecnológicas, sendo responsáveis por monitorar e regular o funcionamento de processos, máquinas e sistemas complexos. Esses sistemas são projetados para garantir que variáveis como temperatura, pressão, velocidade, fluxo e outras características operacionais sejam mantidas dentro de limites pré-definidos, assegurando, assim, a eficiência, a segurança e a qualidade dos processos. Nesse sentido, qual é o papel do ponto de ajuste (set-point) em um sistema de controle de processo?
 

Provas

Questão presente nas seguintes provas
3776537 Ano: 2024
Disciplina: Engenharia Eletrônica
Banca: VUNESP
Orgão: UNESP
Assinale a alternativa que apresenta a função principal do UBoot em um sistema embarcado.
 

Provas

Questão presente nas seguintes provas