Foram encontradas 20.456 questões.
O diagrama de blocos para um contador digital do tipo up/down de 4 bits está mostrado abaixo.

A opção de projeto que pode ser usada para implementar o contador em um circuito integrado consiste em usar o dispositivo
Provas
O esquema abaixo mostra a arquitetura de um contador de 4 bits.

Fonte: Banca Examinadora, 2026. Após o décimo primeiro pulso de clock, o código digital presente nas saídas Q0 até Q4 será
Provas
O diagrama de blocos mostra um sistema de controle típico realimentado.

O valor de K para que o sistema tenha raízes reais e iguais no plano s é
Provas
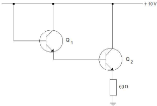
O circuito abaixo usa transistores de silício ideais, sendo \( \beta \)Q1 = 50, \( \beta \)Q2 = 10 e VBE = 0,7 V.

A corrente na base de Q1 é
Provas
No circuito com diodo mostrado abaixo os componentes são ideais e o gráfico que representa a forma de onda do sinal de excitação vi está mostrado ao lado do esquema. Estão também mostradas quatro opções de gráficos para representar a saída vo.

O gráfico que representa a saída vo é
Provas
Um transdutor de temperatura trabalha na faixa de 0°C até 100°C fornecendo uma saída de 0 - 5 V. A saída do transdutor é aplicada na entrada de um conversor analógico-digital de 8 bits. Quando a temperatura medida pelo transdutor for de 24°C, o código digital correspondente disponibilizado na saída do conversor será
Provas
Considere o circuito digital mostrado na figura abaixo.

A expressão lógica que estabelece o relacionamento da saída C com as entradas A e B é
Provas
Em um sistema de controle, a exatidão pode ser avaliada em termos do erro em estado estável. Considerar então o sistema mostrado abaixo.

O erro em estado estável pode ser computado diretamente por
Provas
Os gráficos mostrados abaixo representam características I x V de componentes elétricos.

O gráfico que representa as características I x V de um diodo retificador de silício ideal é:
Provas
A introdução da TV digital levou à necessidade de utilização de técnicas de modulação com o intuito de acomodar o sinal dentro da faixa de frequências destinada a cada emissora e obter uma qualidade mínima de sinal.
Considerando as técnicas de modulação de sinais digitais 16QAM e 64QAM, suas características de transmissão de taxas elevadas, suas necessidades em termos de largura de banda e suas respectivas sensibilidades à presença de ruídos nos canais de comunicação, analise as afirmativas a seguir:
I. A recepção de sinal de RF com modulação 64QAM é mais sensível à presença de ruídos no canal de comunicação que aqueles com modulação 16QAM, para a mesma banda ocupada e mesma potência de transmissão.
II. Com a mesma largura de banda de canal, a modulação 16QAM permite taxas de transmissão, em bits por segundo, mais elevadas que a modulação 64QAM.
III. Para mesma taxa de transmissão, em bits por segundo, a largura de banda necessária no canal quando se utiliza a modulação 16QAM é maior que aquela quando se utiliza modulação 64QAM.
Está correto apenas o que se afirma em
Provas
Caderno Container