Foram encontradas 20.559 questões.
Examine a figura abaixo.

Assinale a opção que apresenta o correto valor do Duty Cycle da forma de onda periódica apresentada na figura acima, considerando que o tempo no nível baixo tL = 6 ms e o tempo no nível alto tH = 14 ms.
Provas
Adote a notação X2 para um número X, em numeração binária, e Y10 para um número Y, em numeração decimal. Desse modo, resolva a equação T=24710 x (1510+1012) e assinale a opção que apresenta o valor de T, em decimal.
Provas
Com relação à memória apenas de leitura programável e apagável (erasable programmable read-only memory-EPROM), assinale a opção correta.
Provas
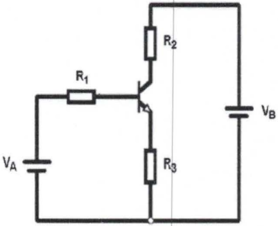
Examine a figura abaixo.

Assinale a opção que apresenta a classe dos amplificadores de potência que a figura acima representa.
Provas
Suponha um circuito retificador de onda completa em ponte, alimentado por uma fonte de tensão cujo valor eficaz é de 220 V e frequência de 60 Hz. Assinale a opção que apresenta a frequência do sinal observado na saída do retificador.
Provas
Examine a figura abaixo.

Considerando os amplificadores operacionais da figura acima como ideais, assinale opção que apresenta corretamente o valor da tensão no ponto V0, em mV.
Provas
Simplifique a expressão \( S = \bar A(A + C + D) \overline {(\bar CD)}(C + \bar D) \) e assinale a opção correta.
Provas
Determine a expressão apropriada para o diagrama LADDER (Norma IEC61131-3) apresentado na figura abaixo e assinale a opção correta.

Provas
Determine, na base decimal, a soma de (4E)16 com (10110101)2 e assinale a opção correta.
Provas
Determine a topologia de amplificador apresentada na figura abaixo e assinale a opção correta.

Provas
Caderno Container