Foram encontradas 20.455 questões.
A respeito da reversibilidade de conversores CC-CC, é correto afirmar que
Provas
As duas chaves do meio braço são acionadas de forma complementar, de modo que, durante o intervalo de condução, a tensão aplicada ao primário do transformador é metade da tensão do barramento.
O transformador possui relação de espiras igual a Np/Ns = 5, onde Np é o número de espiras do primário e Ns é o número de espiras do secundário.
O secundário é retificado e filtrado, e o conversor opera em modo de condução contínua (CCM), com perdas desprezíveis.
Se o conversor opera com razão cíclica (ciclo de trabalho) igual a 0,4, a tensão média de saída, em volts, é igual a
Provas
Deseja-se que transistor Q1 funcione na região ativa admitindo modelo aproximado com β alto.
Considerando os possíveis pares de valores para R1 e R2, assinale a opção em que o transistor opera na região ativa.
Provas
Por essa razão, um conversor CC–CC pode ser empregado para manter a saída regulada mesmo quando a tensão de entrada for maior, menor ou igual à tensão desejada.
A topologia de conversor CC-CC mais indicada para a aplicação descrita é
Provas
Nos conversores diretos, a energia flui continuamente durante todo o ciclo de chaveamento sem armazenamento intermediário significativo.
Esses conversores são amplamente utilizados em fontes isoladas, sistemas de média potência e aplicações que exigem boa regulação dinâmica e isolamento galvânico.
Três topologias de conversores CC–CC diretos são
Provas
Considerando todos os componentes ideais e que o circuito opera no modo de corrente contínua (Continuous current mode – CCM), o valor de Ve , em volts, para que Vs = 50V é aproximadamente
Provas
No conversor CC-CC a seguir a chave S representa o chaveamento periódico de um transistor IGBT ou MOSFET cuja razão entre o tempo em que a chave permanece ligada (ton) e o período total de comutação (T) é denominada ciclo de trabalho.

O conversor opera no modo de corrente contínua (Continuous current mode - CCM) e todos os componentes são ideais. Assuma que a corrente no indutor aumenta linearmente durante o período em que a chave S está ligada (ton), e diminui linearmente quando a chave está desligada.
Provas
No conversor CC-CC a seguir a chave S representa o chaveamento periódico de um transistor IGBT ou MOSFET cuja razão entre o tempo em que a chave permanece ligada (ton) e o período total de comutação (T) é denominada ciclo de trabalho.

O conversor opera no modo de corrente contínua (Continuous current mode - CCM) e todos os componentes são ideais. Assuma que a corrente no indutor aumenta linearmente durante o período em que a chave S está ligada (ton), e diminui linearmente quando a chave está desligada.
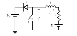
Provas
A classificação dos quadrantes segundo os sinais de V e I é: Primeiro Quadrante: quando V > 0, I > 0; Segundo Quadrante: quando V > 0, I < 0; Terceiro Quadrante: quando V < 0, I < 0; e Quarto Quadrante: quando V < 0, I > 0.
Considerando todos os componentes ideais e que a chave S representa um chaveamento periódico, é correto afirmar que o circuito opera
Provas
Seu princípio básico consiste no chaveamento periódico de um transistor IGBT ou MOSFET, cuja razão entre o tempo em que a chave permanece ligada (ton) e o período total de comutação (T) é denominada ciclo de trabalho:
D = ton/T
Com relação aos tipos e princípios de operação dos conversores CC–CC ideais, analise as afirmativas a seguir:
I. O conversor Buck produz uma tensão média de saída (Vo) menor que a de entrada (Vin), sendo Vo/Vin = D.
II. O conversor Boost possui relação Vo/Vin = 1/(1 − D), permitindo obter tensão maior que a de entrada.
III. O conversor Buck–Boost inverte a polaridade da tensão de saída, e Vo / Vin = D/(1 − D).
É correto o que se afirma em
Provas
Caderno Container