Foram encontradas 8.184 questões.
Sabe-se que
• a relação de transformação do transformador de corrente é 100:5; • a corrente de ajuste secundária da unidade temporizada é 3 A. Caso ocorra uma falta bifásica no ramal, cujo valor da corrente seja de 480 A, em quantos segundos, a partir do instante em que ocorreu a falta, o relé deverá atuar?
Provas
A Figura abaixo apresenta um esquema de acionamento de um motor trifásico:

Em relação ao exibido nesse esquema, considere as afirmativas abaixo:
I - A botoeira NA desliga o motor.
II - A chave S mantém o motor energizado.
III - A botoeira NF liga o motor.
Está correto o que se apresenta APENAS na(s) afirmativa(s)
Provas
Provas
- EletrotécnicaCircuitos de Corrente Contínua em Eletrotécnica
- EletrotécnicaCircuitos Elétricos em Eletrotécnica
A tensão em V sobre o resistor de 18,0 Ω valeProvas
Dentre as representações utilizadas em eletricidade, o símbolo abaixo corresponde a um

Provas
- EletrotécnicaCircuitos de Corrente Contínua em Eletrotécnica
- EletrotécnicaCircuitos Elétricos em Eletrotécnica
A Lei de Coulomb é dada pela seguinte expressão:
![]()
onde, F é a força elétrica, q1 e q2 são as cargas elétricas, r é a distância entre as cargas e ε é a permissividade elétrica.
A unidade da permissividade elétrica no Sistema Interna
Provas
Provas
- EletrotécnicaAnálise de Circuitos Elétricos
- EletrônicaCircuitos de Corrente Contínua em Eletroeletrônica
Analise o circuito seguinte:

Para o circuito mostrado, que representa uma das topologias de conversores CC/CC, todas as afirmativas estão corretas, EXCETO:
Provas
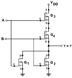
- EletrotécnicaCircuitos Lógicos e Álgebra Booleana em Eletrotécnica
- EletrônicaEletrônica Digital em Eletroeletrônica
Analise o funcionamento do circuito mostrado.

Considerando VDD igual a 5V e que as entradas A e B assumem os níveis de 0V e 5V, a função lógica da saída Y é
Provas

Considerando o esquema acima, é CORRETO afirmar que
Provas
Caderno Container