Foram encontradas 8.184 questões.
Na figura abaixo, os resistores R1,R2 e R3 formam uma rede delta(∆) e os resistores r1,r2 e r3 formam
a rede estrela(Y) equivalente.
Considerando R1=5Ω,R2=10Ω e R3=15Ω, o valor de r1 será igual a:
Considerando R1=5Ω,R2=10Ω e R3=15Ω, o valor de r1 será igual a:
Provas
Questão presente nas seguintes provas
- EletrotécnicaCircuitos Lógicos e Álgebra Booleana em Eletrotécnica
- EletrônicaEletrônica Digital em Eletroeletrônica
Admitindo o AO ideal e que a tensão direta do led seja igual a 2V, o valor do resistor R para que a
corrente no diodo seja igual a 10mA é igual a:


Provas
Questão presente nas seguintes provas
Somente serão consideradas desenergizadas as instalações elétricas liberadas para trabalho, mediante
os procedimentos apropriados. Marque a alternativa em que se indica, CORRETAMENTE e na ordem,
a sequência correta dos procedimentos a serem adotados.
Provas
Questão presente nas seguintes provas
Assinale a alternativa em que é indicada, CORRETAMENTE, uma aplicação típica de inversores de
frequência.
Provas
Questão presente nas seguintes provas
- EletrotécnicaAnálise de Circuitos Elétricos
- EletrônicaCircuitos de Corrente Contínua em Eletroeletrônica
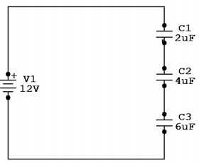
Analise o seguinte circuito sobre os aspectos de carga e tensão nos capacitores.
Os valores de capacitância nesse circuito estão dados em microfarad.

Em relação ao circuito, é CORRETO afirmar que
Provas
Questão presente nas seguintes provas
Nos fusíveis encontramos duas letras que têm relação com a faixa de interrupção e com a categoria de
utilização.
Assinale a alternativa em que é indicado CORRETAMENTE qual tipo de fusível a seguir pertence à categoria de proteção contra sobrecarga e curto-circuito em semicondutores.
Assinale a alternativa em que é indicado CORRETAMENTE qual tipo de fusível a seguir pertence à categoria de proteção contra sobrecarga e curto-circuito em semicondutores.
Provas
Questão presente nas seguintes provas
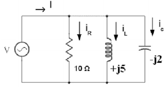
No circuito RLC paralelo abaixo, a fonte é de 120V, a resistência R= 10Ω, a reatância indutiva XL = 5Ω e a e reatância capacitiva XC = 2Ω.

O valor CORRETO para a impedância Z vista pela fonte de tensão é
Provas
Questão presente nas seguintes provas
As dimensões internas dos eletrodutos e de suas conexões devem permitir que, após montagem da
linha, os condutores possam ser instalados e retirados com facilidade. Para tanto, a taxa de ocupação
do eletroduto, dada pelo quociente entre a soma das áreas das seções transversais dos condutores
previstos, calculadas com base no diâmetro externo, e a área útil da seção transversal do eletroduto,
NÃO deve ser superior a
Provas
Questão presente nas seguintes provas
A resistência de um condutor varia de acordo com a resistividade do material, do comprimento e da
área da seção reta do fio. Considerando apenas condutores de cobre com o mesmo comprimento,
diferentes bitolas e temperatura constante, é CORRETO afirmar que a área da seção reta que produz
menor resistência é de
Provas
Questão presente nas seguintes provas
Nas indústrias, algumas vezes, torna-se necessário um acréscimo de carga. Em algumas ocasiões
não é possível aumentar o suprimento de energia, por estar a instalação no limite de sua capacidade
ou a rede sobrecarregada. Recorre-se, então, à instalação de capacitores, para reduzir a potência absorvida, aumentando o fator de potência, e assim, fazer crescer a potência efetiva ou sem afetar a potência da instalação.
Marque a alternativa que complete corretamente as lacunas acima:
Marque a alternativa que complete corretamente as lacunas acima:
Provas
Questão presente nas seguintes provas
Cadernos
Caderno Container