Foram encontradas 50 questões.
Um gerador trifásico ligado em estrela (Y), conforme a figura abaixo, fornece 100 kW a um fator de potência de 0,75.

Com a tensão de fase (vF) igual a 220V, a corrente elétrica liberada na linha (iL), em amperes (A), será de, aproximadamente,
Provas
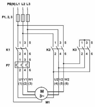
Para responder às questões 48 e 49, considere o circuito de potência abaixo.

Se o motor trifásico M1 funcionar à plena carga, a corrente solicitada da rede elétrica será igual a IN. Nesse caso, o relé F7 deve ser ajustado para o valor de corrente elétrica
Provas
Para responder às questões 48 e 49, considere o circuito de potência abaixo.

Nesse circuito, o motor elétrico trifásico M1 será submetido ao tipo de acionamento
Provas
Considere o esquema elétrico de potência representado abaixo, para acionamento de motor elétrico trifásico.

Nesse esquema, os dispositivos representados por F1, K1, Q1 e F3 são, respectivamente:
Provas
Nas instalações elétricas industriais, a utilização dos equipamentos elétricos pode contribuir para o aumento ou para a diminuição das contas de energia elétrica. Nesse contexto, motores elétricos de indução subcarregados, transformadores operando em vazi o, lâmpadas que utilizam reatores e grande quantidade de motores elétricos de pequena potência são as principais causas
Provas
Na figura ao lado, um transformador trifásico, com o enrolamento primário em ∆ e o secundário também em ∆, tem a corrente de linha do primário igual a 10 A e a tensão de linha primária igual a 440 V.
Se a relação de transformação for 2:1, a tensão de linha V e a corrente de linha I no secundário serão, respectivamente,

Provas
Um autotransformador abaixador, conforme figura ao lado, tem o número total de espiras (N1) igual a 55 e está conectado à rede elétrica na tensão de 110 V. A tensão obtida na saída (secundário) é 28 V.
O número de espiras do secundário (N2) e o valor aproximado da corrente elétrica IB, em ampères, na parte comum do enrolamento, são, respectivamente,

Provas
Voltímetro e amperímetro são instrumentos bastante utilizados para a obtenção de medidas elétricas. Esses instrumentos são caracterizados por apresentarem suas resistências internas, respectivamente,
Provas
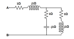
Considere o circuito CA monofásico representado abaixo.

Nesse circuito, a impedância equivalente (ZEQ) entre os pontos A e B, em Ohm (Ω), vale
Provas
Considere o circuito abaixo, em que IAB = 2A.

Nesse caso, o valor da ddp entre os pontos A e B é igual a
Provas
Caderno Container