Magna Concursos

Foram encontradas 8.137 questões.

4032074 Ano: 2026
Disciplina: Eletroeletrônica
Banca: FEPESE
Orgão: Pref. Campos Novos-SC
Provas:
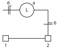
A figura abaixo mostra um diagrama trifilar de uma instalação elétrica.

Enunciado 4513987-1

Fonte: Adaptado de Instalações elétricas / Hélio Creder - Rio de Janeiro: LTC, 2021.

Assinale a alternativa correta.
 

Provas

Questão presente nas seguintes provas
4032073 Ano: 2026
Disciplina: Eletroeletrônica
Banca: FEPESE
Orgão: Pref. Campos Novos-SC
Provas:
Assinale a alternativa correta com relação aos esquemas de aterramento.
 

Provas

Questão presente nas seguintes provas
4032072 Ano: 2026
Disciplina: Eletroeletrônica
Banca: FEPESE
Orgão: Pref. Campos Novos-SC
Provas:
A figura abaixo mostra um circuito para o acionamento de uma lâmpada. 

Enunciado 4513985-1

Sabendo que os interruptores são do tipo paralelo, qual a fiação deve estar presente no eletroduto entre os interruptores 1 e 2?
 

Provas

Questão presente nas seguintes provas
4032071 Ano: 2026
Disciplina: Eletroeletrônica
Banca: FEPESE
Orgão: Pref. Campos Novos-SC
Provas:
Uma instalação elétrica possui tensão alternada de 220 V eficazes entre o fio fase e o fio neutro. Essa tensão é chamada de tensão de fase.

Como é chamada a tensão entre duas fases distintas e qual seria o valor eficaz dessa tensão na instalação elétrica citada?
 

Provas

Questão presente nas seguintes provas
4032070 Ano: 2026
Disciplina: Eletroeletrônica
Banca: FEPESE
Orgão: Pref. Campos Novos-SC
Provas:
Duas lâmpadas incandescentes possuem a especificação de 220 V/100 W.

Qual será a potência das duas lâmpadas somadas se elas forem ligadas em série em uma instalação elétrica de 220 V eficazes?
 

Provas

Questão presente nas seguintes provas

Em um setor administrativo, um servidor precisa limpar a área em torno de impressoras e computadores. Ele percebe poeira acumulada atrás dos aparelhos e diante de tomadas com múltiplos cabos. O procedimento deve considerar tanto a limpeza quanto a segurança elétrica.

Assinale a alternativa que indica corretamente a conduta mais segura nessa situação.

 

Provas

Questão presente nas seguintes provas
4031048 Ano: 2026
Disciplina: Eletroeletrônica
Banca: Unesc
Orgão: Pref. Nova Veneza-SC
Provas:

No setor de controle e automação industrial, a seleção do transdutor correto é crucial para a eficácia de um sistema. Conecte os tipos de transdutores da Coluna I com suas características ou aplicações típicas na Coluna II.

Coluna I − Tipo de Transdutor

1. Termopar tipo K.

2. Célula de carga (pressão/força).

3. Sensor Óptico Difuso.

4. RTD (Resistance Temperature Detector) PT100.

5. Sensor de Proximidade Indutivo.

Coluna II − Característica/Aplicação

(__) Medição de temperatura em uma ampla faixa (até 1250°C), gerando um pequeno sinal de tensão proporcional à temperatura, ideal para fornos e processos de alta temperatura.

(__) Medição de força ou peso através da deformação de um extensômetro (strain gauge), convertendo-a em sinal elétrico, utilizado em balanças e sistemas de controle de peso.

(__) Detecção de objetos metálicos sem contato físico, utilizado para posicionamento, contagem e verificação de presença em ambientes industriais, devido à variação de campo eletromagnético.

(__) Medição de temperatura com alta precisão e linearidade, baseado na variação da resistência elétrica de um elemento de platina com a temperatura, comum em aplicações que exigem calibração rigorosa.

(__) Detecção de objetos pela reflexão da luz emitida diretamente de volta para o receptor no mesmo invólucro, útil para objetos opacos a curtas distâncias, sem a necessidade de um refletor separado.

Assinale a sequência CORRETA de associação, de cima para baixo:

 

Provas

Questão presente nas seguintes provas
4031047 Ano: 2026
Disciplina: Eletroeletrônica
Banca: Unesc
Orgão: Pref. Nova Veneza-SC
Provas:
Em uma fábrica de embalagens, um técnico eletricista está dimensionando o sistema de comando de um motor elétrico trifásico de uma esteira transportadora. Ele precisa de um dispositivo que permita o acionamento e o desligamento do motor de forma remota e segura, comandado por um circuito de baixa potência (por exemplo, botões ou um Controlador Lógico Programável), e que seja adequado para manobrar as correntes de partida e de regime do motor, quando corretamente especificado. Qual dispositivo é o mais adequado para realizar o acionamento e o desligamento de cargas de potência, como um motor elétrico trifásico, de forma segura e controlada por um circuito de comando de baixa potência?
 

Provas

Questão presente nas seguintes provas
4031045 Ano: 2026
Disciplina: Eletroeletrônica
Banca: Unesc
Orgão: Pref. Nova Veneza-SC
Provas:

Em uma manutenção corretiva em um painel de baixa tensão, na área de utilidades de uma indústria, a equipe precisa substituir um componente com a linha já desenergizada. O encarregado descreve práticas de segurança e pede: Analise as afirmativas abaixo:

I. Mesmo desenergizado, o painel deve ser tratado como potencialmente energizado até que a ausência de tensão seja verificada com instrumento adequado.

II. A sinalização e o bloqueio do dispositivo de seccionamento são medidas de proteção coletiva e reduzem o risco para todos no local.

III. O equipamento de proteção individual substitui a necessidade de procedimentos formais de desenergização, desde que esteja adequado ao risco.

Marque a alternativa CORRETA.

 

Provas

Questão presente nas seguintes provas
4031044 Ano: 2026
Disciplina: Eletroeletrônica
Banca: Unesc
Orgão: Pref. Nova Veneza-SC
Provas:

Para reduzir a ondulação (ripple) na saída de uma fonte de alimentação retificada, um técnico eletricista deve utilizar um capacitor de grande capacitância em paralelo com a carga.

PORQUE

O capacitor atua como um filtro, armazenando energia quando a tensão do retificador está no pico e descarregando-a lentamente na carga quando a tensão do retificador cai, preenchendo as "lacunas" da forma de onda e suavizando-a.

Analisando as afirmações acima, escolha a opção CORRETA:

 

Provas

Questão presente nas seguintes provas