Magna Concursos

Foram encontradas 8.137 questões.

4028784 Ano: 2026
Disciplina: Eletroeletrônica
Banca: VUNESP
Orgão: Pref. São José Rio Preto-SP
Provas:

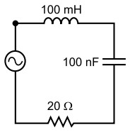
Considere o circuito da figura a seguir, em que a fonte de tensão senoidal fornece uma tensão v(t) = 112 cos ωt V.

Enunciado 4438174-1

(Arquivo pessoal; figura usada com autorização)

Assinale a alternativa que apresenta corretamente o valor de ω para o qual o módulo da impedância do circuito é mínimo.

 

Provas

Questão presente nas seguintes provas
4028783 Ano: 2026
Disciplina: Eletroeletrônica
Banca: VUNESP
Orgão: Pref. São José Rio Preto-SP
Provas:

Considere o circuito da figura a seguir, em que todas as impedâncias complexas são dadas em ohms.

Enunciado 4438173-1

(Arquivo pessoal; figura usada com autorização)

A fonte de tensão alternada fornece uma tensão eficaz de 20 V. Assim, a corrente eficaz lida pelo amperímetro é

 

Provas

Questão presente nas seguintes provas
4028781 Ano: 2026
Disciplina: Eletroeletrônica
Banca: VUNESP
Orgão: Pref. São José Rio Preto-SP
Provas:

Um técnico montou o seguinte circuito elétrico, constituído de resistores e baterias ideais.

Enunciado 4438171-1

(Arquivo pessoal; figura usada com autorização)

Assinale a alternativa que apresenta o valor mais próximo da potência dissipada no resistor de 30 Ω.

 

Provas

Questão presente nas seguintes provas
4028776 Ano: 2026
Disciplina: Eletroeletrônica
Banca: VUNESP
Orgão: Pref. São José Rio Preto-SP
Provas:
De acordo com a NBR 5410, quais práticas relacionadas ao aterramento são fundamentais para garantir a segurança das instalações elétricas de baixa tensão em palcos e espaços cênicos?
 

Provas

Questão presente nas seguintes provas
4027896 Ano: 2026
Disciplina: Eletroeletrônica
Banca: Funatec
Orgão: Pref. Vitória Mearim-MA
Provas:
Texto Base:
Protocolo de Segurança em Inundações e Riscos Elétricos.

“Em situações de chuvas intensas ou inundações em áreas edificadas, o profissional de segurança deve agir com rapidez para mitigar danos ao patrimônio e, principalmente, riscos à vida. A presença de água próxima a instalações elétricas cria um ambiente de alto risco de eletrocussão. O protocolo padrão determina que, ao detectar o avanço da água em direção a quadros de força ou subestações, a área deve ser prontamente isolada e o fornecimento de energia interrompido através do desligamento da chave geral, desde que isso possa ser feito com segurança. O acionamento de órgãos externos (como Defesa Civil ou Bombeiros) deve ocorrer paralelamente ou após as medidas de contenção imediata de riscos.”

Após fortes chuvas, o vigia identifica início de alagamento próximo à área onde se localiza o quadro geral de energia elétrica do prédio. Conforme o texto base, a providência imediata correta é:
 

Provas

Questão presente nas seguintes provas
4027677 Ano: 2026
Disciplina: Eletroeletrônica
Banca: Funatec
Orgão: Pref. Vitória Mearim-MA
Durante a execução de atividades de limpeza em um prédio público, o Auxiliar de Serviços Gerais identifica uma tomada com sinais de aquecimento e fios parcialmente expostos. Considerando os princípios de prevenção de acidentes de trabalho e de choques elétricos, assinale a alternativa correta.
 

Provas

Questão presente nas seguintes provas
4025039 Ano: 2026
Disciplina: Eletroeletrônica
Banca: FGV
Orgão: AMAZUL
Provas:
As normas técnicas determinam que os circuitos alimentadores de motores elétricos sejam providos de elementos de proteção contra sobre correntes originadas por um curto circuito e também originadas por sobrecarga.

Sobre os dispositivos de proteção contra correntes de sobrecarga nos motores, analise os itens a seguir:

I. São sensíveis à temperatura dos enrolamentos e estão integrados ao motor.

II. Podem ficar externamente ao motor e são sensíveis à corrente do circuito.

III. Localizam-se dentro ou fora do motor e são sensíveis à tensão de alimentação.

Está correto o que se afirma em
 

Provas

Questão presente nas seguintes provas
4025029 Ano: 2026
Disciplina: Eletroeletrônica
Banca: FGV
Orgão: AMAZUL
Provas:
A instalação externa é a decisão mais operacional para cabos de elevada seção, nos circuitos alimentados em BT. A etapa de projeto das linhas elétricas é a destinada a prever as dimensões de bandeja, leitos e seus acessórios. Sobre a disposição dos cabos em bandejas e leitos, as normas determinam que os cabos devem
 

Provas

Questão presente nas seguintes provas
4025026 Ano: 2026
Disciplina: Eletroeletrônica
Banca: FGV
Orgão: AMAZUL
Provas:
Em instalações elétricas, a ABNT determina critérios para a proteção de cabos e equipamentos elétricos.

O projetista deve ater-se às especificações técnicas sobre os limites de corrente elétrica necessários para o desligamento de equipamentos.

Sobre os dispositivos de proteção contra corrente de fuga às partes metálicas acessíveis que possam provocar choque elétrico nos usuários, analise os itens a seguir e assinale (V) para verdadeiro e (F) para falso.

( ) No uso do DR é fundamental que o equipamento esteja aterrado.

( ) O DPS atuará contra a fuga de corrente tanto em CC como em CA.

( ) Estes equipamentos são fabricados com sensibilidade de 30mA.

( ) São fabricados para uso em 50/60Hz e 127/220V.

A sequência correta de preenchimento dos parênteses, de cima para baixo, é
 

Provas

Questão presente nas seguintes provas
4025025 Ano: 2026
Disciplina: Eletroeletrônica
Banca: FGV
Orgão: AMAZUL
Provas:
Observe a figura e responda à questão, respeitando o que estabelece a ABNT.
A figura a seguir é um diagrama unifilar, de força, com elementos de proteção e comando de um motor de indução trifásico. Todos os elementos estão em perfeito estado de funcionamento.
Enunciado 4534690-1
As letras de A até K identificam componentes de uma instalação elétrica industrial. 

Sobre a função dos contatos abertos, analise os itens a seguir e assinale (V) para verdadeiro e (F) para falso.

( ) F tem a função de contato de selo da contactora que energiza o motor.

( ) G pode fazer a função de intertravamento entre contatoras diferentes.

( ) H só fechará se a sua contactora estiver energizada.

( ) I é o contato de um botão com a função de ligar a contactora do motor.

( ) K ligará o motor e só terá função se todos os outros contatos estiverem fechados.

A sequência correta de preenchimento dos parênteses, de cima para baixo, é

 

Provas

Questão presente nas seguintes provas