Magna Concursos

Foram encontradas 8.137 questões.

4035223 Ano: 2026
Disciplina: Eletroeletrônica
Banca: VUNESP
Orgão: SAAEB
Provas:

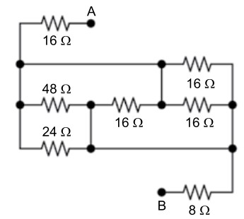
Considere o circuito mostrado na figura a seguir:

Enunciado 4515147-1

O módulo do valor da tensão entre os pontos A e B é aproximadamente igual a

 

Provas

Questão presente nas seguintes provas
4035222 Ano: 2026
Disciplina: Eletroeletrônica
Banca: VUNESP
Orgão: SAAEB
Provas:

Considere o circuito mostrado na figura a seguir:

Enunciado 4515146-1

O valor da resistência equivalente entre os pontos A e B é aproximadamente igual a

 

Provas

Questão presente nas seguintes provas
4035221 Ano: 2026
Disciplina: Eletroeletrônica
Banca: VUNESP
Orgão: SAAEB
Provas:

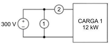
Considere o circuito mostrado na figura a seguir:

Enunciado 4515145-1

Os instrumentos 1 e 2 representados na figura e suas respectivas indicações são:

 

Provas

Questão presente nas seguintes provas
4035220 Ano: 2026
Disciplina: Eletroeletrônica
Banca: VUNESP
Orgão: SAAEB
Provas:

Um dispositivo é alimentado por tensão alternada com valor nominal de 220 V, operando com corrente nominal de 20 A e fator de potência unitário. Se o dispositivo permanecer ligado por um período de 20 dias, a energia total consumida será igual a

 

Provas

Questão presente nas seguintes provas
4035219 Ano: 2026
Disciplina: Eletroeletrônica
Banca: VUNESP
Orgão: SAAEB
Provas:

Um condutor que apresenta resistência total igual a 15 Ω é submetido a uma diferença de potencial entre suas extremidades de 60 V. A potência elétrica dissipada na forma de calor por esse condutor é de

 

Provas

Questão presente nas seguintes provas
4035218 Ano: 2026
Disciplina: Eletroeletrônica
Banca: VUNESP
Orgão: SAAEB
Provas:

Um motor de indução trifásico blindado está instalado em um equipamento industrial e é acionado por uma chave de partida direta manual, conforme o diagrama unifilar mostrado na figura a seguir:

Enunciado 4515142-1

O motor não parte ao ser acionada a chave CH1. Foram medidas as tensões do alimentador (antes dos fusíveis), após os fusíveis (antes de CH1) e após a chave CH1 ligada (terminais do motor), e os valores de tensão encontrados foram os seguintes:

Enunciado 4515142-2

O defeito apresentado pelo equipamento é

 

Provas

Questão presente nas seguintes provas
4034298 Ano: 2026
Disciplina: Eletroeletrônica
Banca: AMAUC
Orgão: Pref. Itá-SC
Provas:
Durante a execução de serviços em instalações elétricas de prédios públicos, o operador pode atuar em ambientes com circulação de servidores e usuários, exigindo cuidados rigorosos para evitar acidentes.
Nesse contexto, assinale a alternativa que NÃO condiz com práticas seguras no manuseio de energia elétrica.
 

Provas

Questão presente nas seguintes provas
4034294 Ano: 2026
Disciplina: Eletroeletrônica
Banca: AMAUC
Orgão: Pref. Itá-SC
Provas:
Em um prédio público, uma equipe realiza manutenção de um equipamento elétrico, sendo necessário evitar energização inesperada enquanto ocorre a intervenção. Desta forma, deve adotar um procedimento de segurança que impeça religamento acidental, com identificação do responsável pela intervenção.
Diante da situação descrita, analise o trecho a seguir:
O procedimento adequado é a __________ do circuito, com identificação e impedimento de reenergização, antes do início do serviço.
A alternativa que preenche corretamente a lacuna é:
 

Provas

Questão presente nas seguintes provas
4033734 Ano: 2026
Disciplina: Eletroeletrônica
Banca: VUNESP
Orgão: Câm. Mogi Cruzes-SP
Um técnico de informática está analisando a situação da rede elétrica da Câmara Municipal. Trata-se de uma rede monofásica que alimenta vinte computadores e em que recentemente foram instalados novos equipamentos – entre os quais, impressoras e condicionadores de ar. Depois da instalação, o disjuntor passou a desarmar frequentemente, o que não acontecia antes.
Considerando o cenário apresentado, o que provavelmente está ocorrendo?
 

Provas

Questão presente nas seguintes provas
4032962 Ano: 2026
Disciplina: Eletroeletrônica
Banca: COTEC
Orgão: Pref. Jequitaí-MG
Provas:
O uso do multímetro é indispensável para testar sensores e atuadores, permitindo verificar grandezas elétricas como tensão e resistência, identificando componentes defeituosos. Sobre o uso dessa ferramenta no diagnóstico automotivo, analise as afirmativas a seguir.

I- Para medir a tensão (voltagem) da bateria, as pontas de prova do multímetro devem ser conectadas em paralelo com os polos da bateria.
II- O teste de continuidade é utilizado para verificar se há rompimento em fios ou cabos elétricos do chicote do veículo.
III- A medição de resistência elétrica deve ser feita sempre com o circuito energizado (ligado) para garantir a leitura correta.

Está CORRETO o que se afirma em:
 

Provas

Questão presente nas seguintes provas