Foram encontradas 40 questões.
Os trechos a seguir constituem texto adaptado do artigo da BBC, “Como a tecnologia pode evitar que você consuma alimentos contaminados. Nova tecnologia vai expor informações sobre a cadeia global de alimentos — dados que hoje são impossíveis de um consumidor acessar”, publicado em https://g1.globo.com/economia/ tecnologia/noticia/2019/06/18/como-a-tecnologia-podeevitar- que-voce-consuma-alimentos-contaminados. ghtml e acessado em 18/06/2019. Tais excertos, entretanto, encontram-se desordenados. Ordene-os de modo que constituam um encadeamento lógico de ideias e, ordenados, formem um texto coeso.
( ) Em um mundo onde os habitats de nossos frutos do mar estão cada vez mais ameaçados, essas tecnologias podem se tornar um requisito obrigatório para compradores sensíveis à qualidade. Mas uma inundação de novas informações não é garantia de avanços, como muitas tecnologias emergentes nos ensinaram, e essas inovações sempre dependerão de quão bem somos educados para usá-las.
( ) As perspectivas de tal futuro impactam a forma como compramos alimentos. No ano passado, uma pesquisa conduzida pela empresa de consultoria McKinsey & Company confirmou uma tendência há muito conhecida: alimentos de qualidade continuam sendo mais importantes que os preços. Em outras palavras, os compradores se importam profundamente em consumir alimentos seguros e demonstram isso de bom grado com seus cartões de crédito.
( ) A vida marinha está sendo sufocada por um campo minado de plástico nos oceanos, e as imagens são fortes. Um peixe-rei com um perturbador caleidoscópio de pedaços de plástico em seu fígado. Um dourado- do-mar com tampas de garrafa de plástico em seu estômago. Ou mexilhões e moluscos, os filtros do mar, que abrigam microplásticos invisíveis a olho nu.
( ) Não apenas a prova de nossos crescentes erros ecológicos, essa catástrofe também ameaça nos envenenar onde somos verdadeiramente vulneráveis: nossos pratos.
( ) O problema é que nossa rede industrial de alimentos nos deixa sem saber a origem de nossa comida. Em uma estranha reviravolta do destino, ficamos totalmente perdidos em um mundo super saturado pela informação.
( ) Em breve, os compradores poderão acompanhar a “história do peixe” — um boletim contendo a foto original do produto, local de captura, peso inicial, espécie, detalhes da embarcação e tripulação, número da etiqueta RFID (ou Identificação por Rádio Frequência), detalhes da água onde foi capturado e muito mais.
( ) Isso está prestes a mudar. Uma nova tecnologia está preenchendo essa lacuna de informação e devolvendo o poder do conhecimento aos consumidores. Ao catalogar dados da longa cadeia de alimentos em registros criptografados, o nebuloso mundo da rede global de abastecimento será exposto.
( ) Nossa primeira reação a essa notícia é muitas vezes de repulsa. Mas isso rapidamente dá lugar a um pensamento mais sério: o impacto de longo alcance das oito milhões de toneladas de poluição plástica que entram nos oceanos todos os anos.
Assinale a alternativa que apresenta a sequência correta para a formação de um texto coeso e coerente.
Provas

(https://www.todamateria.com.br/)
No segundo quadrinho, o cachorro pergunta: “Ela te enxotou com um pleonasmo?”. Sobre o significado da palavra pleonasmo, é correto afirmar que:
Provas

(https://www.todamateria.com.br/)
O ponto de exclamação é um sinal de pontuação recorrente na tirinha. Leia as seguintes afirmativas sobre o uso desse sinal:
I) No primeiro quadrinho, o ponto de exclamação é usado para enfatizar uma ordem.
II) No segundo quadrinho, o ponto de exclamação é usado após palavras ou frases de caráter emotivo.
III) No terceiro quadrinho, o ponto de exclamação é usado após duas frases imperativas.
Pela análise das afirmativas, está(ão) correta(s) apenas:
Provas

(https://www.todamateria.com.br/)
A tirinha traz a palavra “saia” em duas classes gramaticais diferentes. Assinale a alternativa que indica essas duas classes gramaticais.
Provas
Leia o texto a seguir.
Os dias felizes estão entre as árvores, como os
pássaros:
viajam nas nuvens,
correm nas águas,
desmancham-se na areia.
Estrofe retirada do poema “Os dias felizes”
de Cecília Meireles
Assinale a alternativa correta.
Provas
Assinale a alternativa que registra todas as palavras grafadas e acentuadas corretamente.
Provas
Pergunta: Apesar da ciência, ainda é possível acreditar no sopro divino – o momento em que o Criador deu vida até ao mais insignificante dos micro-organismos?
Resposta de D. Odílio Scherer, cardeal arcebispo de São Paulo: “Claro que sim, estaremos falando sempre que, em algum momento, começou a existir algo, para poder evoluir em seguida. O ato do Criador precede a possibilidade de evolução: só evolui algo que existe. Do nada, nada surge e evolui.”
Resposta de Daniel Dennet, filósofo ateu e evolucionista: “É claro que é possível, assim como se pode acreditar que um super-homem veio para a terra há 530 milhões de anos e ajustou o DNA da fauna cambriana*, provocando a explosão da vida naquele período.”
* Há cerca de 530 milhões de anos, uma vasta variedade de animais apareceu repentinamente no cenário evolutivo em um evento denominado A Explosão Cambriana. Em possivelmente mais ou menos 10 milhões de anos, animais marinhos evoluíram a maioria para os formatos básicos de corpo que vemos hoje em grupos modernos.
http://www.ib.usp.br
Na estruturação do texto da resposta de D. Odílio, percebe-se a ocorrência de um deslize na linguagem, o mesmo presente em:
Provas
Pergunta: Apesar da ciência, ainda é possível acreditar no sopro divino – o momento em que o Criador deu vida até ao mais insignificante dos micro-organismos?
Resposta de D. Odílio Scherer, cardeal arcebispo de São Paulo: “Claro que sim, estaremos falando sempre que, em algum momento, começou a existir algo, para poder evoluir em seguida. O ato do Criador precede a possibilidade de evolução: só evolui algo que existe. Do nada, nada surge e evolui.”
Resposta de Daniel Dennet, filósofo ateu e evolucionista: “É claro que é possível, assim como se pode acreditar que um super-homem veio para a terra há 530 milhões de anos e ajustou o DNA da fauna cambriana*, provocando a explosão da vida naquele período.”
* Há cerca de 530 milhões de anos, uma vasta variedade de animais apareceu repentinamente no cenário evolutivo em um evento denominado A Explosão Cambriana. Em possivelmente mais ou menos 10 milhões de anos, animais marinhos evoluíram a maioria para os formatos básicos de corpo que vemos hoje em grupos modernos. http://www.ib.usp.br
Assinale a alternativa correta em relação ao texto.
Provas
Na indústria, a instrumentação industrial é importante, pois a tecnologia e princípios de funcionamento de cada instrumento impacta, diretamente, no tipo de controle que pode ser realizado na automação de um processo. Dessa forma, caso fosse desejado desenvolver o controle de um processo, em que se têm disponíveis: um termômetro analógico de ponteiro (visualização), um termostato (controle liga-desliga) e um transmissor de temperatura com saída proporcional de 0 a 10V (controle contínuo), pode-se afirmar que o procedimento adequado, de acordo com suas funcionalidades principais, é:
Provas
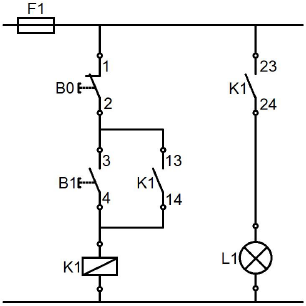
Considere o seguinte diagrama de comando elétrico:

Sobre esse acionamento, bastante aplicado em comandos elétricos, assinale a alternativa INCORRETA.
Provas
Caderno Container